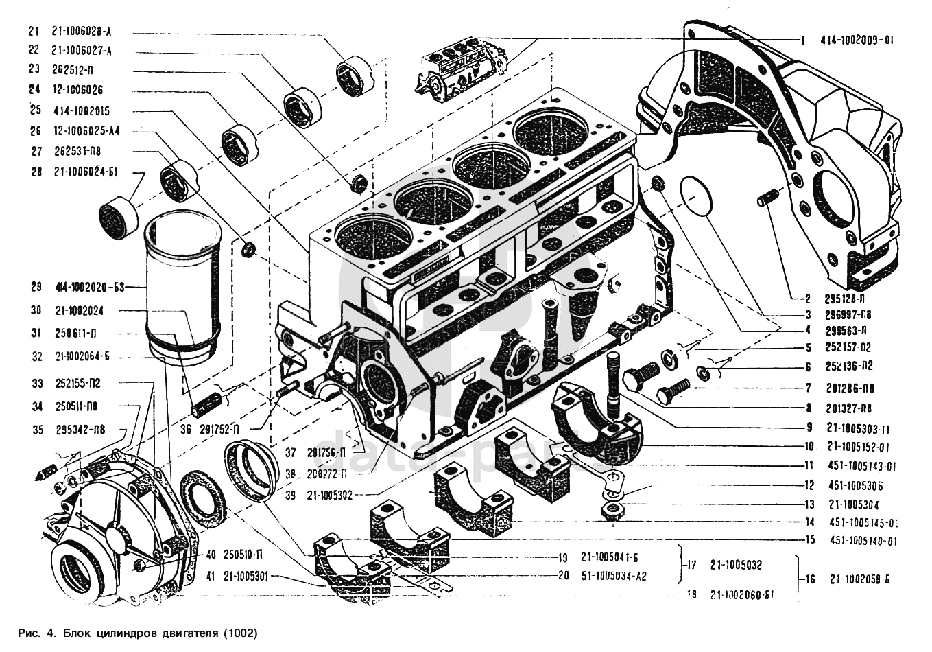
Блок цилиндров УАЗ 3151

1
414-1002009-01
Блок цилиндров с крышками, втулками и картером сцепления в сборе
Кол-во
1
?
2
295128-П
Штифт 13х28
Кол-во
2
?
3
296997-П8
Заглушка 55
Кол-во
1
?
4
296563-П
Пробка КГ 3/8"
Кол-во
2
?
5
252157-П2
Шайба 12 пружинная
Кол-во
2
?
6
252136-П2
Шайба 10 пружинная
Кол-во
4
?
7
201286-П8
Болт М10х35
Кол-во
4
?
8
201327-П8
Болт М12х35
Кол-во
2
?
9
21-1005303-11
Шпилька М 14х1,5х75
Кол-во
10
?
10
21-1005152-01
Крышка заднего коренного подшипника
Кол-во
1
?
11
451-1005143-01
Крышка четвертого коренного подшипника
Кол-во
1
?
12
451-1005306
Шайба крышек
Кол-во
10
?
13
21-1005304
Гайка М1 4
Кол-во
10
?
14
451-1005145-01
Крышка второго и третьего коренного подшипника
Кол-во
2
?
15
451-1005140-01
Крышка переднего коренного подшипника
Кол-во
1
?
16
21-1002058-Б
Крышка распределительных шестерен в сборе
Кол-во
1
?
17
21-1005032
Сальник передний с маслоотражателем в сборе
Кол-во
1
?
18
21-1002060-Б1
Крышка распределительных шестерен
Кол-во
1
?
19
21-1005041-Б
Маслоотражатель переднего сальника
Кол-во
1
?
20
81-1005034-А2
Манжета передняя с пружиной в сборе
Кол-во
1
?
21
21-1006028-А
Втулка пятая
Кол-во
1
?
22
21-1006027-А
Втулка четвертая
Кол-во
1
?
23
262152-П
Пробка КГ 1/2"
Кол-во
1
?
24
12-1006026
Втулка третья
Кол-во
1
?
25
414-1002015
Блок цилиндров двигателя
Кол-во
1
?
26
12-1002025-А4
Втулка вторая
Кол-во
1
?
27
262531-П8
Пробка КГ 1/8" поперечных масляных каналов
Кол-во
5
?
28
21-1006024-Б1
Втулка первая
Кол-во
1
?
29
414-1002020-Б3
Гильза блока цилиндров
Кол-во
4
?
30
21-1002024
Кольцо гильзы блока цилиндров
Кол-во
4
?
31
258611-П
Штифт 4х10 фиксации передней опорной шайбы
Кол-во
2
?
32
21-1002064-Б
Прокладка крышки распределительных шестерен
Кол-во
1
?
33
252155-П2
Шайба 8 пружинная
Кол-во
7
?
34
250511-П8
Гайка М8
Кол-во
5
?
В наличии
10 ₽
35
295342-П8
Штифт
Кол-во
1
?
36
291752-П
Шпилька М8х1х38
Кол-во
1
?
37
291756-П
Шпилька М8х1х58
Кол-во
4
?
38
200272
Болт М8х65
Кол-во
2
?
39
21-1005302
Пластина стопорная четвертой и пятой коренных опор
Кол-во
2
?
40
250510
Гайка М8
Кол-во
2
?
41
21-1005301
Пластина стопорная первой, второй, третьей коренных опор
Кол-во
3
?
Есть готовая заявка? Отправьте ее нам!
Если у вас уже есть список необходимых запчастей, загрузите файл с ним или укажите артикулы и названия запчастей в поле Комментарий, а также оставьте свои контактные данные. В течение рабочего дня мы оценим вашу заявку и отправим вам коммерческое предложение.
Отдел продаж

Если у вас уже есть готовая заявка на запасные части, то просто прикрепите файл с ней либо в поле «Комментарии» напишите артикулы и названия необходимых вам запчастей и оставьте контактные данные.

В течение рабочего дня мы выполним расчёт по вашей заявке и направим вам коммерческое предложение.

Только один файл.
Ограничение 128 МБ.
Допустимые типы: txt, rtf, pdf, doc, docx, odt, ppt, pptx, odp, xls, xlsx, ods.
пример: 89511234567 или +79511324567
Отправляя форму вы подтверждаете согласие с политикой обработки персональных данных.