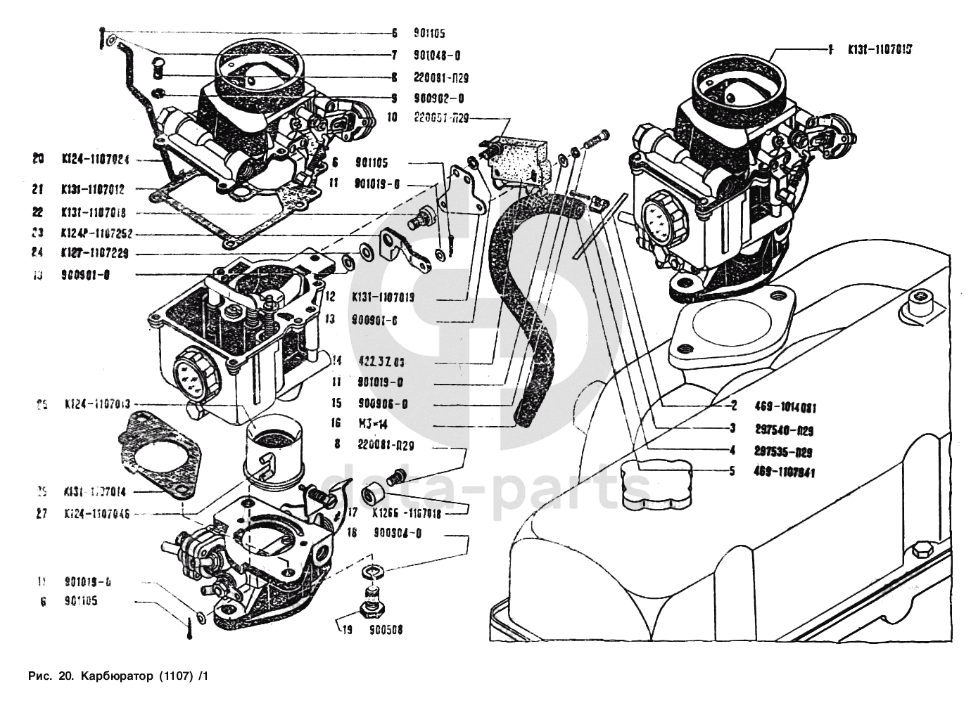
Карбюратор УАЗ 3151

%
1
К131-П07010
Карбюратор в сборе
Кол-во
1
?
2
469-1014081
Лента стяжная хомута
Кол-во
4
?
3
297540-П29
Пряжка хомута
Кол-во
4
?
4
297535-П29
Шплинт
Кол-во
4
?
5
469-1107941
Шланг системы управления экономайзером карбюратора
Кол-во
1
?
6
901105
Шплинт 1х6
Кол-во
6
?
7
901048-0
Шайба 4,2х0.5
Кол-во
1
?
8
220081-П29
Винт М5х18
Кол-во
7
?
9
900902-0
Шайба 5
Кол-во
3
?
10
220051-П29
Винт М4х10
Кол-во
3
?
11
901019-0
Шайба 3,1х0.5
Кол-во
6
?
12
К131-1107019
Кронштейн
Кол-во
1
?
13
900901-0
Шайба 4
Кол-во
7
?
14
422.37.09
Микропереключатель
Кол-во
1
?
15
900906-0
Шайба 3
Кол-во
3
?
16
М3х14
Винт
Кол-во
2
?
17
К126Б-1107018
Пломба
Кол-во
1
?
18
900904
Шайба 8
Кол-во
2
?
19
900508
Болт М8х20
Кол-во
2
?
20
К124-1107024
Тяга малых оборотов
Кол-во
1
?
21
К131-1107012
Прокладка поплавковой камеры
Кол-во
1
?
22
К131-1107018
Винт
Кол-во
1
?
23
К124Р-1107252
Рычаг
Кол-во
1
?
24
К127-1107229
Шайба
Кол-во
1
?
25
К124-1107013
Диффузор большой
Кол-во
1
?
26
К131-1107014
Прокладка смесительной камеры
Кол-во
1
?
27
К124-1107046
Серьга
Кол-во
1
?
Есть готовая заявка? Отправьте ее нам!
Если у вас уже есть список необходимых запчастей, загрузите файл с ним или укажите артикулы и названия запчастей в поле Комментарий, а также оставьте свои контактные данные. В течение рабочего дня мы оценим вашу заявку и отправим вам коммерческое предложение.
Отдел продаж

Если у вас уже есть готовая заявка на запасные части, то просто прикрепите файл с ней либо в поле «Комментарии» напишите артикулы и названия необходимых вам запчастей и оставьте контактные данные.

В течение рабочего дня мы выполним расчёт по вашей заявке и направим вам коммерческое предложение.

Только один файл.
Ограничение 128 МБ.
Допустимые типы: txt, rtf, pdf, doc, docx, odt, ppt, pptx, odp, xls, xlsx, ods.
пример: 89511234567 или +79511324567
Отправляя форму вы подтверждаете согласие с политикой обработки персональных данных.