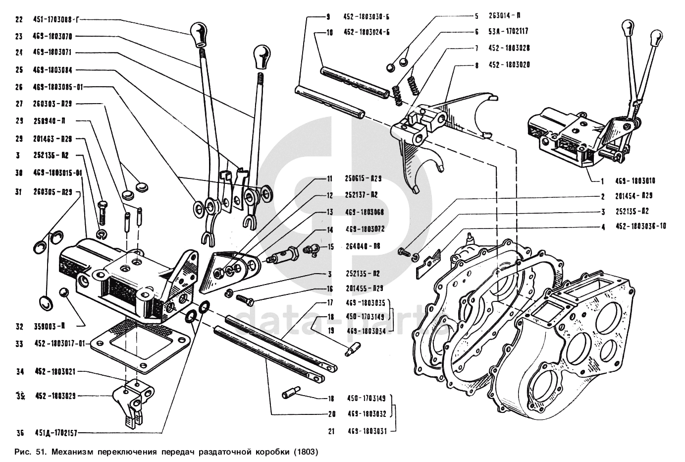
Механизм переключения передач раздаточной коробки УАЗ 3151

%
1
469-1803010
Крышка механизма переключения в сборе
Кол-во
1
?
2
201454-П29
Болт М8х16
Кол-во
1
?
3
252135-П2
Шайба 6 пружинная
Кол-во
8
?
В наличии
4 ₽
4
452-1803036-10
Стопор штоков
Кол-во
1
?
5
263014-П
Шарик 3/8" штоков
Кол-во
2
?
6
53А-1702117
Пружина фиксатора штоков переключения передач
Кол-во
2
?
7
452-1803028
Вилка включения переднего моста
Кол-во
1
?
8
452-1803020
Вилка включения заднего моста
Кол-во
1
?
9
452-1803030-Б
Шток вилки включения переднего моста
Кол-во
1
?
10
452-1803024-Б
Шток вилки включения заднего моста
Кол-во
1
?
11
250615-П29
Гайка М12
Кол-во
1
?
12
252137-П2
Шайба 12 пружинная
Кол-во
1
?
13
469-1803068
Кронштейн рычагов переключения
Кол-во
1
?
14
469-1803072
Ось рычагов переключения переднего и заднего мостов
Кол-во
1
?
15
264040-П8
Пресс-масленка
Кол-во
1
?
16
201455-П29
Болт М8х18
Кол-во
3
?
17
469-1803035
Шток включения заднего моста
Кол-во
1
?
18
450-1703149
Палец штоков рычагов включения переднего и заднего мостов
Кол-во
2
?
19
469-1803034
Шток включения заднего моста в боре
Кол-во
1
?
20
469-1803032
Шток включения переднего моста
Кол-во
1
?
21
469-1803031
Шток включения переднего моста в сборе
Кол-во
1
?
22
451-1703088-Г
Рукоятка рычагов включения переднего и заднего мостов
Кол-во
2
?
23
469-1803070
Рычаг включения переднего моста
Кол-во
1
?
24
469-1803071
Рычаг включения заднего моста
Кол-во
1
?
25
469-1803084
Пружина рычагов включения переднего и заднего мостов
Кол-во
2
?
26
469-1803085-01
Шайба опорная
Кол-во
2
?
27
260303-П29
Заглушка ф12
Кол-во
2
?
28
258940-П
Штифт 4х30
Кол-во
2
?
29
201463-П29
Болт М8х38
Кол-во
4
?
В наличии
20 ₽
30
469-1803015-01
Крышка механизма переключения
Кол-во
1
?
31
260305-П29
Заглушка 16
Кол-во
2
?
32
359003-П
Шарик стопорный
Кол-во
1
?
33
452-1803017-01
Прокладка
Кол-во
1
?
34
452-1803021
Рычаг включения заднего моста
Кол-во
1
?
35
452-1803029
Рычаг включения переднего моста
Кол-во
1
?
36
451Д-1702157
Кольцо уплотнительное штоков
Кол-во
2
?
Есть готовая заявка? Отправьте ее нам!
Если у вас уже есть список необходимых запчастей, загрузите файл с ним или укажите артикулы и названия запчастей в поле Комментарий, а также оставьте свои контактные данные. В течение рабочего дня мы оценим вашу заявку и отправим вам коммерческое предложение.
Отдел продаж

Если у вас уже есть готовая заявка на запасные части, то просто прикрепите файл с ней либо в поле «Комментарии» напишите артикулы и названия необходимых вам запчастей и оставьте контактные данные.

В течение рабочего дня мы выполним расчёт по вашей заявке и направим вам коммерческое предложение.

Только один файл.
Ограничение 128 МБ.
Допустимые типы: txt, rtf, pdf, doc, docx, odt, ppt, pptx, odp, xls, xlsx, ods.
пример: 89511234567 или +79511324567
Отправляя форму вы подтверждаете согласие с политикой обработки персональных данных.