Кулаки поворотные УАЗ 3151

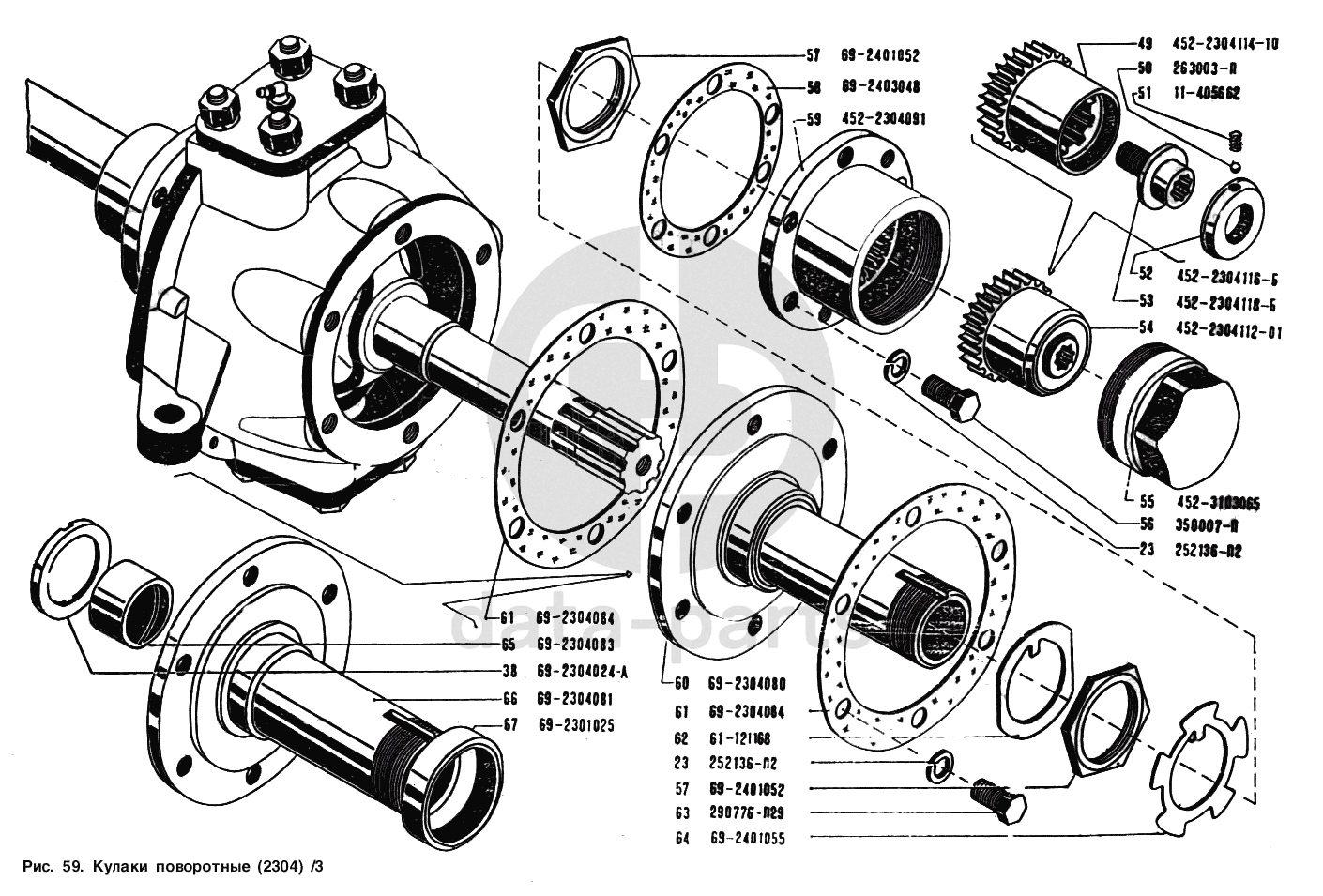
53
452-2304118-Б
Болт муфты ведущего фланца
Кол-во
2
?
54
452-2304112-01
Муфта ведущего фланца ступицы переднего колеса в сборе
Кол-во
2
?
55
452-3103065
Колпак ступицы переднего колеса
Кол-во
2
?
56
350007-П
Болт М10х28 крепления ведущего фланца
Кол-во
12
?
57
69-2401052
Гайка и контргайка подшипников ступицы переднего колеса
Кол-во
4
?
В наличии
135 ₽
58
69-2403048
Прокладка ведущего фланца ступицы переднего колеса
Кол-во
2
?
59
452-2304091
Фланец ведущей ступицы переднего колеса
Кол-во
2
?
60
69-2304080
Цапфа поворотного кулака переднего моста в сборе
Кол-во
2
?
61
69-2304084
Прокладка поворотного кулака переднего моста
Кол-во
2
?
62
61-121168
Шайба стопорная гаек подшипников ступицы переднего колеса
Кол-во
2
?
под заказ
цена по запросу
63
290776-П29
Болт М10х28
Кол-во
12
?
64
69-2401055
Шайба замочная гаек подшипников переднего колеса
Кол-во
2
?
В наличии
20 ₽
65
69-2334083
Втулка цапфы поворотного кулака переднего моста
Кол-во
2
?
66
69-2304081
Цапфа поворотного кулака переднего моста
Кол-во
2
?
67
69-2301025
Кольцо сальника ступицы переднего колеса
Кол-во
2
?
Есть готовая заявка? Отправьте ее нам!
Если у вас уже есть список необходимых запчастей, загрузите файл с ним или укажите артикулы и названия запчастей в поле Комментарий, а также оставьте свои контактные данные. В течение рабочего дня мы оценим вашу заявку и отправим вам коммерческое предложение.
Отдел продаж

Если у вас уже есть готовая заявка на запасные части, то просто прикрепите файл с ней либо в поле «Комментарии» напишите артикулы и названия необходимых вам запчастей и оставьте контактные данные.

В течение рабочего дня мы выполним расчёт по вашей заявке и направим вам коммерческое предложение.

Только один файл.
Ограничение 128 МБ.
Допустимые типы: txt, rtf, pdf, doc, docx, odt, ppt, pptx, odp, xls, xlsx, ods.
пример: 89511234567 или +79511324567
Отправляя форму вы подтверждаете согласие с политикой обработки персональных данных.