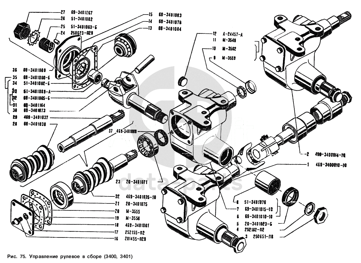
Управление рулевое в сборе УАЗ 3151

1
469-3400013-10
Рулевое управление без рулевого колеса и сошки в сборе
Кол-во
1
?
2
469-3400014-10
Рулевое управление без колонки, рулевого колеса и сошки в сборе
Кол-во
1
?
3
250651-П8
Гайка М22х1,5
Кол-во
1
?
4
252162-П2
Шайба 22 пружинная
Кол-во
1
?
5
20-3401023-Б
Сальник вала сошки в сборе
Кол-во
1
?
6
69-3401010-10
Картер рулевого управления со втулкой в сборе
Кол-во
1
?
7
69-3401015-10
Картер рулевого управления
Кол-во
1
?
8
51-3401076
Втулка вала сошки рулевого управления
Кол-во
1
?
9
М-3559
Держатель сальника горловины картера
Кол-во
1
?
10
М-3562
Набивка сальника горловины картера
Кол-во
1
?
11
М-3549
Сальник горловины картера рулевого управления в сборе
Кол-во
1
?
12
А-24457-А
Пробка КГ маслосливного и маслоналивного отверстий
Кол-во
1
?
13
69-3401084
Прокладка боковой крышки картера рулевого управления
Кол-во
1
?
14
69-3401078
Подшипник вала сошки
Кол-во
1
?
15
69-3401083
Крышка боковая картера рулевого управления
Кол-во
1
?
16
201455-П29
Болт М8х18
Кол-во
8
?
17
252155-П2
Шайба 8 пружинная
Кол-во
10
?
18
469-3401061
Крышка картера рулевого управления нижняя
Кол-во
1
?
19
М-3556
Прокладка тонкая
Кол-во
0
?
20
М-3555
Прокладка толстая
Кол-во
0
?
21
20-3401075
Подшипник роликовый конический нижний
Кол-во
1
?
22
469-3401035-10
Вал червяка и червяк рулевого управления
Кол-во
1
?
23
20-3401071
Подшипник роликовый конический верхний
Кол-во
1
?
24
258623-П29
Штифт 5х8
Кол-во
1
?
25
51-3401063-Б
Винт регулировочный вала сошки рулевого управления
Кол-во
1
?
26
51-3401082
Шайба стопорная регулировочного винта вала сошки
Кол-во
1
?
27
69-3401067
Гайка регулировочного винта вала сотки
Кол-во
1
?
28
69-3401038
Червяк рулевого управления
Кол-во
1
?
29
469-3401037
Вал червяка рулевого управления
Кол-во
1
?
30
69-3401073
Ось ролика вала сошки
Кол-во
1
?
31
69-3401164
Вал сошки рулевого управления с кольцом в сборе
Кол-во
1
?
32
69-3401065-Б
Вал сошки рулевого управления
Кол-во
1
?
33
51-3401089-А
Кольцо подшипника вала сошки
Кол-во
1
?
34
51-3401062-Б
Ролик вала сошки с подшипником в сборе
Кол-во
1
?
35
69-3401060-Б
Вал сошки с роликом в сборе
Кол-во
1
?
36
69-3401080
Крышка боковая картера рулевого управления в сборе
Кол-во
1
?
37
469-3401069
Сальник вала червяка в сборе
Кол-во
1
?
Есть готовая заявка? Отправьте ее нам!
Если у вас уже есть список необходимых запчастей, загрузите файл с ним или укажите артикулы и названия запчастей в поле Комментарий, а также оставьте свои контактные данные. В течение рабочего дня мы оценим вашу заявку и отправим вам коммерческое предложение.
Отдел продаж

Если у вас уже есть готовая заявка на запасные части, то просто прикрепите файл с ней либо в поле «Комментарии» напишите артикулы и названия необходимых вам запчастей и оставьте контактные данные.

В течение рабочего дня мы выполним расчёт по вашей заявке и направим вам коммерческое предложение.

Только один файл.
Ограничение 128 МБ.
Допустимые типы: txt, rtf, pdf, doc, docx, odt, ppt, pptx, odp, xls, xlsx, ods.
пример: 89511234567 или +79511324567
Отправляя форму вы подтверждаете согласие с политикой обработки персональных данных.