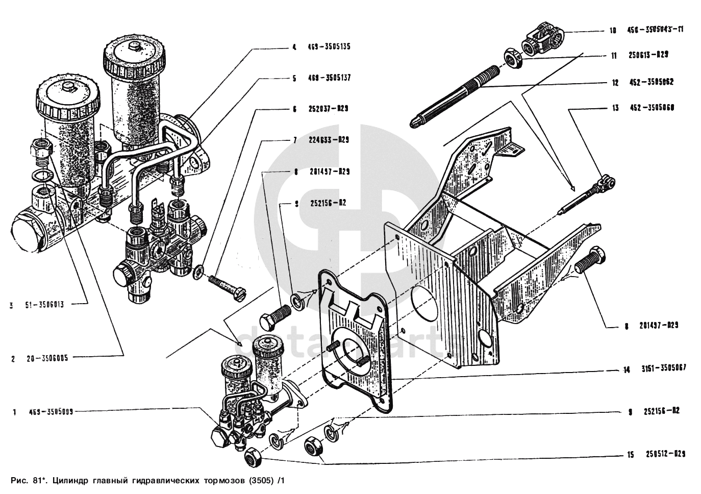
Цилиндр главный гидравлических тормозов УАЗ 3151

1
2
3
4
5
6
7
8
9
10
11
12
13
14
15
%
1
469-3505009
Цилиндр главный гидравлических тормозов с сигнальным устройством
Кол-во
1
?
2
20-3506005
Штуцер главного цилиндра
Кол-во
2
?
3
51-3506013
Прокладка уплотнительная гибкого шланга
Кол-во
2
?
4
469-3505135
Трубка от первичной камеры главного цилиндра к сигнальному устройству в сборе
Кол-во
1
?
5
469-3505137
Трубка от вторичной камеры главного цилиндра к сигнальному устройству в сборе
Кол-во
1
?
6
252037-П29
Шайба 6
Кол-во
1
?
7
224633-П29
Винт М6х35 крепления сигнального устройства к главному цилиндру
Кол-во
1
?
8
201497-П29
Болт М10х25
Кол-во
4
?
В наличии
20 ₽
9
252156-П2
Шайба 10 пружинная
Кол-во
6
?
10
450-3505043-11
Вилка толкателя поршня главного цилиндра
Кол-во
1
?
11
250613-П29
Гайка М10
Кол-во
1
?
12
452-3505062
Толкатель поршня главного цилиндра
Кол-во
1
?
13
452-3505060
Толкатель поршня главного цилиндра с вилкой в сборе
Кол-во
1
?
14
3151-3505067
Проставка главного цилиндра с болтами крепления в сборе
Кол-во
1
?
15
250512-П29
Гайка М10
Кол-во
4
?
В наличии
10 ₽
Есть готовая заявка? Отправьте ее нам!
Если у вас уже есть список необходимых запчастей, загрузите файл с ним или укажите артикулы и названия запчастей в поле Комментарий, а также оставьте свои контактные данные. В течение рабочего дня мы оценим вашу заявку и отправим вам коммерческое предложение.
Отдел продаж

Если у вас уже есть готовая заявка на запасные части, то просто прикрепите файл с ней либо в поле «Комментарии» напишите артикулы и названия необходимых вам запчастей и оставьте контактные данные.

В течение рабочего дня мы выполним расчёт по вашей заявке и направим вам коммерческое предложение.

Только один файл.
Ограничение 128 МБ.
Допустимые типы: txt, rtf, pdf, doc, docx, odt, ppt, pptx, odp, xls, xlsx, ods.
пример: 89511234567 или +79511324567
Отправляя форму вы подтверждаете согласие с политикой обработки персональных данных.