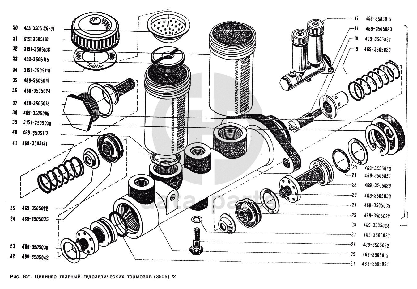
Цилиндр главный гидравлических тормозов УАЗ 3151

16
469-3505010
Цилиндр главный в сборе
Кол-во
1
?
17
469-3505023
Винт держателя пружины первичного поршня
Кол-во
1
?
18
469-3505021
Держатель пружины первичного поршня
Кол-во
1
?
19
469-3505020
Пружина возвратная первичного поршня
Кол-во
1
?
20
469-3505048
Шайба упорная первичного поршня
Кол-во
1
?
21
469-3505051
Кольцо уплотнительное вторичного поршня
Кол-во
2
?
22
469-3505029
Поршень первичный
Кол-во
1
?
23
469-3505030
Шайба вторичного поршня
Кол-во
2
?
24
469-3505035
Манжета уплотнительная поршня
Кол-во
2
?
Производитель:
ЯРТИ
В наличии
30 ₽
25
469-3505022
Седло пружины первичного поршня
Кол-во
2
?
26
469-3505028
Поршень первичный с пружиной в сборе
Кол-во
1
?
27
469-3505033
Прокладка упорного болта поршней
Кол-во
1
?
28
469-3505032
Болт упорный поршней
Кол-во
1
?
29
469-3505015
Картер главного цилиндра
Кол-во
1
?
30
403-3505126-01
Сетка бачка главного цилиндра в сборе
Кол-во
2
?
31
3151-3505110
Крышка бачка главного цилиндра
Кол-во
2
?
32
3151-3505108
Корпус бачка главного цилиндра
Кол-во
2
?
Производитель:
УАЗ
под заказ
цена по запросу
33
403-3505115
Штуцер бачка главного цилиндра
Кол-во
2
?
34
3151-3505118
Прокладка крышки бачка главного цилиндра
Кол-во
2
?
35
469-3505019
Вкладыш пробки картера
Кол-во
1
?
36
469-3505024
Прокладка пробки картера
Кол-во
1
?
37
469-3505018
Пробка картера
Кол-во
1
?
38
469-3505065
Колпак защитный
Кол-во
1
?
39
3151-3505038
Кольцо стопорное первичного поршня
Кол-во
1
?
40
469-3505117
Прокладка штуцера бачка главного цилиндра
Кол-во
2
?
41
469-3505131
Пружина возвратная вторичного поршня
Кол-во
1
?
42
469-3505042
Поршень вторичный
Кол-во
1
?
Есть готовая заявка? Отправьте ее нам!
Если у вас уже есть список необходимых запчастей, загрузите файл с ним или укажите артикулы и названия запчастей в поле Комментарий, а также оставьте свои контактные данные. В течение рабочего дня мы оценим вашу заявку и отправим вам коммерческое предложение.
Отдел продаж

Если у вас уже есть готовая заявка на запасные части, то просто прикрепите файл с ней либо в поле «Комментарии» напишите артикулы и названия необходимых вам запчастей и оставьте контактные данные.

В течение рабочего дня мы выполним расчёт по вашей заявке и направим вам коммерческое предложение.

Только один файл.
Ограничение 128 МБ.
Допустимые типы: txt, rtf, pdf, doc, docx, odt, ppt, pptx, odp, xls, xlsx, ods.
пример: 89511234567 или +79511324567
Отправляя форму вы подтверждаете согласие с политикой обработки персональных данных.