Переключатели и выключатели УАЗ 3151

1
2
3
4
5
6
7
8
9
10
11
12
13
14
15
16
17
18
19
20
%
1
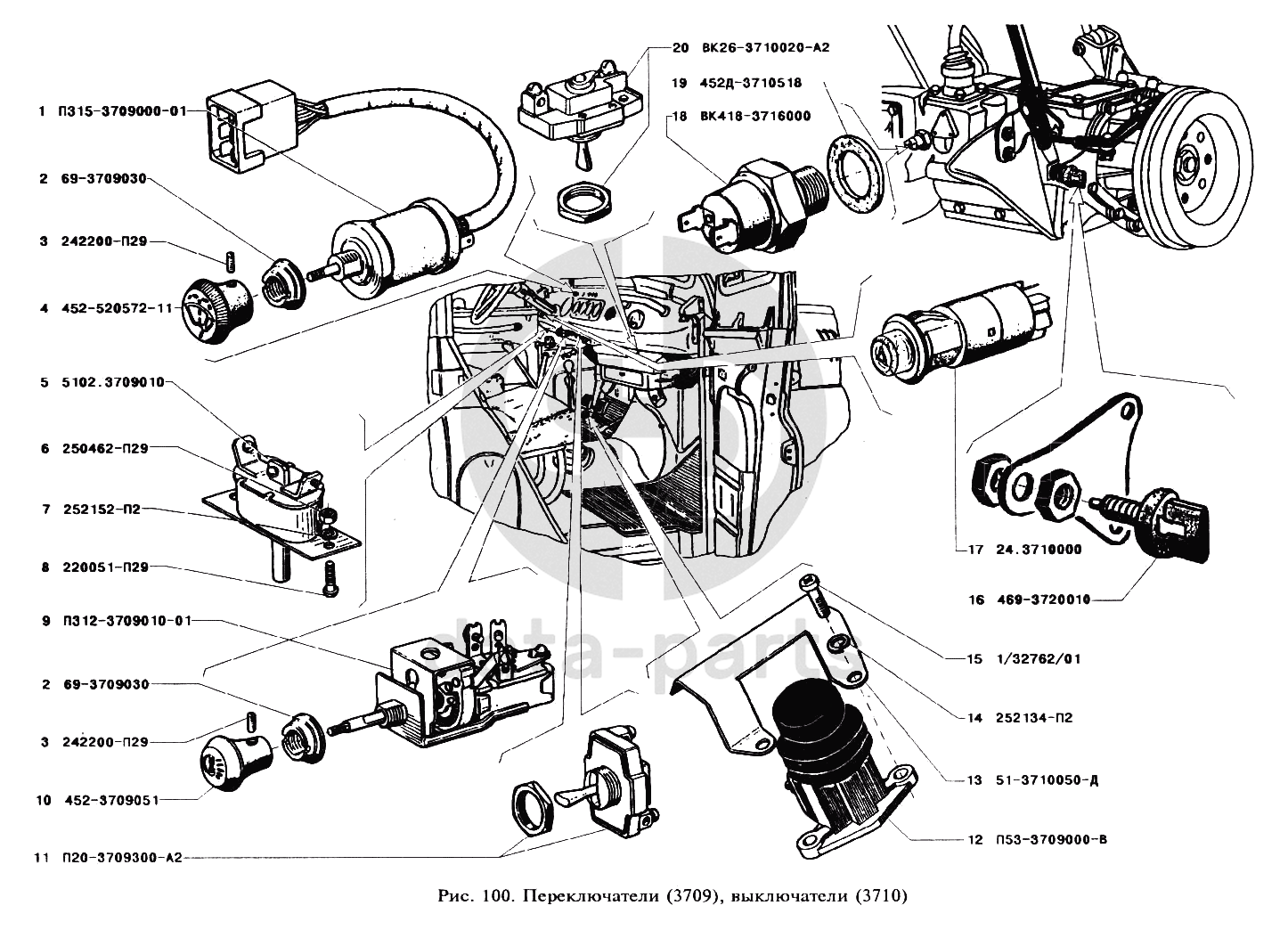
П315-3709000-01
Переключатель стеклоочистителя и стеклоомывателя в сборе
Кол-во
1
?
2
69-3709030
Гайка крепления переключателя
Кол-во
2
?
3
242200-П29
Винт М4х6
Кол-во
2
?
4
452-5205072-11
Ручка переключателя стеклоочистителя и стеклоомывателя
Кол-во
1
?
5
5102-3709010
Переключатель отопителя кузова в сборе
Кол-во
1
?
6
250462-П29
Гайка М4
Кол-во
2
?
7
252152-П2
Шайба 4 пружинная
Кол-во
2
?
8
220051-П29
Винт М4х10
Кол-во
2
?
9
П312-3709010-01
Переключатель света центральный в сборе
Кол-во
1
?
10
452-3709051
Ручка тяги центрального переключателя
Кол-во
1
?
11
П20-3709300-А2
Переключатель датчиков уровня топлива в сборе
Кол-во
1
?
12
П53-3709000-В
Переключатель света ножной в сборе
Кол-во
1
?
13
51-3710050-Д
Козырек защитный клемм ножного переключателя света
Кол-во
1
?
14
252134-П2
Шайба 6 пружинная
Кол-во
2
?
15
1/32762/01
Винт М6х16
Кол-во
2
?
16
469-3720010
Выключатель стояночной тормозной системы
Кол-во
1
?
17
24.3710000
Выключатель аварийной сигнализации в сборе
Кол-во
1
?
18
ВК418-3716000
Выключатель света заднего хода автомобиля в сборе
Кол-во
1
?
19
452Д-3710518
Прокладка выключателя света заднего хода автомобиля
Кол-во
1
?
20
ВК26-3710020-А2
Выключатель фонаря освещения кабины
Кол-во
1
?
Есть готовая заявка? Отправьте ее нам!
Если у вас уже есть список необходимых запчастей, загрузите файл с ним или укажите артикулы и названия запчастей в поле Комментарий, а также оставьте свои контактные данные. В течение рабочего дня мы оценим вашу заявку и отправим вам коммерческое предложение.
Отдел продаж

Если у вас уже есть готовая заявка на запасные части, то просто прикрепите файл с ней либо в поле «Комментарии» напишите артикулы и названия необходимых вам запчастей и оставьте контактные данные.

В течение рабочего дня мы выполним расчёт по вашей заявке и направим вам коммерческое предложение.

Только один файл.
Ограничение 128 МБ.
Допустимые типы: txt, rtf, pdf, doc, docx, odt, ppt, pptx, odp, xls, xlsx, ods.
пример: 89511234567 или +79511324567
Отправляя форму вы подтверждаете согласие с политикой обработки персональных данных.