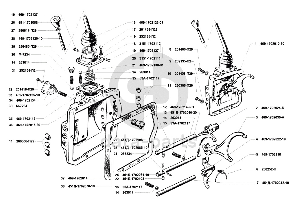
Механизм переключения передач УАЗ 31514

1
469-1702010-30
Механизм переключения передач в сборе
Кол-во
1
?
2
469-1702024-Б
Вилка 1-й и 2-й передач
Кол-во
1
?
3
469-1702030-А
Вилка 3-й и 4-й передач
Кол-во
1
?
4
469-1702022-10
Вилка заднего хода
Кол-во
1
?
5
469-1702110
Винт стопорный
Кол-во
3
?
6
258252-П
Шплинт-проволока 1,2х150
Кол-во
3
?
7
451Д-1702042-10
Шток заднего хода
Кол-во
1
?
8
201466-П29
Болт М8х45
Кол-во
4
?
9
252135-П2
Шайба 6 пружинная
Кол-во
10
?
В наличии
4 ₽
10
201458-П29
Болт М8х25
Кол-во
2
?
В наличии
10 ₽
11
260306-П29
Заглушка ф18 штоков
Кол-во
6
?
12
469-1702149-01
Предохранитель
Кол-во
1
?
13
451Д-1702040-20
Шток переключения 1 и 2 передач
Кол-во
1
?
14
263014
Шарик d=9,525
Кол-во
4
?
15
53А-1702117
Пружина фиксатора штоков переключения передач
Кол-во
3
?
16
469-1702123-01
Уплотнитель рычага переключения передач
Кол-во
1
?
В наличии
55 ₽
17
201458-П29
Болт М8х25
Кол-во
0
?
В наличии
10 ₽
18
3151-1702112
Крышка люка рычага переключения передач
Кол-во
1
?
19
469-1702127
Штифт рычага переключения передач
Кол-во
2
?
20
3151-1702111
Крышка люка рычага переключения со штифтами в сборе
Кол-во
1
?
21
469-1702130-01
Пружина рычага переключения передач
Кол-во
1
?
22
451Д-1702108
Плунжер замочный
Кол-во
2
?
23
451Д-1702085-10
Палец стопорный
Кол-во
1
?
24
258334
Штифт 2х8
Кол-во
1
?
25
451Д-1702071-10
Шток переключения 3 и 4 передач
Кол-во
1
?
26
451-1703088
Рукоятка рычага переключения передач
Кол-во
1
?
27
250611-П29
Гайка М8х1
Кол-во
1
?
28
469-1702120-10
Рычаг переключения передач
Кол-во
1
?
29
296485-П29
Пробка М 14х1,5
Кол-во
1
?
30
М-7234
Пружина шарика фиксатора штоков переключения
Кол-во
2
?
31
252154-П2
Шайба 6 пружинная
Кол-во
3
?
32
201418-П29
Болт М6х16
Кол-во
3
?
33
469-1702155-10
Крышка предохранителя
Кол-во
1
?
34
469-1702154
Прокладка крышки
Кол-во
1
?
35
469-1702113
Прокладка крышки люка рычага
Кол-во
1
?
36
469-1702015-30
Крышка механизма псреключения в сборе
Кол-во
1
?
37
469-1702014
Прокладка боковой крышки
Кол-во
1
?
38
451Д-1702070-10
Шток 3 и 4 передач в сборе
Кол-во
1
?
Есть готовая заявка? Отправьте ее нам!
Если у вас уже есть список необходимых запчастей, загрузите файл с ним или укажите артикулы и названия запчастей в поле Комментарий, а также оставьте свои контактные данные. В течение рабочего дня мы оценим вашу заявку и отправим вам коммерческое предложение.
Отдел продаж

Если у вас уже есть готовая заявка на запасные части, то просто прикрепите файл с ней либо в поле «Комментарии» напишите артикулы и названия необходимых вам запчастей и оставьте контактные данные.

В течение рабочего дня мы выполним расчёт по вашей заявке и направим вам коммерческое предложение.

Только один файл.
Ограничение 128 МБ.
Допустимые типы: txt, rtf, pdf, doc, docx, odt, ppt, pptx, odp, xls, xlsx, ods.
пример: 89511234567 или +79511324567
Отправляя форму вы подтверждаете согласие с политикой обработки персональных данных.