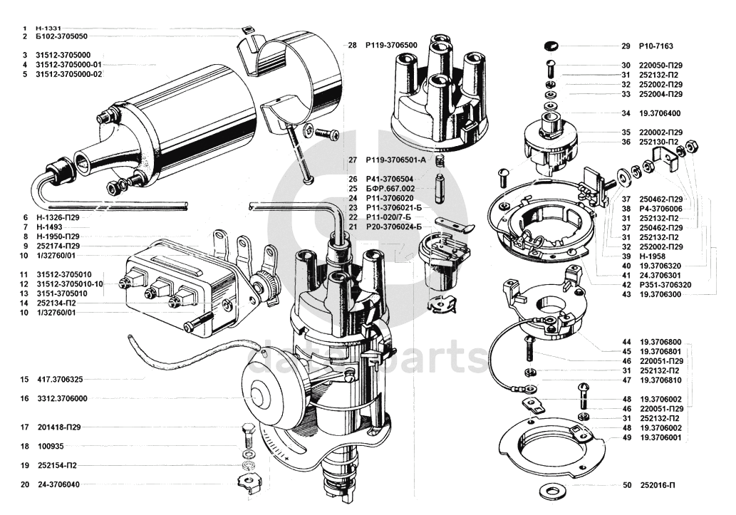
Катушка и распределитель зажигания УАЗ 31514

1
Н-1331
Гайка квадратная
Кол-во
1
?
2
Б102-3705050
Скоба
Кол-во
1
?
3
31512-3705000
Катушка зажигания Б116
Кол-во
1
?
4
31512-3705000-01
Катушка зажигания в сборе Б116-01
Кол-во
1
?
5
31512-3705000-02
Катушка зажигания Б116-02 в сборе
Кол-во
1
?
6
Н-1326-П29
Гайка специальная
Кол-во
2
?
7
Н-1493
Шайба 5
Кол-во
2
?
8
Н-1950-П29
Винт М5х40
Кол-во
1
?
9
252174-П29
Шайба 6 пружинная зубчатая с внутренними зубцами
Кол-во
2
?
10
1/32760/01
Винт М6х12
Кол-во
4
?
11
31512-3705010
Сопротивление добавочное 1402.3729
Кол-во
1
?
12
31512-3705010-10
Сопротивление добавочное 434151.001
Кол-во
1
?
13
3151-3705010
Резистор добавочный
Кол-во
1
?
14
252134-П2
Шайба 6 пружинная
Кол-во
2
?
15
417.3706325
Трубка вакуумного регулятора в сборе
Кол-во
1
?
16
3312.3706000
Датчик-распределитель в сборе
Кол-во
1
?
под заказ
цена по запросу
17
201418-П29
Болт М6х16
Кол-во
1
?
18
100935
Шайба 6
Кол-во
1
?
19
252154-П2
Шайба 6 пружинная
Кол-во
2
?
20
24-3706040
Скоба
Кол-во
1
?
21
Р20-3706024-Б
Пружина бегунка
Кол-во
1
?
22
Р11-020/7-Б
Бегунок
Кол-во
1
?
23
Р11-3706021-Б
Электрод бегунка
Кол-во
1
?
24
Р11-3706020
Бегунок в сборе
Кол-во
1
?
25
БФР.667.002
Уголек комбинированный
Кол-во
1
?
26
Р41-3706504
Пружина контактная
Кол-во
1
?
27
Р119-3706501-А
Крышка распределителя
Кол-во
1
?
28
Р119-3706500
Крышка распределителя в сборе
Кол-во
1
?
29
Р10-7163
Сальник
Кол-во
1
?
30
220050-П29
Винт М4х8
Кол-во
1
?
31
252132-П2
Шайба 4 пружинная
Кол-во
4
?
32
252002-П29
Шайба 4
Кол-во
2
?
33
252004-П29
Шайба 6
Кол-во
1
?
34
19.3706400
Ротор в сборе
Кол-во
1
?
35
220002-П29
Винт М3х20
Кол-во
3
?
36
252130-П2
Шайба 3 пружинная
Кол-во
3
?
37
250462-П29
Гайка М4
Кол-во
2
?
38
Р4-3706006
Скоба
Кол-во
1
?
39
Н-1958
Болт специальный
Кол-во
1
?
40
19.3706320
Вывод с изолятором в сборе
Кол-во
1
?
41
24.3706301
Пластина статора верхняя
Кол-во
1
?
42
Р351-3706320
Катушка с каркасом в сборе
Кол-во
1
?
43
19.3706300
Статор в сборе
Кол-во
1
?
44
19.3706800
Опора статора в сборе
Кол-во
1
?
45
19.3706801
Опора статора
Кол-во
1
?
46
220051-П29
Винт М4х10
Кол-во
2
?
47
19.3706810
Вывод в сборе
Кол-во
1
?
48
19.3706002
Держатель подшипника
Кол-во
2
?
49
19.3706001
Обойма подшипника
Кол-во
1
?
50
252016-П
Шайба 14
Кол-во
1
?
Есть готовая заявка? Отправьте ее нам!
Если у вас уже есть список необходимых запчастей, загрузите файл с ним или укажите артикулы и названия запчастей в поле Комментарий, а также оставьте свои контактные данные. В течение рабочего дня мы оценим вашу заявку и отправим вам коммерческое предложение.
Отдел продаж

Если у вас уже есть готовая заявка на запасные части, то просто прикрепите файл с ней либо в поле «Комментарии» напишите артикулы и названия необходимых вам запчастей и оставьте контактные данные.

В течение рабочего дня мы выполним расчёт по вашей заявке и направим вам коммерческое предложение.

Только один файл.
Ограничение 128 МБ.
Допустимые типы: txt, rtf, pdf, doc, docx, odt, ppt, pptx, odp, xls, xlsx, ods.
пример: 89511234567 или +79511324567
Отправляя форму вы подтверждаете согласие с политикой обработки персональных данных.