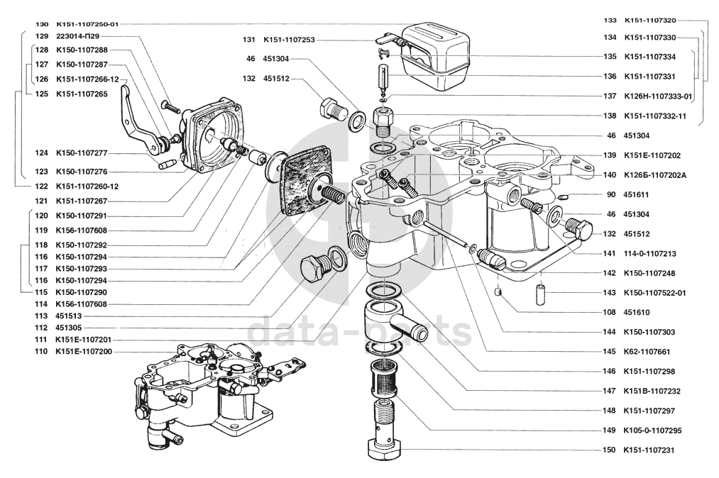
Карбюратор УАЗ 31519

46
451304
Прокладка штуцера
Кол-во
4
?
90
451611
Заглушка
Кол-во
3
?
108
451610
Заглушка
Кол-во
2
?
110
К151Е-1107200
Корпус поплавковой камеры в сборе
Кол-во
1
?
111
К151Е-1107201
Корпус поплавковой камеры
Кол-во
1
?
112
451305
Прокладка пробки
Кол-во
2
?
113
451513
Пробка М10х1х7
Кол-во
1
?
114
К156-1107608
Пружина
Кол-во
1
?
115
К150-1107290
Диафрагма
Кол-во
1
?
116
К150-1107294
Тарелка
Кол-во
2
?
117
К150-1107293
Диафрагма
Кол-во
2
?
118
К150-1107292
Чашка
Кол-во
1
?
119
К156-1107608
Пружина
Кол-во
0
?
120
К150-1107291
Колпачок
Кол-во
1
?
121
К151-1107267
Прокладка
Кол-во
1
?
122
К151-1107260-12
Крышка в сборе
Кол-во
1
?
123
К150-1107276
Крышка
Кол-во
1
?
124
К150-1107277
Ось
Кол-во
1
?
125
К151-1107265
Рычаг в сборе
Кол-во
1
?
126
К.151-1107266-12
Рычаг
Кол-во
1
?
127
К150-1107287
Ролик
Кол-во
1
?
128
К150-1107288
Ось
Кол-во
1
?
129
223014-П29
Винт М4х14
Кол-во
4
?
130
К151-1107250-01
Поплавок в сборе
Кол-во
1
?
131
К151-1107253
Рычаг поплавка
Кол-во
1
?
132
451512
Пробка М8х1х7
Кол-во
2
?
133
К151-1107320
Клапан подачи топлива
Кол-во
1
?
под заказ
цена по запросу
134
К151-1107330
Клапан игольчатый в сборе
Кол-во
1
?
135
К151-1107334
Пружина
Кол-во
1
?
136
К151-1107331
Игла клапана
Кол-во
1
?
137
К126Н-1107333-01
Шайба
Кол-во
1
?
138
К151-1107332-11
Корпус игольчатого клапана
Кол-во
1
?
139
К151Е-1107202
Жиклер
Кол-во
1
?
140
К126Б-1107202-А
Жиклер
Кол-во
1
?
141
114-0-1107213
Жиклер топливный
Кол-во
1
?
142
К150-1107248
Пробка
Кол-во
1
?
143
К150-1107522-01
Трубка
Кол-во
2
?
144
К150-1107303
Шайба
Кол-во
1
?
145
К62-1107661
Ось поплавка
Кол-во
1
?
146
К151-1107298
Шайба
Кол-во
1
?
147
К151В-1107232
Штуцер
Кол-во
1
?
148
К151-1107297
Шайба
Кол-во
1
?
149
К105-0-1107295
Сетка фильтра
Кол-во
1
?
150
К151-1107231
Болт штуцера
Кол-во
1
?
Есть готовая заявка? Отправьте ее нам!
Если у вас уже есть список необходимых запчастей, загрузите файл с ним или укажите артикулы и названия запчастей в поле Комментарий, а также оставьте свои контактные данные. В течение рабочего дня мы оценим вашу заявку и отправим вам коммерческое предложение.
Отдел продаж

Если у вас уже есть готовая заявка на запасные части, то просто прикрепите файл с ней либо в поле «Комментарии» напишите артикулы и названия необходимых вам запчастей и оставьте контактные данные.

В течение рабочего дня мы выполним расчёт по вашей заявке и направим вам коммерческое предложение.

Только один файл.
Ограничение 128 МБ.
Допустимые типы: txt, rtf, pdf, doc, docx, odt, ppt, pptx, odp, xls, xlsx, ods.
пример: 89511234567 или +79511324567
Отправляя форму вы подтверждаете согласие с политикой обработки персональных данных.