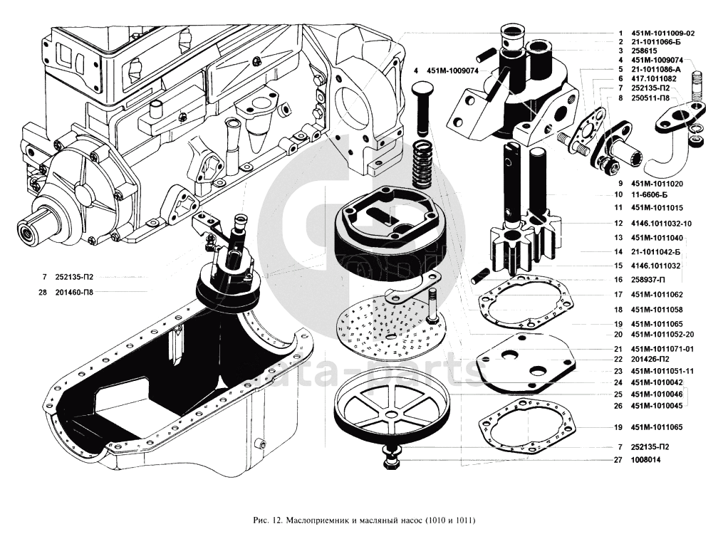
Маслоприемник и масляный насос УАЗ 3160

%
1
451М-1011009-02
Насос масляный с маслоприемником в сборе
Кол-во
1
?
2
21-1011066-Б
Втулка валика
Кол-во
1
?
3
258615
Штифт 4х20 крепления втулки валика
Кол-во
1
?
4
451М-1009074
Шпилька М8х1х16 крепления нагнетательной трубки к блоку
Кол-во
4
?
5
21-1011086-А
Прокладка фланца нагнетательной трубки
Кол-во
2
?
6
417.1011082
Трубка нагнетательная масляного насоса
Кол-во
1
?
В наличии
470 ₽
7
252135-П2
Шайба 6 пружинная
Кол-во
7
?
В наличии
4 ₽
8
250511-П8
Гайка М8
Кол-во
4
?
В наличии
10 ₽
9
451М-1011020
Корпус
Кол-во
1
?
10
11-6606-Б
Ось
Кол-во
1
?
11
451М-1011015
Корпус в сборе
Кол-во
1
?
12
4146-1011032-10
Шестерня
Кол-во
1
?
13
451М-1011040
Валик с шестерней в сборе
Кол-во
1
?
14
21-1011042-Б
Валик (4563210476)
Кол-во
1
?
15
4146.1011032
Шестерня
Кол-во
1
?
16
258937-П
Штифт 4х22
Кол-во
1
?
17
451М-1011062
Клапан редукционный
Кол-во
1
?
18
451М-1011058
Пружина редукционного клапана
Кол-во
1
?
19
451М-1011065
Прокладка крышки
Кол-во
2
?
20
451М-1011052-20
Крышка
Кол-во
1
?
21
451М-1011071-01
Пластина стопорная
Кол-во
1
?
22
201426-П2
Болт М6х35 крепления крышки
Кол-во
4
?
23
451М-1011051-11
Пластина
Кол-во
1
?
24
451М-1010042
Сетка маслопрнемника
Кол-во
1
?
25
451М-1010046
Каркас сетки маслоприемника
Кол-во
1
?
26
451М-1010045
Сетка с каркасом
Кол-во
1
?
27
1008014
Болт М8х14
Кол-во
1
?
28
201460-П8
Болт М8х30 крепления усилителя к картеру сцепления
Кол-во
2
?
Есть готовая заявка? Отправьте ее нам!
Если у вас уже есть список необходимых запчастей, загрузите файл с ним или укажите артикулы и названия запчастей в поле Комментарий, а также оставьте свои контактные данные. В течение рабочего дня мы оценим вашу заявку и отправим вам коммерческое предложение.
Отдел продаж

Если у вас уже есть готовая заявка на запасные части, то просто прикрепите файл с ней либо в поле «Комментарии» напишите артикулы и названия необходимых вам запчастей и оставьте контактные данные.

В течение рабочего дня мы выполним расчёт по вашей заявке и направим вам коммерческое предложение.

Только один файл.
Ограничение 128 МБ.
Допустимые типы: txt, rtf, pdf, doc, docx, odt, ppt, pptx, odp, xls, xlsx, ods.
пример: 89511234567 или +79511324567
Отправляя форму вы подтверждаете согласие с политикой обработки персональных данных.