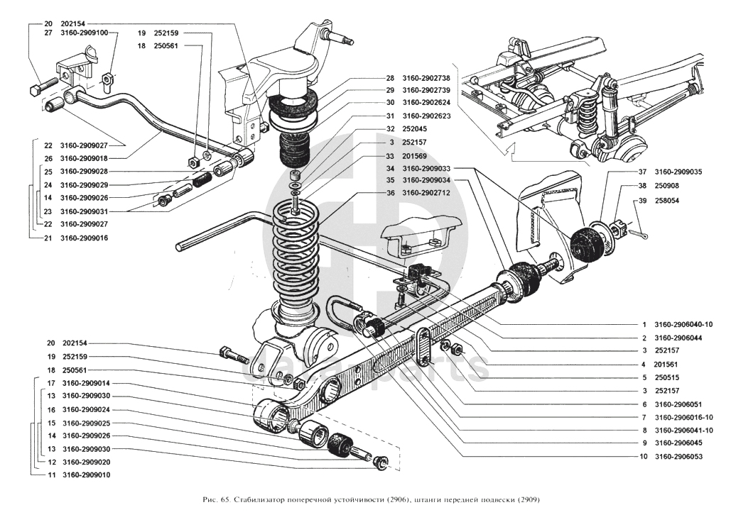
Стабилизатор поперечной устойчивости, штанги передней подвески УАЗ 3160

1
3160-2906040-10
Подушка штанги стабилизатора
Кол-во
2
?
2
3160-2906044
Обойма подушки нижняя
Кол-во
2
?
В наличии
115 ₽
3
252157
Шайба 12 пружинная
Кол-во
10
?
4
201561
Болт М12х1,25х25
Кол-во
4
?
5
250515
Гайка М12х1,25
Кол-во
4
?
6
3160-2906051
Пластина стремянки
Кол-во
2
?
7
3160-2906016-10
Штанга стабилизатора
Кол-во
1
?
8
3160-2906041-10
Подушка стабилизатора
Кол-во
2
?
В наличии
90 ₽
9
3160-2906045
Обойма подушки
Кол-во
2
?
10
3160-2906053
Стремянка штанги стабилизатора
Кол-во
2
?
11
3160-2909010
Штанга продольная с шарнирами в сборе
Кол-во
2
?
12
3160-2909020
Шарнир резино-металлический
Кол-во
4
?
13
3160-2909030
Втулка конусная
Кол-во
8
?
14
3160-2909026
Втулка внутренняя
Кол-во
6
?
15
3160-2909025
Втулка резиновая
Кол-во
4
?
16
3160-2909024
Втулка наружная
Кол-во
4
?
17
3160-2909014
Штанга продольная
Кол-во
2
?
18
250561
Гайка М16х1,5
Кол-во
5
?
19
252159
Шайба 16 пружинная
Кол-во
5
?
20
202154
Болт М16х1,5х85
Кол-во
6
?
21
3160-2909016
Тяга поперечная с шарнирами в сборе
Кол-во
1
?
22
3160-2909027
Шарнир резино-металлический
Кол-во
2
?
под заказ
цена по запросу
под заказ
цена по запросу
В наличии
360 ₽
23
3160-2909031
Втулка конусная
Кол-во
4
?
24
3160-2909029
Втулка резиновая
Кол-во
2
?
25
3160-2909028
Втулка наружная
Кол-во
2
?
26
3160-2909018
Тяга поперечная
Кол-во
1
?
27
3160-2909100
Пластина с гайкой
Кол-во
1
?
28
3160-2902738
Подушка опоры пружины
Кол-во
2
?
В наличии
160 ₽
29
3160-2902739
Опора пружины
Кол-во
2
?
В наличии
150 ₽
30
3160-2902624
Буфер
Кол-во
2
?
В наличии
360 ₽
31
3160-2902623
Втулка буфера
Кол-во
2
?
32
252045
Шайба 12
Кол-во
2
?
33
201569
Болт М12х1,25х45
Кол-во
2
?
34
3160-2909033
Втулка опорная конца продольной штанги
Кол-во
4
?
В наличии
150 ₽
В наличии
405 ₽
35
3160-2909034
Шайба 25,5
Кол-во
2
?
В наличии
110 ₽
36
3160-2902712
Пружина передней подвески
Кол-во
2
?
под заказ
цена по запросу
37
3160-2909035
Шайба 20,5
Кол-во
2
?
В наличии
120 ₽
38
250908
Гайка М20х 1,5
Кол-во
2
?
39
258054
Шплинт 4х32
Кол-во
2
?
Есть готовая заявка? Отправьте ее нам!
Если у вас уже есть список необходимых запчастей, загрузите файл с ним или укажите артикулы и названия запчастей в поле Комментарий, а также оставьте свои контактные данные. В течение рабочего дня мы оценим вашу заявку и отправим вам коммерческое предложение.
Отдел продаж

Если у вас уже есть готовая заявка на запасные части, то просто прикрепите файл с ней либо в поле «Комментарии» напишите артикулы и названия необходимых вам запчастей и оставьте контактные данные.

В течение рабочего дня мы выполним расчёт по вашей заявке и направим вам коммерческое предложение.

Только один файл.
Ограничение 128 МБ.
Допустимые типы: txt, rtf, pdf, doc, docx, odt, ppt, pptx, odp, xls, xlsx, ods.
пример: 89511234567 или +79511324567
Отправляя форму вы подтверждаете согласие с политикой обработки персональных данных.