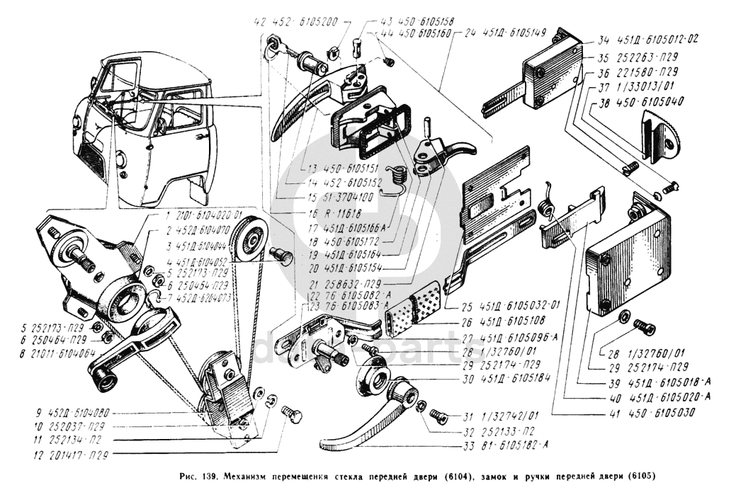
Механизм перемещения стекла передней двери, замок и ручки передней двери УАЗ 2206

1
2101-6104020-01
Стеклоподъемник в сборе
Кол-во
2
?
2
452Д-6104070
Розетка
Кол-во
2
?
3
451Д-6104044
Ролик
Кол-во
6
?
4
451Д-6104052
Ось ролика
Кол-во
6
?
5
252173-П29
Шайба 5 пружинная зубчатая с внутренними зубцами
Кол-во
6
?
6
250464-П29
Гайка М5
Кол-во
6
?
7
452Д-6204073
Пружина стопорная
Кол-во
2
?
8
21011-6104064
Ручка стеклоподъемника в сборе
Кол-во
2
?
9
452Д-6104080
Кронштейн в сборе
Кол-во
2
?
10
252037-П29
Шайба 6
Кол-во
4
?
11
252134-П2
Шайба 6 пружинная
Кол-во
4
?
12
201417-П29
Болт М6х14
Кол-во
4
?
13
450-6105151
Ручка двери в сборе
Кол-во
2
?
14
452-6105152
Цилиндр запора в сборе
Кол-во
2
?
15
51-3704100
Ключ выключателя зажигания
Кол-во
4
?
16
R-11618
Кольцо для ключей выключателя зажигания
Кол-во
2
?
17
451Д-6105166-А
Пружина
Кол-во
2
?
18
450-6105172
Прокладка ручки
Кол-во
2
?
19
451Д-6105164
Корпус ручки
Кол-во
2
?
20
451Д-6105154
Рычаг ручки в сборе
Кол-во
2
?
21
258632-П29
Штифт 5х30
Кол-во
2
?
22
76-6105082-А
Привод замка правый в сборе
Кол-во
1
?
23
76-6105083-А
Привод замка левый в сборе
Кол-во
1
?
24
451Д-6105149
Ручка двери наружная в сборе
Кол-во
2
?
25
451Д-6105032-01
Крышка замка двери
Кол-во
2
?
26
451Д-6105108
Чехол тяги
Кол-во
2
?
27
451Д-6105096-А
Тяга привода замка
Кол-во
2
?
28
1/32760/01
Винт М6х12
Кол-во
8
?
29
252174-П29
Шайба 6 пружинная зубчатая с внутренними зубцами
Кол-во
8
?
30
451Д-6105184
Розетка облицовочная
Кол-во
2
?
31
1/32742/01
Винт М5х16
Кол-во
2
?
32
252133-П2
Шайба 5 пружинная
Кол-во
2
?
33
81-6105182-А
Ручка внутренняя
Кол-во
2
?
34
451Д-6105012-02
Замок двери в сборе (453111414)
Кол-во
2
?
35
252263-П29
Шайба 6 пружинная зубчатая коническая с наружными зубцами
Кол-во
4
?
36
221580-П29
Винт М5х16
Кол-во
6
?
37
1/33013/01
Винт М6х16
Кол-во
4
?
38
450-6105040
Защелка замка двери
Кол-во
2
?
39
451Д-6105018-А
Корпус замка в сборе
Кол-во
2
?
40
451Д-6105020-А
Язык замка
Кол-во
2
?
41
450-6105030
Пружина замка
Кол-во
2
?
42
452-6105200
Кулачок цилиндра замка
Кол-во
2
?
43
450-6105158
Фиксатор ручки
Кол-во
2
?
44
450-6105160
Винт
Кол-во
4
?
Есть готовая заявка? Отправьте ее нам!
Если у вас уже есть список необходимых запчастей, загрузите файл с ним или укажите артикулы и названия запчастей в поле Комментарий, а также оставьте свои контактные данные. В течение рабочего дня мы оценим вашу заявку и отправим вам коммерческое предложение.
Отдел продаж

Если у вас уже есть готовая заявка на запасные части, то просто прикрепите файл с ней либо в поле «Комментарии» напишите артикулы и названия необходимых вам запчастей и оставьте контактные данные.

В течение рабочего дня мы выполним расчёт по вашей заявке и направим вам коммерческое предложение.

Только один файл.
Ограничение 128 МБ.
Допустимые типы: txt, rtf, pdf, doc, docx, odt, ppt, pptx, odp, xls, xlsx, ods.
пример: 89511234567 или +79511324567
Отправляя форму вы подтверждаете согласие с политикой обработки персональных данных.