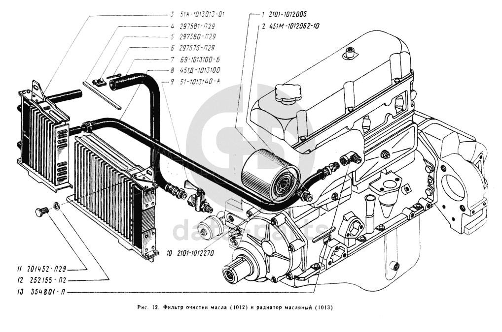
Фильтр очистки масла, радиатор масляный УАЗ 2206

1
2
3
4
5
6
7
8
9
10
11
12
13
%
1
2101-1012005
Фильтр очистки масла
Кол-во
1
?
2
451М-1012062-10
Штуцер крепления фильтра
Кол-во
1
?
3
51А-1013013-01
Масляный радиатор в сборе
Кол-во
1
?
4
297581-П29
Лента
Кол-во
2
?
5
297580-П29
Пряжка
Кол-во
2
?
6
297575-П29
Шплинт
Кол-во
2
?
7
69-1013100-Б
Шланг подводящий
Кол-во
1
?
8
451Д-1013100
Шланг отводящий
Кол-во
1
?
9
51-1013140-А
Краник
Кол-во
1
?
10
2101-1012270
Прокладка
Кол-во
1
?
11
201452-П29
Болт М8х12
Кол-во
4
?
12
252155-П2
Шайба 8 пружинная
Кол-во
4
?
13
354801-П
Штуцер угловой
Кол-во
1
?
Есть готовая заявка? Отправьте ее нам!
Если у вас уже есть список необходимых запчастей, загрузите файл с ним или укажите артикулы и названия запчастей в поле Комментарий, а также оставьте свои контактные данные. В течение рабочего дня мы оценим вашу заявку и отправим вам коммерческое предложение.
Отдел продаж

Если у вас уже есть готовая заявка на запасные части, то просто прикрепите файл с ней либо в поле «Комментарии» напишите артикулы и названия необходимых вам запчастей и оставьте контактные данные.

В течение рабочего дня мы выполним расчёт по вашей заявке и направим вам коммерческое предложение.

Только один файл.
Ограничение 128 МБ.
Допустимые типы: txt, rtf, pdf, doc, docx, odt, ppt, pptx, odp, xls, xlsx, ods.
пример: 89511234567 или +79511324567
Отправляя форму вы подтверждаете согласие с политикой обработки персональных данных.