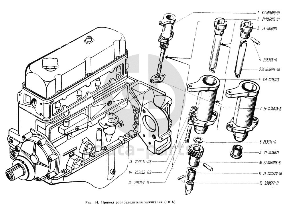
Привод распределителя зажигания УАЗ 2206

1
2
3
4
5
6
7
8
9
10
11
12
13
14
15
%
1
451-1016010-01
Привод распределителя в сборе
Кол-во
1
?
2
21-1016012-01
Валик привода распределителя с упорной втулкой в сборе
Кол-во
1
?
3
24-1016014
Втулка упорная валика привода
Кол-во
1
?
4
258599-П
Штифт 4х12
Кол-во
1
?
5
21-1016016-10
Валик привода
Кол-во
1
?
6
451-1016019
Корпус привода
Кол-во
1
?
7
21-1016023-Б
Прокладка
Кол-во
1
?
8
293371-П
Шайба упорная шестерни
Кол-во
1
?
9
21-1016021
Втулка корпуса привода
Кол-во
1
?
10
21-1016018-Б
Шестерня
Кол-во
1
?
11
21-1011220-10
Валик привода масляного насоса
Кол-во
1
?
12
258617
Штифт 4х25
Кол-во
2
?
13
250511-П8
Гайка М8
Кол-во
2
?
В наличии
10 ₽
14
252155-П2
Шайба 8 пружинная
Кол-во
2
?
15
291747-П
Шпилька М8х1х22 крепления масляного насоса к блоку
Кол-во
2
?
Есть готовая заявка? Отправьте ее нам!
Если у вас уже есть список необходимых запчастей, загрузите файл с ним или укажите артикулы и названия запчастей в поле Комментарий, а также оставьте свои контактные данные. В течение рабочего дня мы оценим вашу заявку и отправим вам коммерческое предложение.
Отдел продаж

Если у вас уже есть готовая заявка на запасные части, то просто прикрепите файл с ней либо в поле «Комментарии» напишите артикулы и названия необходимых вам запчастей и оставьте контактные данные.

В течение рабочего дня мы выполним расчёт по вашей заявке и направим вам коммерческое предложение.

Только один файл.
Ограничение 128 МБ.
Допустимые типы: txt, rtf, pdf, doc, docx, odt, ppt, pptx, odp, xls, xlsx, ods.
пример: 89511234567 или +79511324567
Отправляя форму вы подтверждаете согласие с политикой обработки персональных данных.