Трубопроводы топливные УАЗ 2206

1
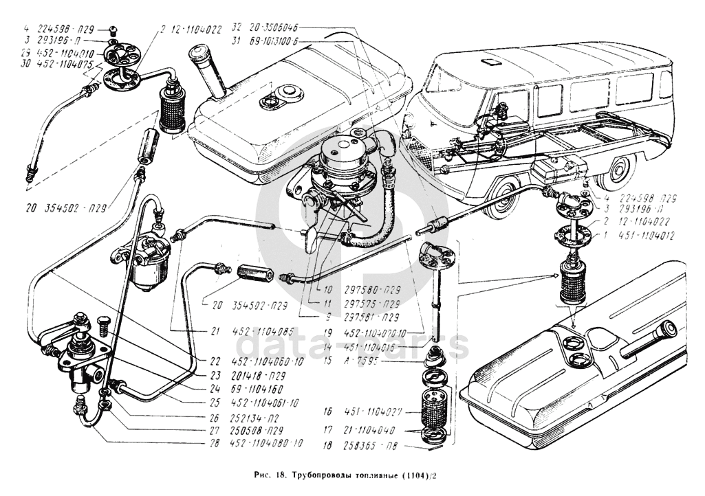
451-1104012
Трубка приемная топливопровода с фильтром в сборе
Кол-во
1
?
2
12-1104022
Прокладка фланца приемной трубки
Кол-во
2
?
В наличии
2 ₽
3
293196-П
Шайба 10
Кол-во
10
?
4
224598-П29
Винт М5х12
Кол-во
10
?
9
297581-П29
Лента
Кол-во
2
?
10
297580-П29
Пряжка
Кол-во
2
?
11
297575-П29
Шплинт
Кол-во
2
?
14
451-1104016
Трубка приемная топливопровода
Кол-во
1
?
15
А-7595
Пружина
Кол-во
2
?
16
451-1104027
Фильтр
Кол-во
2
?
17
21-1104040
Фланец
Кол-во
4
?
18
258365-П8
Штифт 3х20
Кол-во
2
?
19
452-1104070-10
Трубка топливопровода от основного топливного бака к соединительной муфте
Кол-во
1
?
20
354502-П29
Муфта соединительная топливопровода
Кол-во
2
?
21
452-1104085
Трубка от топливного отстойника к шлангу
Кол-во
1
?
22
452-1104060-10
Трубка топливопровода от соединительной муфты к кранику правая
Кол-во
1
?
23
201418-П29
Болт М6х16
Кол-во
3
?
24
69-1104160
Краник топливный в сборе
Кол-во
1
?
25
452-1104061-10
Трубка топливопровода от соединительной муфты к кранику левая
Кол-во
1
?
26
252134-П2
Шайба 6 пружинная
Кол-во
3
?
27
250508-П29
Гайка М6
Кол-во
3
?
28
452-1104080-10
Трубка топливопровода от фильтра к кранику
Кол-во
1
?
29
452-1104010
Трубка приемная дополнительного топливного бака
Кол-во
1
?
30
452-1104075
Трубка топливопровода от дополнительного топливного бака к соединительной муфте
Кол-во
1
?
31
69-1013100-Б
Шланг подводящий
Кол-во
1
?
32
20-3506046
Трубка защитная
Кол-во
4
?
Есть готовая заявка? Отправьте ее нам!
Если у вас уже есть список необходимых запчастей, загрузите файл с ним или укажите артикулы и названия запчастей в поле Комментарий, а также оставьте свои контактные данные. В течение рабочего дня мы оценим вашу заявку и отправим вам коммерческое предложение.
Отдел продаж

Если у вас уже есть готовая заявка на запасные части, то просто прикрепите файл с ней либо в поле «Комментарии» напишите артикулы и названия необходимых вам запчастей и оставьте контактные данные.

В течение рабочего дня мы выполним расчёт по вашей заявке и направим вам коммерческое предложение.

Только один файл.
Ограничение 128 МБ.
Допустимые типы: txt, rtf, pdf, doc, docx, odt, ppt, pptx, odp, xls, xlsx, ods.
пример: 89511234567 или +79511324567
Отправляя форму вы подтверждаете согласие с политикой обработки персональных данных.