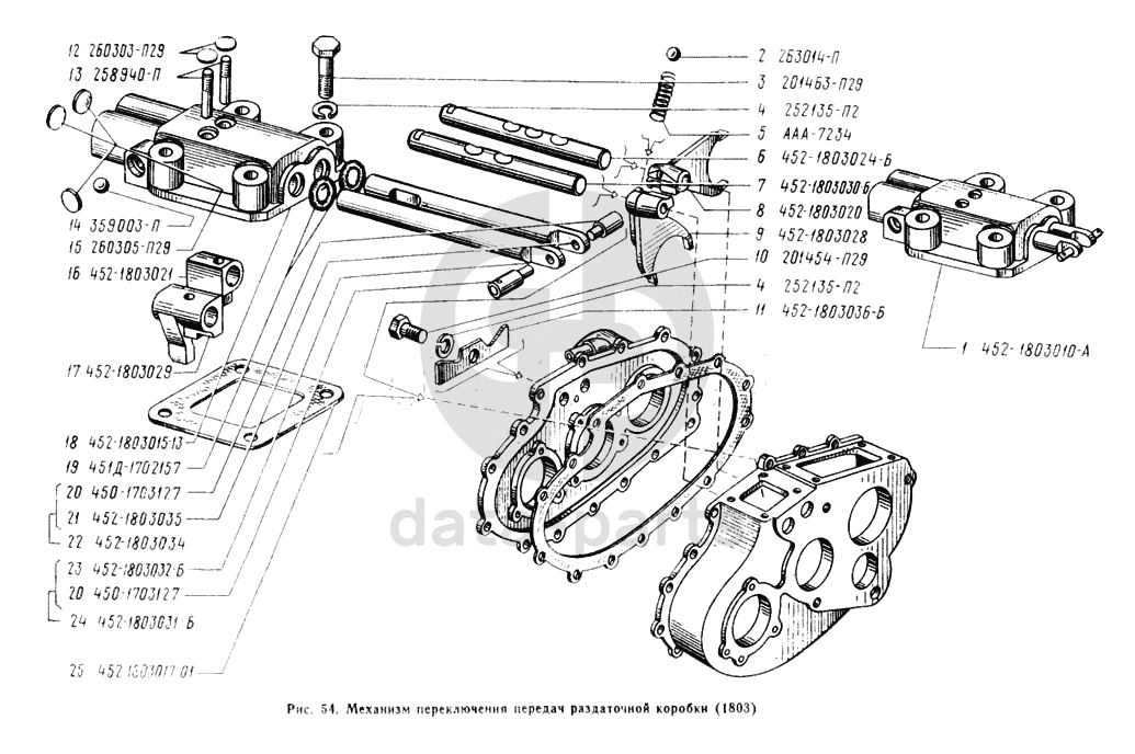
Механизм переключения передач раздаточной коробки УАЗ 2206

%
1
452-1803010-А
Крышка механизма переключения в сборе
Кол-во
1
?
2
263014-П
Шарик 3/8" штоков
Кол-во
1
?
3
201463-П29
Болт М8х38
Кол-во
4
?
В наличии
20 ₽
4
252135-П2
Шайба 6 пружинная
Кол-во
1
?
В наличии
4 ₽
5
ААА-7234
Пружина шарика фиксатора
Кол-во
1
?
6
452-1803024-Б
Шток вилки включения заднего моста
Кол-во
1
?
7
452-1803030-Б
Шток вилки включения переднего моста
Кол-во
1
?
8
452-1803020
Вилка включения заднего моста
Кол-во
1
?
9
452-1803028
Вилка включения переднего моста
Кол-во
1
?
10
201454-П29
Болт М8х16
Кол-во
1
?
11
452-1803036-Б
Стопор штоков вилок переключения
Кол-во
1
?
12
260303-П29
Заглушка ф12
Кол-во
2
?
13
258940-П
Штифт 4х30
Кол-во
2
?
14
359003-П
Шарик стопорный
Кол-во
1
?
15
260305-П29
Заглушка 16
Кол-во
3
?
16
452-1803021
Рычаг включения заднего моста
Кол-во
1
?
17
452-1803029
Рычаг включения переднего моста
Кол-во
1
?
18
452-1803015-13
Крышка
Кол-во
1
?
19
451Д-1702157
Кольцо уплотнительное штоков
Кол-во
2
?
20
450-1703127
Палец штока
Кол-во
2
?
21
452-1803035
Шток рычага включения заднего моста
Кол-во
1
?
22
452-1803034
Шток рычага включения заднего моста в сборе
Кол-во
1
?
23
452-1803032-Б
Шток рычага включения переднего моста
Кол-во
1
?
24
452-1803031-Б
Шток рычага включения переднего моста в сборе
Кол-во
1
?
25
452-1803017-01
Прокладка
Кол-во
1
?
Есть готовая заявка? Отправьте ее нам!
Если у вас уже есть список необходимых запчастей, загрузите файл с ним или укажите артикулы и названия запчастей в поле Комментарий, а также оставьте свои контактные данные. В течение рабочего дня мы оценим вашу заявку и отправим вам коммерческое предложение.
Отдел продаж

Если у вас уже есть готовая заявка на запасные части, то просто прикрепите файл с ней либо в поле «Комментарии» напишите артикулы и названия необходимых вам запчастей и оставьте контактные данные.

В течение рабочего дня мы выполним расчёт по вашей заявке и направим вам коммерческое предложение.

Только один файл.
Ограничение 128 МБ.
Допустимые типы: txt, rtf, pdf, doc, docx, odt, ppt, pptx, odp, xls, xlsx, ods.
пример: 89511234567 или +79511324567
Отправляя форму вы подтверждаете согласие с политикой обработки персональных данных.