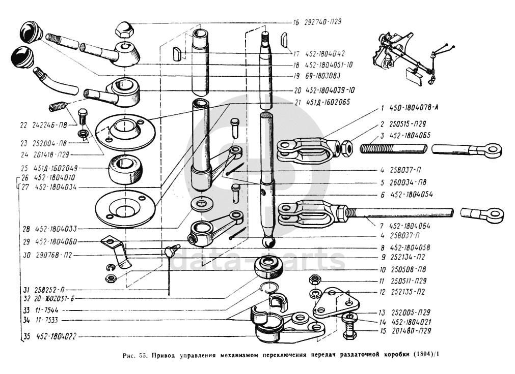
Привод управления механизмом переключения передач раздаточной коробки УАЗ 2206

1
450-1804078-А
Вилка тяги
Кол-во
2
?
2
250515-П29
Гайка М12х1,25
Кол-во
2
?
3
452-1804065
Тяга переключения передняя в сборе
Кол-во
2
?
4
258037-П
Шплинт 3,2х12
Кол-во
6
?
5
260034-П8
Палец 8х25
Кол-во
2
?
6
452-1804054
Вал включения переднего моста
Кол-во
1
?
7
452-1804064
Тяга переключения передняя с вилкой в сборе
Кол-во
2
?
8
452-1804058
Пружина упорная валов переключения
Кол-во
1
?
9
252134-П2
Шайба 6 пружинная
Кол-во
2
?
10
250508-П8
Гайка М
Кол-во
2
?
11
250511-П29
Гайка М8х1
Кол-во
3
?
12
252135-П2
Шайба 6 пружинная
Кол-во
5
?
В наличии
4 ₽
13
252005-П29
Шайба 8
Кол-во
7
?
14
452-1804021
Кронштейн опоры валов переключения
Кол-во
1
?
15
201480-П29
Болт М8х30
Кол-во
3
?
16
292740-П29
Гайка М8х1
Кол-во
1
?
17
452-1804042
Шпонка валов переключения
Кол-во
2
?
18
452-1804051-10
Рычаг включения переднего моста в сборе
Кол-во
1
?
19
69-1803083
Рукоятка рычагов переключения в сборе
Кол-во
2
?
20
452-1804039-10
Рычаг включения заднего моста в сборе
Кол-во
1
?
21
451Д-1602065
Корпус подшипника валика педали
Кол-во
2
?
22
242246-П8
Винт М8х18 рычага включения заднего моста
Кол-во
1
?
23
252004-П8
Шайба 6
Кол-во
2
?
24
201418-П29
Болт М6х16
Кол-во
2
?
25
451Д-1602049
Втулка сферическая
Кол-во
1
?
26
452-1804010
Валы переключения
Кол-во
1
?
27
452-1804034
Вал включения заднего моста
Кол-во
1
?
28
452-1804033
Шайба опорная
Кол-во
1
?
29
452-1804060
Поводок тяги включения переднего моста
Кол-во
1
?
30
290768-П2
Винт стопорный
Кол-во
1
?
31
258252-П
Шплинт-проволока 1,2х150
Кол-во
1
?
32
20-1692037-Б
Манжета защитная
Кол-во
1
?
33
11-7544
Кольцо стопорное поршня цилиндра привода выключения сцепления
Кол-во
1
?
34
11-7533
Сухарь
Кол-во
2
?
35
452-1804022
Опора валов переключения
Кол-во
1
?
Есть готовая заявка? Отправьте ее нам!
Если у вас уже есть список необходимых запчастей, загрузите файл с ним или укажите артикулы и названия запчастей в поле Комментарий, а также оставьте свои контактные данные. В течение рабочего дня мы оценим вашу заявку и отправим вам коммерческое предложение.
Отдел продаж

Если у вас уже есть готовая заявка на запасные части, то просто прикрепите файл с ней либо в поле «Комментарии» напишите артикулы и названия необходимых вам запчастей и оставьте контактные данные.

В течение рабочего дня мы выполним расчёт по вашей заявке и направим вам коммерческое предложение.

Только один файл.
Ограничение 128 МБ.
Допустимые типы: txt, rtf, pdf, doc, docx, odt, ppt, pptx, odp, xls, xlsx, ods.
пример: 89511234567 или +79511324567
Отправляя форму вы подтверждаете согласие с политикой обработки персональных данных.