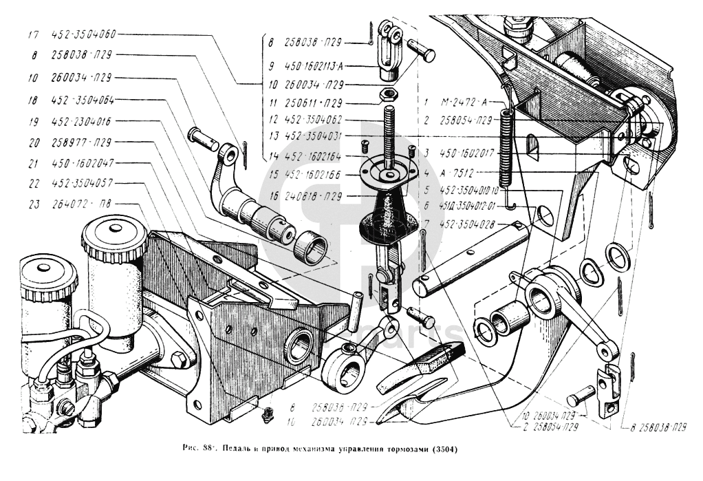
Педаль и привод механизма управления тормозами УАЗ 2206

%
1
М-2472-А
Пружина оттяжная рычага привода выключения сцепления
Кол-во
1
?
2
258054-П29
Шплинт 4х32
Кол-во
3
?
3
450-1602017
Шайба упорная
Кол-во
2
?
4
А-7512
Шайба нажимная валика педали привода выключения сцепления
Кол-во
1
?
5
452-3504010-10
Педаль тормоза
Кол-во
1
?
6
451Д-3504012-01
Втулка ступицы педали тормоза
Кол-во
1
?
7
452-3504028
Ось педали
Кол-во
1
?
8
258038-П29
Шплинт 3,2х16
Кол-во
4
?
9
450-1602113-А
Вилка регулировочная тяги привода
Кол-во
2
?
10
260034-П29
Палец 8х25
Кол-во
4
?
11
250611-П29
Гайка М8х1
Кол-во
2
?
12
452-3504062
Тяга привоза тормозов
Кол-во
1
?
13
452-3504031
Муфта тяги
Кол-во
2
?
14
452-1602164
Уплотнитель тяги
Кол-во
1
?
15
452-1602166
Кольцо уплотнителя
Кол-во
1
?
16
240818-П29
Винт 4х12
Кол-во
2
?
17
452-3504060
Тяга
Кол-во
1
?
18
452-3504064
Вал рычага
Кол-во
1
?
19
452-2304016
Втулка шкворня
Кол-во
2
?
20
258977-П29
Штифт 8х36
Кол-во
1
?
21
450-1602047
Накладка педали привода выключения сцепления
Кол-во
1
?
22
452-3504057
Рычаг
Кол-во
1
?
23
264072-П8
Масленка 1,1
Кол-во
1
?
Есть готовая заявка? Отправьте ее нам!
Если у вас уже есть список необходимых запчастей, загрузите файл с ним или укажите артикулы и названия запчастей в поле Комментарий, а также оставьте свои контактные данные. В течение рабочего дня мы оценим вашу заявку и отправим вам коммерческое предложение.
Отдел продаж

Если у вас уже есть готовая заявка на запасные части, то просто прикрепите файл с ней либо в поле «Комментарии» напишите артикулы и названия необходимых вам запчастей и оставьте контактные данные.

В течение рабочего дня мы выполним расчёт по вашей заявке и направим вам коммерческое предложение.

Только один файл.
Ограничение 128 МБ.
Допустимые типы: txt, rtf, pdf, doc, docx, odt, ppt, pptx, odp, xls, xlsx, ods.
пример: 89511234567 или +79511324567
Отправляя форму вы подтверждаете согласие с политикой обработки персональных данных.