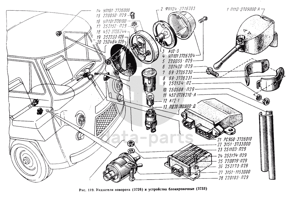
Указатели поворота, устройства блокировочные УАЗ 2206

1
П110-3709000-А
Переключатель указателя поворота
Кол-во
1
?
2
ФП124-3716203
Прокладка
Кол-во
2
?
3
А 12-5
Лампа электрическая
Кол-во
2
?
4
УП101-3726204
Рассеиватель
Кол-во
2
?
5
220055-П29
Винт М4х18
Кол-во
4
?
6
201420-П29
Болт М6х20
Кол-во
1
?
7
69-3726230
Стяжка верхняя хомута переключателя
Кол-во
1
?
8
69-3726231
Стяжка нижняя хомута переключателя
Кол-во
1
?
9
252134-П2
Шайба 6 пружинная
Кол-во
1
?
10
250508-П29
Гайка М6
Кол-во
1
?
11
452-3726210-А
Кожух защитный проводов
Кол-во
1
?
12
А12-1
Лампа электрическая
Кол-во
1
?
13
ПД20-3803000-Д
Фонарь контрольной лампы указателей поворота
Кол-во
1
?
14
УП101-3726000
Повторитель боковой указателя поворота
Кол-во
2
?
15
220050-П29
Винт М4х8
Кол-во
2
?
16
УП101-3726100
Основание в сборе
Кол-во
2
?
17
252152-П29
Шайба 4 пружинная
Кол-во
2
?
18
452-3726244
Уплотнитель боковою повторителя указателя поворота
Кол-во
2
?
19
252233-П29
Шайба 5 пружинная
Кол-во
4
?
20
250464-П29
Гайка М5
Кол-во
4
?
21
РС950-3726010
Прерыватель указателя поворота в сборе
Кол-во
1
?
В наличии
455 ₽
22
3151-3733000
Электронный блок управления карбюратором
Кол-во
1
?
23
251103-П29
Гайка М6
Кол-во
1
?
24
252174-П29
Шайба 6 пружинная зубчатая с внутренними зубцами
Кол-во
1
?
25
220079-П29
Винт М5х14
Кол-во
2
?
26
252173-П29
Шайба 5 пружинная зубчатая с внутренними зубцами
Кол-во
2
?
27
3151-1153000
Клапан электромагнитный в сборе
Кол-во
1
?
28
220103-П29
Винт М6х12
Кол-во
1
?
Есть готовая заявка? Отправьте ее нам!
Если у вас уже есть список необходимых запчастей, загрузите файл с ним или укажите артикулы и названия запчастей в поле Комментарий, а также оставьте свои контактные данные. В течение рабочего дня мы оценим вашу заявку и отправим вам коммерческое предложение.
Отдел продаж

Если у вас уже есть готовая заявка на запасные части, то просто прикрепите файл с ней либо в поле «Комментарии» напишите артикулы и названия необходимых вам запчастей и оставьте контактные данные.

В течение рабочего дня мы выполним расчёт по вашей заявке и направим вам коммерческое предложение.

Только один файл.
Ограничение 128 МБ.
Допустимые типы: txt, rtf, pdf, doc, docx, odt, ppt, pptx, odp, xls, xlsx, ods.
пример: 89511234567 или +79511324567
Отправляя форму вы подтверждаете согласие с политикой обработки персональных данных.