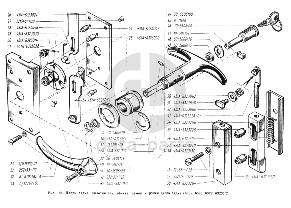
Замок и ручки двери задка УАЗ 3741

24
451А-6323042
Ось пружины замка
Кол-во
1
?
25
451А-6323020
Стойка корпуса замка
Кол-во
2
?
26
451А-6323024
Крышка замка
Кол-во
2
?
27
221548-П29
Винт М4х6
Кол-во
4
?
28
451А-6323046
Поводок замка в сборе
Кол-во
4
?
29
451А-6323030
Кулачок замка в сборе
Кол-во
2
?
30
451А-6323014
Корпус замка в сборе
Кол-во
2
?
31
451А-6323038
Пружина кулачка
Кол-во
2
?
32
81-6105182-А
Ручка внутренняя
Кол-во
2
?
33
1/32742/01
Винт М5х16
Кол-во
2
?
34
451А-6323054
Штифт поводка замка
Кол-во
4
?
35
30-5606130
Розетка наружной ручки
Кол-во
1
?
36
450-6323154
Кольцо стопорное ручки
Кол-во
1
?
37
357301-П8
Штифт специальный крепления цилиндра наружной ручки
Кол-во
1
?
38
451А-6323152
Ручка наружная правой двери задка
Кол-во
1
?
39
30-5606134
Прокладка розетки ручки
Кол-во
1
?
40
10-507716
Пружина ручки
Кол-во
1
?
41
30-5606125
Кольцо стопорное
Кол-во
1
?
42
252133-П29
Шайба 5 пружинная
Кол-во
2
?
43
451А-6323034
Упор пружины кулачка
Кол-во
2
?
44
30-5606180
Ключ наружной ручки
Кол-во
2
?
45
R-11618
Кольцо для ключей выключателя зажигания
Кол-во
1
?
46
30-5606160
Цилиндр наружной ручки в сборе
Кол-во
1
?
47
10-507714
Кулачок ручки
Кол-во
1
?
48
30-5606170
Шайба цилиндра
Кол-во
1
?
49
30-5606172
Пружина цилиндра
Кол-во
1
?
50
451А-6323062
Шайба штифта
Кол-во
4
?
51
451А-6323058
Штифт ступенчатый
Кол-во
4
?
52
451А-6323060
Пружина штифта
Кол-во
4
?
53
451А-6323228-01
Поводок языка в сборе
Кол-во
4
?
54
451А-6323206
Основание корпуса задвижки замка
Кол-во
4
?
55
451А-6323220
Стойка задвижки замка
Кол-во
8
?
56
451А-6323214
Пружина языка
Кол-во
4
?
57
451А-6323210
Язык задвижки замка
Кол-во
4
?
58
451А-6323130
Ручка правой двери наружная с розеткой в сборе
Кол-во
1
?
59
451А-6323204
Корпус задвижки замка
Кол-во
4
?
Есть готовая заявка? Отправьте ее нам!
Если у вас уже есть список необходимых запчастей, загрузите файл с ним или укажите артикулы и названия запчастей в поле Комментарий, а также оставьте свои контактные данные. В течение рабочего дня мы оценим вашу заявку и отправим вам коммерческое предложение.
Отдел продаж

Если у вас уже есть готовая заявка на запасные части, то просто прикрепите файл с ней либо в поле «Комментарии» напишите артикулы и названия необходимых вам запчастей и оставьте контактные данные.

В течение рабочего дня мы выполним расчёт по вашей заявке и направим вам коммерческое предложение.

Только один файл.
Ограничение 128 МБ.
Допустимые типы: txt, rtf, pdf, doc, docx, odt, ppt, pptx, odp, xls, xlsx, ods.
пример: 89511234567 или +79511324567
Отправляя форму вы подтверждаете согласие с политикой обработки персональных данных.