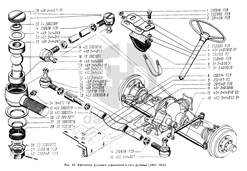
Крепление рулевого управления, тяги рулевые УАЗ 3741

1
250610-П29
Гайка М8
Кол-во
3
?
2
252005-П29
Шайба 8
Кол-во
3
?
3
201456-129
Болт М8х20
Кол-во
1
?
4
451-340301001
Кронштейн крепления колонки
Кол-во
1
?
5
252155-П2
Шайба 8 пружинная
Кол-во
1
?
6
51-3403021
Втулка стремянки
Кол-во
1
?
7
51-3403020
Стремянка крепления рулевого управления
Кол-во
1
?
8
250514-П29
Гайка М12
Кол-во
4
?
В наличии
16 ₽
под заказ
цена по запросу
9
252157-П2
Шайба 12 пружинная
Кол-во
4
?
10
201540-П29
Болт М12х30
Кол-во
4
?
11
451-3403016
Кронштейн крепления картера
Кол-во
1
?
12
451-3414010-03
Тяга сошки рулевого управления
Кол-во
1
?
13
452-3414052-01
Тяга рулевой трапеции в сборе
Кол-во
1
?
14
250638-П29
Гайка М18х1,5
Кол-во
3
?
15
452-3414057
Наконечник рулевых тяг
Кол-во
2
?
16
452-3003059
Гайка М18х1,5 левая
Кол-во
2
?
17
469-3414057
Наконечник рулевых тяг левый
Кол-во
1
?
18
20-3003032
Палец с шаровой головкой
Кол-во
4
?
19
469-3414066
Сухарь наконечника рулевых тяг
Кол-во
4
?
20
469-3414063-10
Наконечник рулевых тяг левый
Кол-во
1
?
21
469-3414062-10
Наконечник рулевых тяг правый
Кол-во
1
?
22
452-3414063
Наконечник
Кол-во
2
?
23
452-3414061
Наконечник с сухарями в сборе
Кол-во
2
?
24
469-3414060-10
Наконечник рулевых тяг с сухарем правый в сборе
Кол-во
1
?
25
469-3414061-10
Наконечник рулевых тяг с сухарем левый в сборе
Кол-во
1
?
26
469-3414056
Наконечник рулевых тяг правый в сборе
Кол-во
1
?
27
250978-П29
Гайка М14х1,5
Кол-во
4
?
28
452-3003058-Б
Штуцер регулировочный тяги рулевой трапеции
Кол-во
1
?
под заказ
цена по запросу
29
469-3414071-01
Заглушка наконечника
Кол-во
4
?
30
24-3003069
Пружина
Кол-во
4
?
31
469-3414068
Пята спорная
Кол-во
4
?
32
452-3414013
Тяга сошки
Кол-во
1
?
33
469-3414067
Вкладыш наконечника рулевых тяг
Кол-во
4
?
34
264072-П8
Масленка 1,1
Кол-во
4
?
35
452-3003054-Б
Тяга руленой трапеции
Кол-во
1
?
36
20-3003077
Шайба сферическая
Кол-во
4
?
37
20-3003076
Шайба сферическая верхняя
Кол-во
4
?
38
20-3003074
Кольцо защитное
Кол-во
4
?
39
20-3003072
Колпачок пружинный
Кол-во
4
?
40
258040-П29
Шплинт 3,2х25
Кол-во
4
?
Есть готовая заявка? Отправьте ее нам!
Если у вас уже есть список необходимых запчастей, загрузите файл с ним или укажите артикулы и названия запчастей в поле Комментарий, а также оставьте свои контактные данные. В течение рабочего дня мы оценим вашу заявку и отправим вам коммерческое предложение.
Отдел продаж

Если у вас уже есть готовая заявка на запасные части, то просто прикрепите файл с ней либо в поле «Комментарии» напишите артикулы и названия необходимых вам запчастей и оставьте контактные данные.

В течение рабочего дня мы выполним расчёт по вашей заявке и направим вам коммерческое предложение.

Только один файл.
Ограничение 128 МБ.
Допустимые типы: txt, rtf, pdf, doc, docx, odt, ppt, pptx, odp, xls, xlsx, ods.
пример: 89511234567 или +79511324567
Отправляя форму вы подтверждаете согласие с политикой обработки персональных данных.