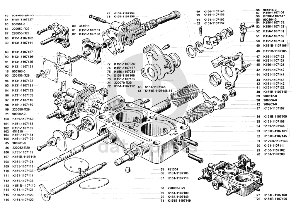
Карбюратор УАЗ 3741

12
900903-0
Шайба б пружинная
Кол-во
0
?
16
900906-0
Шайба 3
Кол-во
0
?
21
900902-0
Шайба 5
Кол-во
0
?
24
220079-П29
Винт М5х14
Кол-во
0
?
26
К151В-1107100
Корпус смесительных камер в сборе
Кол-во
1
?
27
К151Е-1107100
Корпус смесительных камер в сборе
Кол-во
0
?
28
К151-1107209
Штуцер
Кол-во
0
?
29
К150-1107182
Винт
Кол-во
2
?
30
К131-1107111
Трубка
Кол-во
1
?
31
К129Ж-1107143
Заглушка
Кол-во
2
?
32
К151В-1107145
Корпус смесительных камер с втулкой в сборе
Кол-во
1
?
33
К151В-1107101
Корпус смесительных камер
Кол-во
1
?
34
К151-1107146
Втулка
Кол-во
1
?
35
К151-1107108
Пружина
Кол-во
1
?
36
К151В-1107109
Пружина
Кол-во
1
?
37
К151-1107107
Рычаг
Кол-во
1
?
38
900806-0
Гайка М6х0,75
Кол-во
1
?
39
900812-0
Гайка М6
Кол-во
1
?
40
К151В-1107115
Привод в сборе
Кол-во
1
?
41
К151-1107122
Рычаг
Кол-во
1
?
42
К151-1107142
Втулка
Кол-во
2
?
43
К151-1107143
Шайба
Кол-во
1
?
44
К151-1107144
Шайба
Кол-во
1
?
45
К156-1107124
Ось ролика
Кол-во
1
?
46
К151-1107124
Ролик
Кол-во
1
?
47
К151-1107123
Втулка
Кол-во
1
?
48
К151В-1107105
Рычаг с поводком в сборе
Кол-во
1
?
49
К151В-1107106
Рычаг
Кол-во
1
?
50
К151-1107104
Поводок
Кол-во
1
?
51
К156-1107150
Винт в сборе
Кол-во
1
?
52
К156-1107151
Винт
Кол-во
1
?
53
К156-1107152
Ось
Кол-во
1
?
54
К156-1107153
Ролик
Кол-во
1
?
55
900804-0
Гайка М8х1
Кол-во
1
?
56
К63Ф-1107517
Гайка
Кол-во
1
?
57
К150-1107106
Шайба специальная
Кол-во
1
?
58
901016-0
Шайба 8,2х1,0
Кол-во
1
?
59
К156-1107146
Шайба
Кол-во
1
?
60
К156-1107156
Кольцо
Кол-во
1
?
61
К151-1107103
Рычаг
Кол-во
1
?
62
К151-1107137
Пружина
Кол-во
1
?
63
К151-1107148
Втулка
Кол-во
1
?
64
К151Е-1107148-11
Втулка
Кол-во
0
?
65
451304
Прокладка штуцера
Кол-во
3
?
66
К131-1107106
Штуцер
Кол-во
1
?
67
К151-1107116
Заглушка
Кол-во
1
?
68
220003-П29
Винт М3х8
Кол-во
7
?
69
К151-1107109
Заслонка дроссельная
Кол-во
1
?
70
К156-1107149
Заслонка дроссельная
Кол-во
1
?
71
К151Е-1107149
Заслонка дроссельная
Кол-во
0
?
72
К151-1107112
Скоба
Кол-во
1
?
73
К151-1107165
Шток в сборе
Кол-во
1
?
74
К151-1107166
Шток клапана
Кол-во
1
?
75
К156-1107283
Шайба
Кол-во
1
?
76
К151-1107167
Шайба
Кол-во
1
?
77
К151-1107386
Шайба
Кол-во
1
?
78
К151-1107156
Пружина
Кол-во
1
?
79
К151-1107154
Винт
Кол-во
1
?
80
451611
Заглушка
Кол-во
4
?
81
К151-1107151
Корпус экономайзера
Кол-во
1
?
82
К151-1107158
Прокладка
Кол-во
1
?
83
004-006-14-1-3
Кольцо
Кол-во
3
?
84
К151-1107227
Винт
Кол-во
2
?
85
900901-0
Шайба 4
Кол-во
10
?
86
220052-П29
Винт М4х12
Кол-во
4
?
87
220056-П29
Винт М4х20
Кол-во
4
?
88
К151-1107162
Крышка
Кол-во
1
?
89
К131-1107137
Корпус клапана экономайзера принудительного холостого хода
Кол-во
1
?
90
К131-1107136
Втулка
Кол-во
1
?
91
К131-1107135
Корпус клапана в сборе
Кол-во
1
?
92
К131-1107131
Диафрагма клапана экономайзера принудительного холостого хода
Кол-во
1
?
93
250458-П29
Гайка М3
Кол-во
1
?
94
К131-1107132
Шайба
Кол-во
2
?
95
К131-1107121
Прокладка
Кол-во
2
?
96
К131-1107133
Прокладка
Кол-во
1
?
97
К131-1107116
Пружина
Кол-во
1
?
98
К151-1107150
Экономайзер в сборе
Кол-во
1
?
99
220086-П29
Винт М5х30
Кол-во
1
?
100
К151-1107160
Клапан экономайзера в сборе
Кол-во
1
?
101
К151-1107168
Вытеснитель
Кол-во
1
?
102
К151-1107169
Вытеснитель
Кол-во
1
?
103
451610
Заглушка
Кол-во
1
?
104
К151-1107184
Прокладка
Кол-во
1
?
105
К.151-1107102
Шайба
Кол-во
0
?
106
К151-1107117
Втулка
Кол-во
1
?
107
К151В-1107119
Кулачок
Кол-во
1
?
108
К151-1107134
Втулка
Кол-во
1
?
109
К151-1107111
Валик
Кол-во
1
?
110
К151-1107133
Шайба
Кол-во
1
?
111
К151-1107114
Пружина
Кол-во
1
?
112
К151-1107136
Золотник
Кол-во
1
?
113
К151В-1107110
Валик в сборе
Кол-во
1
?
114
К151-1107121
Валик
Кол-во
1
?
115
К150-1107123
Рычаг
Кол-во
1
?
116
К151-1107120
Валик с рычагом
Кол-во
1
?
Есть готовая заявка? Отправьте ее нам!
Если у вас уже есть список необходимых запчастей, загрузите файл с ним или укажите артикулы и названия запчастей в поле Комментарий, а также оставьте свои контактные данные. В течение рабочего дня мы оценим вашу заявку и отправим вам коммерческое предложение.
Отдел продаж

Если у вас уже есть готовая заявка на запасные части, то просто прикрепите файл с ней либо в поле «Комментарии» напишите артикулы и названия необходимых вам запчастей и оставьте контактные данные.

В течение рабочего дня мы выполним расчёт по вашей заявке и направим вам коммерческое предложение.

Только один файл.
Ограничение 128 МБ.
Допустимые типы: txt, rtf, pdf, doc, docx, odt, ppt, pptx, odp, xls, xlsx, ods.
пример: 89511234567 или +79511324567
Отправляя форму вы подтверждаете согласие с политикой обработки персональных данных.