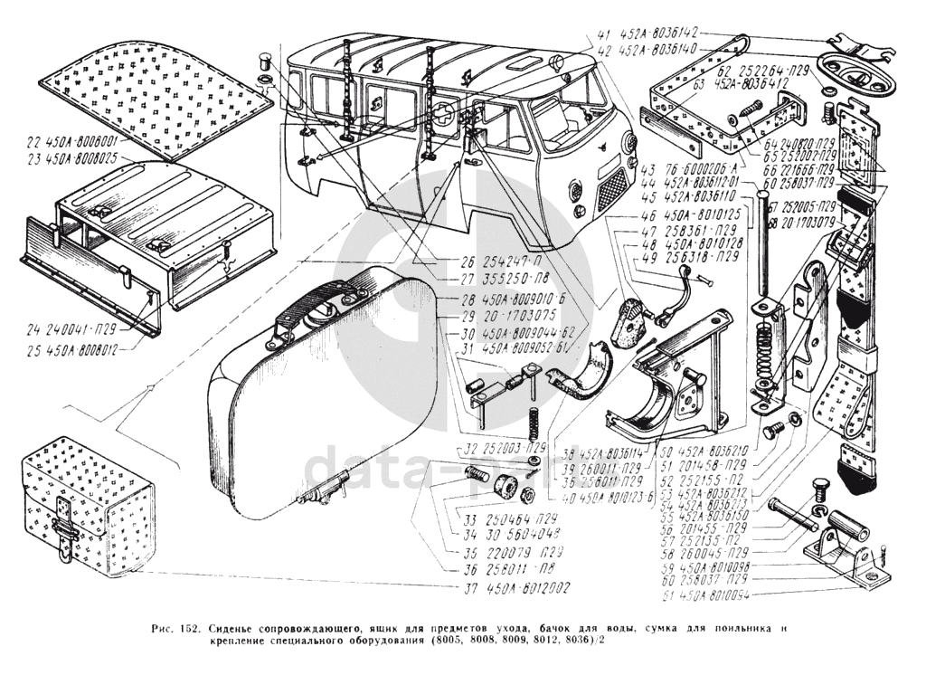
Ящик для предметов ухода, бачок для воды, сумка для поильника, крепление специального оборудования УАЗ 3962

22
450А-8008025
Верх кармана
Кол-во
0
?
23
450А-8008001
Ящик в сборе без дверки
Кол-во
0
?
24
240041-П29
Винт 5х30
Кол-во
0
?
25
450А-8008012
Дверка ящика в сборе
Кол-во
0
?
26
254247-П
Заклепка 3х 6
Кол-во
0
?
27
355250-П8
Шайба специальная
Кол-во
0
?
28
450А-8009010-Б
Бачок для воды в сборе
Кол-во
0
?
29
20-1703075
Пружина наконечника
Кол-во
0
?
30
450А-8009044-Б2
Держатель в сборе
Кол-во
0
?
31
450А-8009052-Б1
Прокладка держателя
Кол-во
0
?
32
252003-П29
Шайба 5
Кол-во
0
?
В наличии
3 ₽
33
250464-П29
Гайка М5
Кол-во
0
?
34
30-5604048
Буфер стекла окна перегородки
Кол-во
0
?
35
220079-П29
Винт М5х14
Кол-во
0
?
36
258011-П8
Шплинт 2х10
Кол-во
0
?
37
450А-8012002
Сумка для поильника в сборе
Кол-во
0
?
38
452А-3036114
Корпус кронштейна носилок в сборе
Кол-во
0
?
39
260011-П29
Палец 6х8
Кол-во
0
?
40
450А-8010123-Б
Прокладка кронштейна крепления носилок
Кол-во
0
?
41
452А-8036142
Пружина держателя
Кол-во
0
?
42
452А-8036140
Держатель ремня подвески носилок
Кол-во
0
?
43
76-6000206-А
Ремень крепления шин в сборе
Кол-во
0
?
44
452А-8036112-01
Ось петли кронштейна носилок в сборе
Кол-во
0
?
45
452А-8036110
Кронштейн носилок в сборе
Кол-во
0
?
46
450А-8010125
Кулачок кронштейна крепления носилок
Кол-во
0
?
47
258361-П29
Штифт цилиндрический
Кол-во
0
?
48
450А-8010128
Пружина кулачка кронштейна
Кол-во
0
?
49
256318-П29
Заклепка 3х8х16
Кол-во
0
?
50
452А-8036210
Петля кронштейна носилок наружная
Кол-во
0
?
51
201458-П29
Болт М8х25
Кол-во
0
?
В наличии
10 ₽
52
252155-П2
Шайба 8 пружинная
Кол-во
0
?
53
452А-8036212
Угольник крепления петли кронштейна носилок правый в сборе
Кол-во
0
?
54
452А-8036213
Угольник крепления петли кронштейна носилок левый в сборе
Кол-во
0
?
55
452А-8036150
Ремень подвески носилок в сборе
Кол-во
0
?
56
201455-П29
Болт М8х18
Кол-во
0
?
57
252135-П2
Шайба 6 пружинная
Кол-во
0
?
В наличии
4 ₽
58
260045-П29
Палец 8х55
Кол-во
0
?
59
450А-8010098
Втулка кронштейна
Кол-во
0
?
60
258037-П29
Шплинт 3х12
Кол-во
0
?
61
450А-8010094
Подкладка с кронштейном в сборе
Кол-во
0
?
62
252264-П29
Шайба 8 пружинная зубчатая
Кол-во
0
?
63
452А-8036412
Пластина крепления ремня
Кол-во
0
?
64
240820-П29
Винт 4х18
Кол-во
0
?
65
252002-П29
Шайба 4
Кол-во
0
?
66
221666-П29
Винт М8х25
Кол-во
0
?
67
252005-П29
Шайба 8
Кол-во
0
?
68
20-1703079
Пружина крышки кожуха центральной стойки
Кол-во
0
?
Есть готовая заявка? Отправьте ее нам!
Если у вас уже есть список необходимых запчастей, загрузите файл с ним или укажите артикулы и названия запчастей в поле Комментарий, а также оставьте свои контактные данные. В течение рабочего дня мы оценим вашу заявку и отправим вам коммерческое предложение.
Отдел продаж

Если у вас уже есть готовая заявка на запасные части, то просто прикрепите файл с ней либо в поле «Комментарии» напишите артикулы и названия необходимых вам запчастей и оставьте контактные данные.

В течение рабочего дня мы выполним расчёт по вашей заявке и направим вам коммерческое предложение.

Только один файл.
Ограничение 128 МБ.
Допустимые типы: txt, rtf, pdf, doc, docx, odt, ppt, pptx, odp, xls, xlsx, ods.
пример: 89511234567 или +79511324567
Отправляя форму вы подтверждаете согласие с политикой обработки персональных данных.