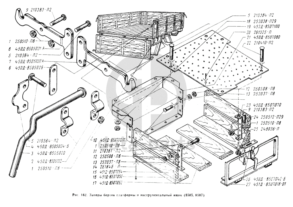
Запоры бортов, ящик инструментальный УАЗ 3962

%
1
250510-П8
Гайка М8
Кол-во
0
?
2
450Д-8505022
Скоба запора бортов платформы
Кол-во
0
?
3
450Д-8505020
Запор бортов платформы
Кол-во
0
?
4
450Д-8505024-Б
Подкладка скобы крепления запора на усилителе
Кол-во
0
?
5
210384-П2
Болт М8х45
Кол-во
0
?
6
450Д-8505026
Подкладка скобы крепления запора на петле
Кол-во
0
?
7
450Д-8505030-А
Крюк запора бортов платформы правый
Кол-во
0
?
8
450Д-8505031-А
Крюк запора бортов платформы левый
Кол-во
0
?
9
210383-П2
Болт М8х40 крепления петли к доскам борт
Кол-во
0
?
10
451Д-8507010-01
Ящик инструментальный в сборе
Кол-во
0
?
11
210361-П2
Болт М6х35 крещения крайнего усилителя борта
Кол-во
0
?
12
250508-П8
Гайка М
Кол-во
0
?
13
252037-П8
Шайба 6
Кол-во
0
?
14
261846-П
Гвоздь 3х70 крепления досок
Кол-во
0
?
15
451Д-8507054
Доска боковой стенки инструментальной ящика
Кол-во
0
?
16
451Д-8507050
Доска днища инструментального ящика крайняя
Кол-во
0
?
17
451Д-8507052
Доска днища инструментального ящика средняя
Кол-во
0
?
18
252038-П29
Шайба 8
Кол-во
0
?
В наличии
2 ₽
19
452Д-8507100
Верх инструментального ящика
Кол-во
0
?
20
261325-П
Гвоздь 2х20
Кол-во
0
?
21
450Д-8507080
Стенка инструментального ящика задняя сборе
Кол-во
0
?
22
210410-П2
Болт М10х50 крепления нижней петли к полу
Кол-во
0
?
23
450Д-8507070
Скоба боковой стенки инструментального ящика
Кол-во
0
?
24
250512-П29
Гайка М10
Кол-во
0
?
В наличии
10 ₽
25
248036-П
Шуруп 5х 25 крепления облицовки
Кол-во
0
?
26
450Д-8507042-Б
Гнездо запора крышки инструментального ящика
Кол-во
0
?
27
451Д-8507018-01
Крышка инструментального ящика с усилителем в сборе
Кол-во
0
?
Есть готовая заявка? Отправьте ее нам!
Если у вас уже есть список необходимых запчастей, загрузите файл с ним или укажите артикулы и названия запчастей в поле Комментарий, а также оставьте свои контактные данные. В течение рабочего дня мы оценим вашу заявку и отправим вам коммерческое предложение.
Отдел продаж

Если у вас уже есть готовая заявка на запасные части, то просто прикрепите файл с ней либо в поле «Комментарии» напишите артикулы и названия необходимых вам запчастей и оставьте контактные данные.

В течение рабочего дня мы выполним расчёт по вашей заявке и направим вам коммерческое предложение.

Только один файл.
Ограничение 128 МБ.
Допустимые типы: txt, rtf, pdf, doc, docx, odt, ppt, pptx, odp, xls, xlsx, ods.
пример: 89511234567 или +79511324567
Отправляя форму вы подтверждаете согласие с политикой обработки персональных данных.