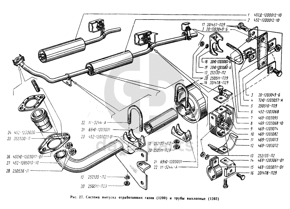
Система выпуска отработавших газов, трубы выхлопные УАЗ 3962

1
452-1200012-10
Глушитель с выпускной трубой в сборе
Кол-во
1
?
2
452Д-1200012-10
Глушитель с выпускной трубой в сборе
Кол-во
0
?
3
20-1203049-Б
Накладка ремня подвески выпускной трубы глушителя
Кол-во
2
?
4
72Ю-1203057-А
Ремень подвески выпускной трубы глушителя
Кол-во
1
?
5
250510-П29
Гайка М8
Кол-во
2
?
6
452-1203068
Скоба подвески выпускной трубы
Кол-во
1
?
7
469-1203095
Кронштейн подвески выпускной трубы
Кол-во
1
?
8
469-1203068-10
Кронштейн подвески глушителя
Кол-во
1
?
9
469-1203074
Пружина подвески верхняя
Кол-во
1
?
10
469-1203082
Накладка ремня подвески глушителя
Кол-во
1
?
11
469-1203073
Пружина нижняя подвески
Кол-во
1
?
12
469-1203072
Ремень подвески глушителя
Кол-во
1
?
13
252135-П2
Шайба 6 пружинная
Кол-во
9
?
В наличии
4 ₽
14
469-1203061-01
Тяга задней подвески глушителя
Кол-во
1
?
15
469-1203071-01
Хомут задней подвески
Кол-во
1
?
16
201478-П29
Болт М8х25
Кол-во
3
?
17
201457-П29
Болт М8х22
Кол-во
2
?
18
20Ю-1203085-Б
Стремянка хомута крепления скобы
Кол-во
1
?
19
20Ю-1203080-Б
Хомут крепления скобы к выпускной трубе глушителя
Кол-во
1
?
20
250511-П29
Гайка М8х1
Кол-во
9
?
21
69Ю-1203031
Хомут приемной трубы
Кол-во
2
?
22
11-5244-А
Стремянка приемной трубы
Кол-во
2
?
23
452-1203025-01
Кронштейн приемной трубы
Кол-во
1
?
24
452-1203020
Прокладка фланца приемной трубы
Кол-во
1
?
25
353300-П
Шпилька М10х28
Кол-во
2
?
26
452Ю-1203017-01
Фланец приемной трубы
Кол-во
1
?
27
452-1203010-10
Труба приемная глушителя
Кол-во
1
?
28
250536-П
Гайка М10х32
Кол-во
4
?
Есть готовая заявка? Отправьте ее нам!
Если у вас уже есть список необходимых запчастей, загрузите файл с ним или укажите артикулы и названия запчастей в поле Комментарий, а также оставьте свои контактные данные. В течение рабочего дня мы оценим вашу заявку и отправим вам коммерческое предложение.
Отдел продаж

Если у вас уже есть готовая заявка на запасные части, то просто прикрепите файл с ней либо в поле «Комментарии» напишите артикулы и названия необходимых вам запчастей и оставьте контактные данные.

В течение рабочего дня мы выполним расчёт по вашей заявке и направим вам коммерческое предложение.

Только один файл.
Ограничение 128 МБ.
Допустимые типы: txt, rtf, pdf, doc, docx, odt, ppt, pptx, odp, xls, xlsx, ods.
пример: 89511234567 или +79511324567
Отправляя форму вы подтверждаете согласие с политикой обработки персональных данных.