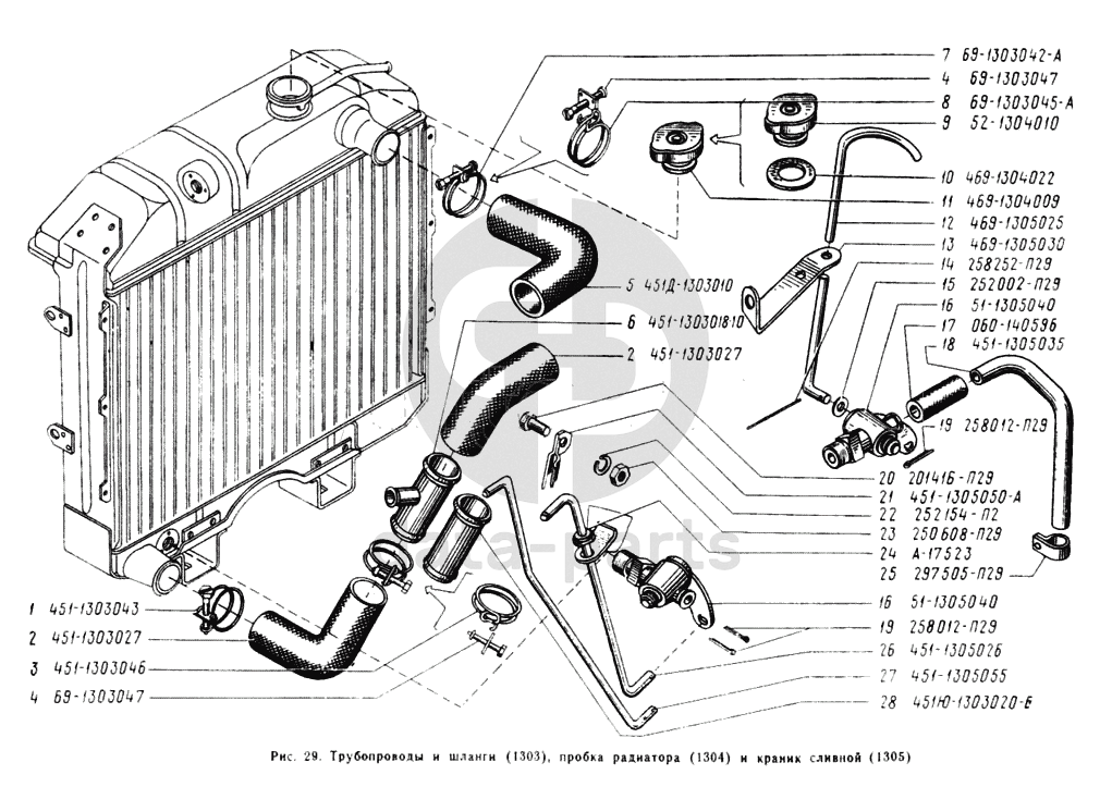
Трубопроводы и шланги, пробка радиатора и краник сливной УАЗ 3962

1
451-1303043
Хомут 56 отводящего шланга радиатора в сборе
Кол-во
4
?
2
451-1303027
Шланг радиатора отводящий
Кол-во
2
?
3
451-1303046
Хомут 56
Кол-во
1
?
4
69-1303047
Болт хомута в сборе
Кол-во
2
?
5
451Д-1303010
Шланг радиатора подводящий
Кол-во
1
?
6
451-1303018-10
Труба отводящая в сборе
Кол-во
1
?
7
69-1303042-А
Хомут ф50 подводящего шланга в сборе
Кол-во
2
?
8
69-1303045-А
Хомут ф50
Кол-во
1
?
9
52-1304010
Пробка радиатора в сборе
Кол-во
1
?
В наличии
380 ₽
10
469-1304022
Прокладка пробки радиатора
Кол-во
1
?
11
469-1304009
Пробка радиатора с прокладкой в сборе
Кол-во
1
?
12
469-1305025
Тяга управления сливным краником блока цилиндров
Кол-во
1
?
13
469-1305030
Кронштейн тяги управления краником блока цилиндров
Кол-во
1
?
14
258252-П29
Шплинт-проволока 1,2х150
Кол-во
1
?
15
252002-П29
Шайба 4
Кол-во
1
?
16
51-1305040
Краник сливной радиатора в сборе
Кол-во
2
?
17
060-140596
Шланг слива охлаждающей жидкости
Кол-во
1
?
18
451-1305035
Трубка слива охлаждающей жидкости из блока цилиндров двигателя
Кол-во
1
?
19
258012-П29
Шплинт 2х12
Кол-во
3
?
20
201416-П29
Болт М6х12
Кол-во
1
?
В наличии
5 ₽
21
451-1305050-А
Кронштейн тяги управления сливным краником в сборе
Кол-во
1
?
22
252154-П2
Шайба 6 пружинная
Кол-во
1
?
23
250608-П29
Гайка М6
Кол-во
1
?
24
А-17523
Уплотнитель тяги
Кол-во
1
?
25
297505-П29
Скоба крепления трубки слива охлаждающей жидкости
Кол-во
1
?
26
451-1305026
Тяга управления краником радиатора
Кол-во
1
?
27
451-1305055
Тяга управления сливным краником
Кол-во
1
?
28
451Ю-1303020-Б
Труба отводящая
Кол-во
1
?
Есть готовая заявка? Отправьте ее нам!
Если у вас уже есть список необходимых запчастей, загрузите файл с ним или укажите артикулы и названия запчастей в поле Комментарий, а также оставьте свои контактные данные. В течение рабочего дня мы оценим вашу заявку и отправим вам коммерческое предложение.
Отдел продаж

Если у вас уже есть готовая заявка на запасные части, то просто прикрепите файл с ней либо в поле «Комментарии» напишите артикулы и названия необходимых вам запчастей и оставьте контактные данные.

В течение рабочего дня мы выполним расчёт по вашей заявке и направим вам коммерческое предложение.

Только один файл.
Ограничение 128 МБ.
Допустимые типы: txt, rtf, pdf, doc, docx, odt, ppt, pptx, odp, xls, xlsx, ods.
пример: 89511234567 или +79511324567
Отправляя форму вы подтверждаете согласие с политикой обработки персональных данных.