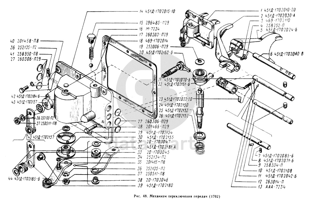
Механизм переключения передач УАЗ 3962

1
451Д-1702010-20
Механизм переключения передач в сборе
Кол-во
1
?
2
451Д-1702030-А
Вилка переключения 3-й и 4-й передач
Кол-во
1
?
3
469-1702110
Винт стопорный
Кол-во
3
?
4
258252-П
Шплинт-проволока 1,2х150
Кол-во
3
?
5
451Д-1702024-Б
Вилка переключения 1-й и 4-й передач
Кол-во
1
?
6
451Д-1702040-В
Шток 1-й и 2-й передач
Кол-во
1
?
7
451Д-1702085-Б
Палец стопорный
Кол-во
1
?
8
451Д-1702071-Б
Шток 3-й и 4-й передач
Кол-во
1
?
9
258334-П
Штифт 2х8
Кол-во
1
?
10
451Д-1702108
Плунжер замочный
Кол-во
2
?
11
451Д-1702042-Б
Шток заднего хода
Кол-во
1
?
12
263014-П
Шарик 3/8" штоков
Кол-во
3
?
13
ААА-7234
Пружина шарика фиксатора
Кол-во
2
?
14
451Д-1702015-10
Крышка боковая
Кол-во
1
?
15
296485-П29
Пробка М 14х1,5
Кол-во
1
?
16
М-7234
Пружина шарика фиксатора штоков переключения
Кол-во
1
?
17
260303-П29
Заглушка ф12
Кол-во
1
?
18
469-1702014
Прокладка боковой крышки
Кол-во
1
?
19
252006-П29
Шайба 10
Кол-во
1
?
В наличии
5 ₽
под заказ
цена по запросу
20
451Д-1702160-Б
Рычаг избирательный
Кол-во
1
?
21
451Д-1702070-Б
Шток 3-й и 4-й передач в сборе
Кол-во
1
?
22
451Д-1702151-Б
Муфта скользящая
Кол-во
1
?
23
451Д-1702022-20
Вилка включения заднего хода
Кол-во
1
?
24
451Д-1702150
Вал муфты
Кол-во
1
?
25
451Д-1702153
Седло отаашной пружины
Кол-во
1
?
26
451Д-1702152
Пружина отжимная муфты переключения
Кол-во
1
?
27
260306-П29
Заглушка ф18 штоков
Кол-во
6
?
28
201466-П29
Болт М8х45
Кол-во
1
?
29
451Д-1702154
Прокладка крышки вала (0,453111065)
Кол-во
1
?
30
451Д-1702155
Крышка вала
Кол-во
1
?
31
20-1703047
Шайба втулки
Кол-во
1
?
32
451Д-1702181-А
Рычаг переключения передач
Кол-во
1
?
33
20-1703045
Подушка противошумная
Кол-во
2
?
34
252134-П2
Шайба 6 пружинная
Кол-во
3
?
35
201415-П8
Болт М6х10
Кол-во
3
?
36
252135-П2
Шайба 6 пружинная
Кол-во
9
?
В наличии
4 ₽
37
250511-П8
Гайка М8
Кол-во
2
?
В наличии
10 ₽
38
20-1703046
Втулка противошумной подушки
Кол-во
3
?
39
451Д-1702180
Рычаг переключения передач
Кол-во
1
?
40
201458-П8
Болт М8х25
Кол-во
6
?
41
258950-П8
Штифт 5х30 с накаткой
Кол-во
1
?
42
451Д-1702184-Б
Рычаг избирательный
Кол-во
1
?
43
451Д-1702157
Кольцо уплотнительное штоков
Кол-во
1
?
44
451Д-1702185-Б
Рычаг избирательный
Кол-во
1
?
Есть готовая заявка? Отправьте ее нам!
Если у вас уже есть список необходимых запчастей, загрузите файл с ним или укажите артикулы и названия запчастей в поле Комментарий, а также оставьте свои контактные данные. В течение рабочего дня мы оценим вашу заявку и отправим вам коммерческое предложение.
Отдел продаж

Если у вас уже есть готовая заявка на запасные части, то просто прикрепите файл с ней либо в поле «Комментарии» напишите артикулы и названия необходимых вам запчастей и оставьте контактные данные.

В течение рабочего дня мы выполним расчёт по вашей заявке и направим вам коммерческое предложение.

Только один файл.
Ограничение 128 МБ.
Допустимые типы: txt, rtf, pdf, doc, docx, odt, ppt, pptx, odp, xls, xlsx, ods.
пример: 89511234567 или +79511324567
Отправляя форму вы подтверждаете согласие с политикой обработки персональных данных.