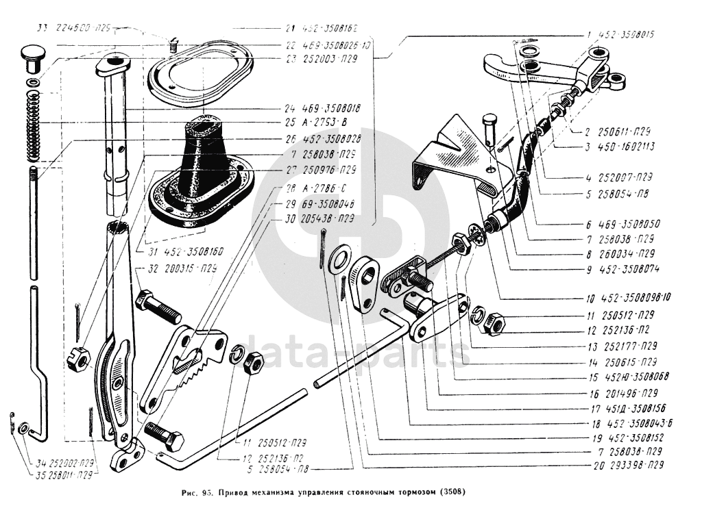
Привод механизма управления стояночным тормозом 3508 УАЗ 3962

1
452-3508015
Рычаг стояночного тормоза с сектором в сборе
Кол-во
1
?
2
250611-П29
Гайка М8х1
Кол-во
2
?
3
450-1602113
Вилка регулировочная троса
Кол-во
1
?
4
252007-П29
Шайба 14
Кол-во
1
?
5
258054-П8
Шплинт 4х32
Кол-во
2
?
6
469-3508050
Рычаг привода стояночного тормоза
Кол-во
1
?
7
258038-П29
Шплинт 3,2х16
Кол-во
5
?
8
260034-П29
Палец 8х25
Кол-во
2
?
9
452-3508074
Трубка защитная троса
Кол-во
1
?
10
452-3508098-10
Кронштейн крепления защитной трубки троса
Кол-во
1
?
11
250512-П29
Гайка М10
Кол-во
4
?
В наличии
10 ₽
12
252136-П2
Шайба 10 пружинная
Кол-во
4
?
13
252177-П29
Шайба 12 пружинная с наружными зубцами
Кол-во
1
?
14
250615-П29
Гайка М12
Кол-во
1
?
15
452Ю-3508068
Трос в сборе
Кол-во
1
?
16
201496-П29
Болт М10х22
Кол-во
2
?
17
451Д-3508156
Опора промежуточного рычага
Кол-во
1
?
18
452-3508043-Б
Тяга
Кол-во
1
?
19
452-3508152
Рычаг промежуточный
Кол-во
1
?
20
293398-П29
Шайба 15 крепления промежуточного рычага
Кол-во
1
?
21
452-3508162
Обойма прижимная уплотнителя панели пола под рычаг
Кол-во
1
?
22
469-3508026-10
Головка тяги собачки рычага стояночного тормоза
Кол-во
1
?
23
252003-П29
Шайба 5
Кол-во
1
?
В наличии
3 ₽
24
469-3508018
Рычаг стояночного тормоза
Кол-во
1
?
25
А-2793-В
Пружина тяги собачки рычага стояночного тормоза
Кол-во
1
?
26
452-3508028
Тяга собачки рычага
Кол-во
1
?
27
250976-П29
Гайка М10х1
Кол-во
1
?
28
А-2786-С
Собачка рычага
Кол-во
1
?
29
69-3508048
Сектор рычага
Кол-во
1
?
30
205438-П29
Болт М10х1х30 крепления рычага стояночного тормоза к сектору
Кол-во
1
?
31
452-3508160
Уплотнитель панели пола под рыча!
Кол-во
1
?
32
200315-П29
Болт М10х40
Кол-во
2
?
33
224600-П29
Винт М5х16 крепления кронштейна
Кол-во
2
?
34
252002-П29
Шайба 4
Кол-во
1
?
35
258011-П29
Шплинт 2х10
Кол-во
1
?
Есть готовая заявка? Отправьте ее нам!
Если у вас уже есть список необходимых запчастей, загрузите файл с ним или укажите артикулы и названия запчастей в поле Комментарий, а также оставьте свои контактные данные. В течение рабочего дня мы оценим вашу заявку и отправим вам коммерческое предложение.
Отдел продаж

Если у вас уже есть готовая заявка на запасные части, то просто прикрепите файл с ней либо в поле «Комментарии» напишите артикулы и названия необходимых вам запчастей и оставьте контактные данные.

В течение рабочего дня мы выполним расчёт по вашей заявке и направим вам коммерческое предложение.

Только один файл.
Ограничение 128 МБ.
Допустимые типы: txt, rtf, pdf, doc, docx, odt, ppt, pptx, odp, xls, xlsx, ods.
пример: 89511234567 или +79511324567
Отправляя форму вы подтверждаете согласие с политикой обработки персональных данных.