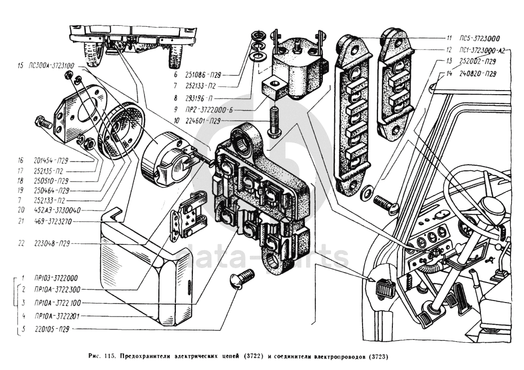
Предохранители электрических цепей, соединители электропроводов УАЗ 3962

%
1
ПР103-3722000
Блок предохранителей
Кол-во
1
?
2
ПР10А-3722300
Вставка предохранительная блока предохранителей в сборе
Кол-во
3
?
3
ПР10А-3722100
Корпус блока предохранителей в сборе
Кол-во
1
?
4
ПР-10А-3722201
Крышка корпуса блока предохранителей
Кол-во
1
?
5
220105-П29
Винт М6х16
Кол-во
2
?
6
251086-П29
Гайка М6
Кол-во
2
?
7
252133-П2
Шайба 5 пружинная
Кол-во
2
?
8
293196-П
Шайба 10
Кол-во
2
?
9
ПР2-3722000-Б
Предохранитель термобиметаллический в сборе
Кол-во
1
?
10
224601-П29
Винт М5х18
Кол-во
2
?
11
ПС5-3723000
Панель соединительная
Кол-во
1
?
12
ПС1-3723000-А2
Панель соединительная
Кол-во
3
?
13
252002-П29
Шайба 4
Кол-во
8
?
14
240820-П29
Винт 4х18
Кол-во
8
?
15
ПС300А-3723100
Розетка штепсельная прицепа
Кол-во
0
?
16
201454-П29
Болт М8х16
Кол-во
0
?
17
252135-П2
Шайба 6 пружинная
Кол-во
0
?
В наличии
4 ₽
18
250510-П29
Гайка М8
Кол-во
0
?
19
250464-П29
Гайка М5
Кол-во
0
?
20
452АЭ-3730040
Кронштейн крепления штепсельной розетки
Кол-во
0
?
21
469-3723270
Втулка уплотнительная
Кол-во
0
?
22
223048-П29
Винт М5
Кол-во
0
?
Есть готовая заявка? Отправьте ее нам!
Если у вас уже есть список необходимых запчастей, загрузите файл с ним или укажите артикулы и названия запчастей в поле Комментарий, а также оставьте свои контактные данные. В течение рабочего дня мы оценим вашу заявку и отправим вам коммерческое предложение.
Отдел продаж

Если у вас уже есть готовая заявка на запасные части, то просто прикрепите файл с ней либо в поле «Комментарии» напишите артикулы и названия необходимых вам запчастей и оставьте контактные данные.

В течение рабочего дня мы выполним расчёт по вашей заявке и направим вам коммерческое предложение.

Только один файл.
Ограничение 128 МБ.
Допустимые типы: txt, rtf, pdf, doc, docx, odt, ppt, pptx, odp, xls, xlsx, ods.
пример: 89511234567 или +79511324567
Отправляя форму вы подтверждаете согласие с политикой обработки персональных данных.