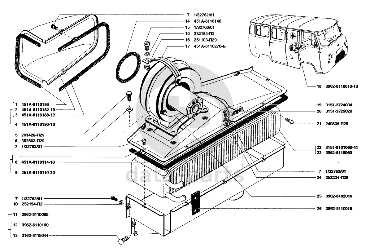
Отопление кузова УАЗ-37419

%
1
451А-8110186
Прокладка кожуха передняя
Кол-во
1
?
2
451А-8110182-10
Кожух воздухозаборника
Кол-во
1
?
3
451A-8110138-10
Прокладка кожуха воздухозаборника
Кол-во
1
?
4
451А-8110182-10
Кожух воздухозаборника
Кол-во
0
?
5
201420-П29
Болт М6х20
Кол-во
4
?
6
352503-П29
Шайба 6,5
Кол-во
4
?
7
1/32762/01
Винт М6х16
Кол-во
17
?
8
451A-8110114-10
Прокладка крышки
Кол-во
1
?
9
451А-8110110-20
Крышка кожуха в сборе
Кол-во
1
?
10
252154-П2
Шайба 6 пружинная
Кол-во
11
?
11
3962-8110098
Кожух радиатора отопителя
Кол-во
1
?
12
3962-8110100
Кожух радиатора
Кол-во
1
?
13
3162-8119044
Пробка
Кол-во
2
?
14
451A-8110140
Прокладка кожуха вентилятора
Кол-во
1
?
15
1/32760/01
Винт М6х12
Кол-во
1
?
16
251103-П29
Гайка М6
Кол-во
1
?
17
451А-8110270-Б
Скоба крепления вентилятора
Кол-во
1
?
18
3962-8110010-10
Отопитель
Кол-во
1
?
19
3151-3724034
Провод ««массы»» электродвигателя отопителя
Кол-во
1
?
20
3151-3729020
Сопротивление типа СЭ 300
Кол-во
1
?
21
240836-П29
Винт М5х12
Кол-во
2
?
22
3151-8101060-41
Радиатор отопителя
Кол-во
1
?
23
3962-8101060
Радиатор отопителя
Кол-во
1
?
24
252234-П29
Шайба 6 пружинная зубчатая с наружными зубцами
Кол-во
1
?
25
3962-8102010
Вентилятор
Кол-во
1
?
26
3962-8110118
Прокладка трубок радиатора
Кол-во
1
?
Есть готовая заявка? Отправьте ее нам!
Если у вас уже есть список необходимых запчастей, загрузите файл с ним или укажите артикулы и названия запчастей в поле Комментарий, а также оставьте свои контактные данные. В течение рабочего дня мы оценим вашу заявку и отправим вам коммерческое предложение.
Отдел продаж

Если у вас уже есть готовая заявка на запасные части, то просто прикрепите файл с ней либо в поле «Комментарии» напишите артикулы и названия необходимых вам запчастей и оставьте контактные данные.

В течение рабочего дня мы выполним расчёт по вашей заявке и направим вам коммерческое предложение.

Только один файл.
Ограничение 128 МБ.
Допустимые типы: txt, rtf, pdf, doc, docx, odt, ppt, pptx, odp, xls, xlsx, ods.
пример: 89511234567 или +79511324567
Отправляя форму вы подтверждаете согласие с политикой обработки персональных данных.