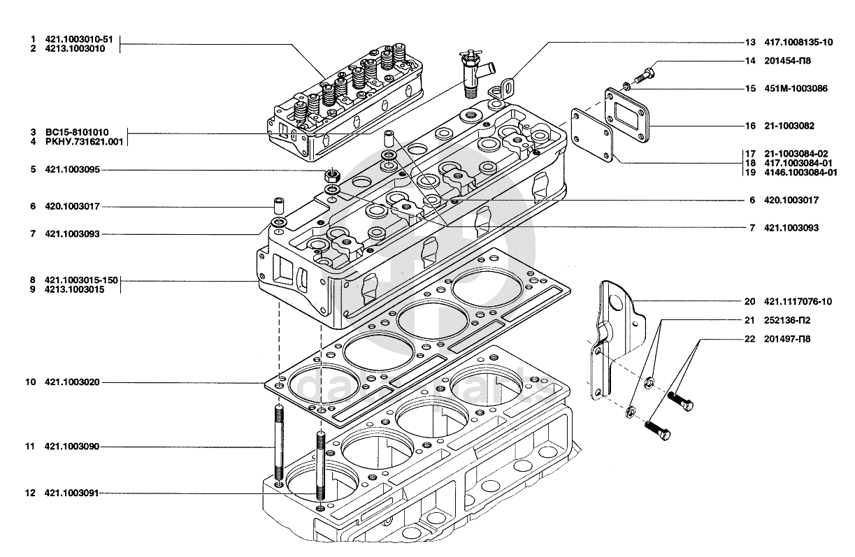
Головка цилиндров двигателя УАЗ-37419

1
2
3
4
5
6
6
7
7
8
9
10
11
12
13
14
15
16
17
18
19
20
21
22
%
1
421.1003010-51
Головка блока цилиндров с клапанами в сборе
Кол-во
1
?
2
4213.100301
Головка блока цилиндров с клапанами в сборе
Кол-во
0
?
3
BC15-8101010
Кран ВС-15
Кол-во
1
?
4
РКНУ.731621.001
Кран
Кол-во
1
?
5
421.1003095
Гайка М12х1,25
Кол-во
8
?
6
420.1003017
Втулка датчика детонации
Кол-во
2
?
В наличии
190 ₽
7
421.1003093
Шайба 12 крепления головки блока цилиндров
Кол-во
10
?
8
421.1003015-150
Головка блока цилиндров
Кол-во
1
?
9
4213.1003015
Головка блока цилиндров
Кол-во
0
?
10
421.100302
Прокладка головки
Кол-во
1
?
11
421.100309
Шпилька СП М12x118 головки блока цилиндров
Кол-во
5
?
12
421.1003091
Шпилька СПМ12х104
Кол-во
5
?
13
417.1008135-10
Скоба для подъема двигателя
Кол-во
1
?
14
201454-П8
Болт М8х1б крепления вентилятора
Кол-во
4
?
15
451М-1003086
Шайба 8,5 пружинная
Кол-во
4
?
16
21-1003082
Крышка отверстия водяной рубашки
Кол-во
1
?
В наличии
50 ₽
17
21-1003084-02
Прокладка крышки водяной рубашки головки блока цилиндров
Кол-во
1
?
18
417.1003084-01
Прокладка крышки рубашки охлаждения головки блока цилиндров
Кол-во
1
?
19
4146.1003084-01
Прокладка крышки
Кол-во
1
?
20
421.1117076-10
Скоба
Кол-во
1
?
21
252136-П2
Шайба 10 пружинная
Кол-во
2
?
22
201497-П8
Болт М10х25
Кол-во
2
?
Есть готовая заявка? Отправьте ее нам!
Если у вас уже есть список необходимых запчастей, загрузите файл с ним или укажите артикулы и названия запчастей в поле Комментарий, а также оставьте свои контактные данные. В течение рабочего дня мы оценим вашу заявку и отправим вам коммерческое предложение.
Отдел продаж

Если у вас уже есть готовая заявка на запасные части, то просто прикрепите файл с ней либо в поле «Комментарии» напишите артикулы и названия необходимых вам запчастей и оставьте контактные данные.

В течение рабочего дня мы выполним расчёт по вашей заявке и направим вам коммерческое предложение.

Только один файл.
Ограничение 128 МБ.
Допустимые типы: txt, rtf, pdf, doc, docx, odt, ppt, pptx, odp, xls, xlsx, ods.
пример: 89511234567 или +79511324567
Отправляя форму вы подтверждаете согласие с политикой обработки персональных данных.