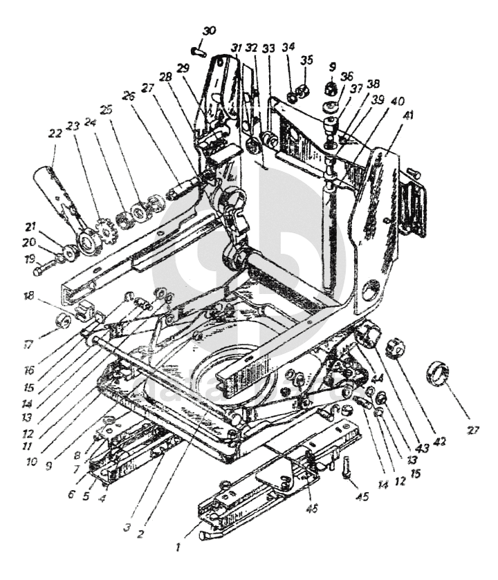
Механизм подрессоривания сиденья водителя ПАЗ-3205-110

1
3205-6804111
Механизм перемещения сиденья водителя левый в сборе
Кол-во
1
?
2
3205-6804560
Шарнир подвески сиденья водителя передний
Кол-во
1
?
3
3205-6804540
Основание подвески сиденья водителя
Кол-во
1
?
9
3205-6804685
Гайка М10
Кол-во
2
?
10
252135-П29
Шайба 8
Кол-во
0
?
12
3205-6804568
Прокладка подвески сиденья водителя
Кол-во
2
?
13
3205-6804617
Втулка оси шарниров подвески сиденья водителя
Кол-во
4
?
14
3205-6804614
Ось соединения шарниров подвески сиденья водителя
Кол-во
4
?
16
3205-6804532
Сухарь верхнего буфера ролика шарнира
Кол-во
2
?
17
3205-6804569
Ролик шарнира подвески сиденья водителя
Кол-во
4
?
18
3205-6804530
Буфер ролика шарнира подвески верхний
Кол-во
2
?
21
3205-6804751
Подкладка ручки регулировки торсиона сиденья водителя
Кол-во
1
?
22
3205-6804756
Ручка регулировки торсиона сиденья водителя
Кол-во
1
?
23
3205-6804749
Звездочка винта регулировки торсиона
Кол-во
1
?
24
3205-6804681
Прокладка ручки регулировки торсиона сиденья водителя
Кол-во
1
?
25
108903
Подшипник подрессоривания сиденья водителя
Кол-во
1
?
26
3205-6804665
Винт регулировки торсиона подвески сиденья водителя
Кол-во
1
?
27
3205-6804592
Окантовка трубы торсиона подвески сиденья водителя
Кол-во
2
?
28
3205-6804625
Вилка торсиона подвески сиденья водителя
Кол-во
1
?
30
3205-6804562
Болт регулировки наклона спинки
Кол-во
2
?
31
3205-6804741
Ограничитель винта регулировки торсиона сиденья водителя
Кол-во
1
?
32
258053-П29
Шплинт 4х25
Кол-во
1
?
В наличии
3 ₽
33
3205-6804683
Втулка скользящая винта регулировки торсиона сиденья водителя
Кол-во
1
?
36
3205-6804675
Шайба специальная амортизатора подвески сиденья водителя
Кол-во
2
?
37
3205-6804653
Буфер наружный амортизатора
Кол-во
2
?
38
3205-6804643
Поперечина крепления амортизатора подвески сиденья водителя
Кол-во
1
?
39
3205-6804656
Буфер внутренний амортизатора
Кол-во
2
?
40
11-6809010
Амортизатор
Кол-во
1
?
41
3205-6804511
Боковина подвески сиденья левая
Кол-во
1
?
42
3205-6804627
Держатель торсиона подвески сиденья водителя
Кол-во
1
?
43
3205-6804623
Торсион подвески сиденья водителя
Кол-во
2
?
44
3205-8804570
Шарнир подвески сиденья водителя задний
Кол-во
1
?
46
3205-6804163
Стяжка механизма перемещения сиденья
Кол-во
1
?
Есть готовая заявка? Отправьте ее нам!
Если у вас уже есть список необходимых запчастей, загрузите файл с ним или укажите артикулы и названия запчастей в поле Комментарий, а также оставьте свои контактные данные. В течение рабочего дня мы оценим вашу заявку и отправим вам коммерческое предложение.
Отдел продаж

Если у вас уже есть готовая заявка на запасные части, то просто прикрепите файл с ней либо в поле «Комментарии» напишите артикулы и названия необходимых вам запчастей и оставьте контактные данные.

В течение рабочего дня мы выполним расчёт по вашей заявке и направим вам коммерческое предложение.

Только один файл.
Ограничение 128 МБ.
Допустимые типы: txt, rtf, pdf, doc, docx, odt, ppt, pptx, odp, xls, xlsx, ods.
пример: 89511234567 или +79511324567
Отправляя форму вы подтверждаете согласие с политикой обработки персональных данных.