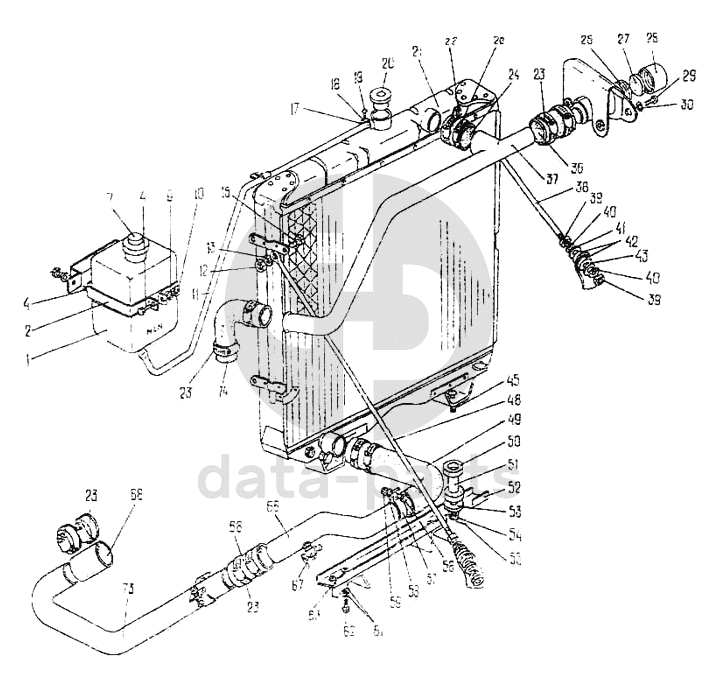
Радиатор ПАЗ-3205-110

1
24-1311014
Бачок расширительный
Кол-во
1
?
2
3205-1311072
Хомут
Кол-во
1
?
4
201418-П29
Болт М6х16
Кол-во
3
?
7
24-1311065
Пробка расширительного бачка
Кол-во
1
?
9
254154-П29
Шайба 6
Кол-во
2
?
10
250508-П29
Гайка М6
Кол-во
0
?
11
3205-1311071-10
Шланг
Кол-во
1
?
12
250510-П29
Гайка М8
Кол-во
0
?
13
252155-П29
Шайба 8
Кол-во
2
?
15
201456-П29
Болт М8х20
Кол-во
0
?
17
288002-П29
Хомутик
Кол-во
2
?
18
251086-П23
Гайка М5
Кол-во
2
?
19
220086-П29
Винт М5х30
Кол-во
2
?
20
24-1304010
Пробка радиатора
Кол-во
1
?
под заказ
цена по запросу
-10
%
Производитель:
ГАЗ
В наличии
570 ₽
21
66-50-1301006
Радиатор системы охлаждения
Кол-во
1
?
22
ТМ-111-02
Датчик контрольной лампы перегрева охлаждающей жидкости
Кол-во
1
?
23
Хомут червячный Ф 40-55 (фирма Пирит}
Хомут червячный Ф 40-55 (фирма Пирит}
Кол-во
12
?
24
672-1303010
Шланг радиатора
Кол-во
1
?
26
3205-1301170
Наливная горловина радиатора
Кол-во
1
?
27
652-1304060
Уплотнитель пробки
Кол-во
1
?
28
652-1304050-А1
Пробка наливного патрубка радиатора с уплотнением
Кол-во
1
?
29
224624-П29
Винт М6х14 крепления панели спинки нижний
Кол-во
1
?
30
252134-П29
Шайба 6
Кол-во
1
?
36
3205-1303
Шланг подводящий боковой от наливной горловины к подводящей трубе
Кол-во
1
?
37
3205-1303012
Труба радиатора подводящая
Кол-во
1
?
38
3205-1302034
Тяга радиатора правая
Кол-во
1
?
39
250512-П29
Гайка М10
Кол-во
4
?
В наличии
10 ₽
40
252137-П29
Шайба 6
Кол-во
2
?
42
672-1302094
Прокладка
Кол-во
4
?
43
20-1001095
Втулка распорная
Кол-во
2
?
45
290789-П29
Болт М10х42
Кол-во
2
?
48
3205-1302035
Тяга радиатора левая
Кол-во
1
?
49
51А-1303025
Шланг соединительный
Кол-во
1
?
50
672-1302045
Подушка подвески радиатора
Кол-во
4
?
51
20-1302048
Втулка болта крепления радиатора
Кол-во
2
?
52
3205-1302010
Балка крепления радиатора
Кол-во
1
?
53
672-1302033
Шайба
Кол-во
2
?
54
250976-П29
Гайка М10
Кол-во
2
?
55
258039-П29
Шплинт 3,2х20
Кол-во
1
?
61
252006-П29
Шайба 10
Кол-во
2
?
В наличии
5 ₽
под заказ
цена по запросу
62
201495-П29
Болт М10х20
Кол-во
2
?
63
252136-П29
Шайба 10 пружинная
Кол-во
2
?
66
3205-1303041
Труба радиатора отводящая правая
Кол-во
1
?
67
51-1305010
Краник сливной трубы радиатора в сборе
Кол-во
1
?
68
3205-1303055
Шланг соединительный
Кол-во
2
?
69
672-1303030
Хомут крепления отводящей трубы радиатора
Кол-во
1
?
70
201420-П29
Болт М6х20
Кол-во
1
?
73
3205-1303040-10
Труба радиатора отводящая левая
Кол-во
1
?
74
3205-1303020
Муфта соединительная от подводящей трубы к двигателю
Кол-во
1
?
Есть готовая заявка? Отправьте ее нам!
Если у вас уже есть список необходимых запчастей, загрузите файл с ним или укажите артикулы и названия запчастей в поле Комментарий, а также оставьте свои контактные данные. В течение рабочего дня мы оценим вашу заявку и отправим вам коммерческое предложение.
Отдел продаж

Если у вас уже есть готовая заявка на запасные части, то просто прикрепите файл с ней либо в поле «Комментарии» напишите артикулы и названия необходимых вам запчастей и оставьте контактные данные.

В течение рабочего дня мы выполним расчёт по вашей заявке и направим вам коммерческое предложение.

Только один файл.
Ограничение 128 МБ.
Допустимые типы: txt, rtf, pdf, doc, docx, odt, ppt, pptx, odp, xls, xlsx, ods.
пример: 89511234567 или +79511324567
Отправляя форму вы подтверждаете согласие с политикой обработки персональных данных.