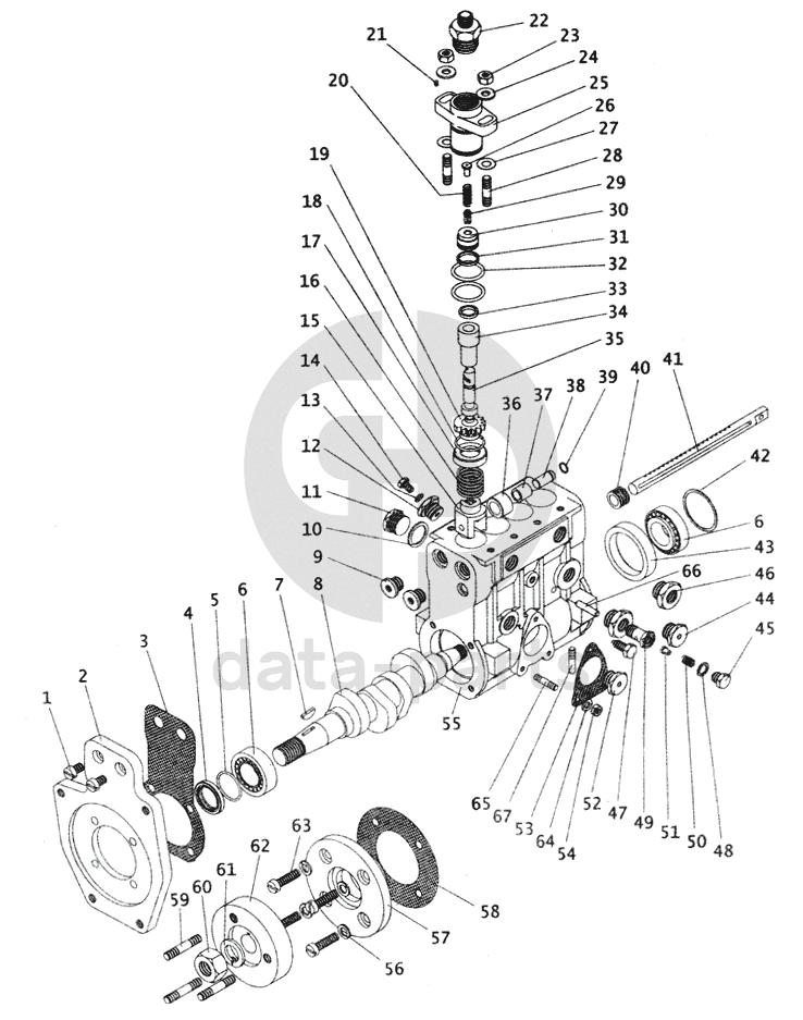
Топливный насос высокого давления ПАЗ-4230

1
320.88163
Винт М8х14
Кол-во
2
?
2
773.1111028
Фланец
Кол-во
1
?
3
773.1111027/773.1111027-01
Прокладка
Кол-во
1
?
4
332.1111092-10/332.1111092-11
Манжета без пружины 25х35-5
Кол-во
1
?
5
332.1111094-10
Пружина манжеты 25-0,3х1,8
Кол-во
1
?
6
332.1111088
Подшипник 6-7205А ГОСТ 27365-87
Кол-во
2
?
7
320.88978
Шпонка 5х7,5
Кол-во
1
?
8
773.1111055
Вал кулачковый
Кол-во
1
?
9
363.1111032
Ввертыш
Кол-во
2
?
10
33.1110961
Прокладка 20х26х1,5
Кол-во
1
?
11
320.88802
Пробка М20х1,5-6g
Кол-во
1
?
12
363.1111267
Ввертыш
Кол-во
1
?
13
320.88700
Прокладка 6х10х1
Кол-во
1
?
14
37.1111166
Винт М6
Кол-во
1
?
15
37.1111114
Толкатель
Кол-во
4
?
16
771.1111138
Пружина толкателя
Кол-во
4
?
17
37.1111134
Тарелка
Кол-во
4
?
18
37.1111137
Кольцо запорное
Кол-во
4
?
19
771.1111174
Втулка поворотная
Кол-во
4
?
20
323.1111228
Пружина
Кол-во
4
?
21
320.88605
Штифт 2,3х6
Кол-во
4
?
22
323.1111256-10
Штуцер
Кол-во
4
?
23
1/61008/21
Гайка М8-6Н табл. ВАЗ 10112
Кол-во
8
?
24
320.88696
Шайба 8
Кол-во
8
?
25
363.1111043
Корпус секции
Кол-во
4
?
26
363.1111234
Упор пружины
Кол-во
4
?
27
37.1111381
Шайба
Кол-во
8
?
27
37.1111392
Шайба
Кол-во
8
?
27
37.1111389
Шайба
Кол-во
8
?
27
37.1111388
Шайба
Кол-во
8
?
27
37.1111387
Шайба
Кол-во
8
?
27
37.1111390
Шайба
Кол-во
8
?
27
37.1111386
Шайба
Кол-во
8
?
27
37.1111385
Шайба
Кол-во
8
?
27
37.1111382
Шайба
Кол-во
8
?
27
37.1111384
Шайба
Кол-во
8
?
27
37.1111380
Шайба
Кол-во
8
?
27
37.1111383
Шайба
Кол-во
8
?
28
320.88226
Шпилька
Кол-во
8
?
29
323.1111224
Клапан нагнетательный
Кол-во
4
?
30
337.1111226-10
Седло нагнетательного клапана
Кол-во
4
?
31
33.1111259-02
Кольцо уплотнительное
Кол-во
4
?
32
37.1111940
Кольцо уплотнительное
Кол-во
8
?
33
37.1111942
Кольцо уплотнительное
Кол-во
4
?
34
363.1111158
Втулка плунжера
Кол-во
4
?
35
771.1111154
Плунжер
Кол-во
4
?
36
37.1111118
Ролик толкателя
Кол-во
4
?
37
37.1111122
Втулка толкателя
Кол-во
4
?
38
37.1111124
Ось толкателя
Кол-во
4
?
39
37.1111115
Кольцо запорное оси толкателя
Кол-во
4
?
40
36.1111182-01
Втулка рейки
Кол-во
1
?
41
773.1111184
Рейка
Кол-во
1
?
42
320.88706
Шайба 45
Кол-во
2
?
42
320.88705
Шайба 45
Кол-во
2
?
42
320.88704
Шайба 45
Кол-во
2
?
42
320.88702
Шайба 45
Кол-во
2
?
42
320.88703
Шайба 45
Кол-во
2
?
43
771.1111086
Втулка
Кол-во
1
?
44
37.1106182
Ввертыш
Кол-во
2
?
45
320.88804
Пробка М10х1-6g
Кол-во
1
?
46
37.1106182
Ввертыш
Кол-во
0
?
47
37.1111188
Винт
Кол-во
1
?
48
1/02601/60
Прокладка клапана 10х14х1 табл. ВАЗ 14607
Кол-во
1
?
49
37.1131142
Корпус клапана перепускного
Кол-во
1
?
50
338.1111148
Пружина клапана перепускного
Кол-во
1
?
51
37.1111144
Клапан
Кол-во
1
?
52
37.1111267
Ввертыш
Кол-во
1
?
53
37.1106170/37.1106170-01
Прокладка топливоподкачивающего насоса
Кол-во
1
?
54
1/58962/11
Гайка М6 табл. ВАЗ 10112
Кол-во
3
?
55
773.1111025-01
Корпус
Кол-во
1
?
55
773.1111022
Корпус со втулкой
Кол-во
1
?
55
773.1111020
Корпус топливного насоса в сборе
Кол-во
1
?
56
1/05166/77
Шайба пружинная 8 табл. ВАЗ 10188
Кол-во
4
?
57
363.1111074
Крышка подшипника
Кол-во
1
?
58
363.1111076
Прокладка
Кол-во
1
?
59
320-23003
Шпилька М10х1,25-6g
Кол-во
3
?
60
320.24001
Гайка М18х1,5-6Н
Кол-во
1
?
61
320.88753/320.88749
Шайба пружинная 18/18Л
Кол-во
1
?
62
773.1111332-01
Полумуфта
Кол-во
1
?
63
320.88165
Винт М8х30
Кол-во
4
?
64
1/05164/77
Шайба пружинная 6 табл. ВАЗ 10188
Кол-во
3
?
65
320.88227
Шпилька
Кол-во
3
?
66
320.88613
Штифт 6х28
Кол-во
2
?
67
320.88236
Шпилька
Кол-во
2
?
Есть готовая заявка? Отправьте ее нам!
Если у вас уже есть список необходимых запчастей, загрузите файл с ним или укажите артикулы и названия запчастей в поле Комментарий, а также оставьте свои контактные данные. В течение рабочего дня мы оценим вашу заявку и отправим вам коммерческое предложение.
Отдел продаж

Если у вас уже есть готовая заявка на запасные части, то просто прикрепите файл с ней либо в поле «Комментарии» напишите артикулы и названия необходимых вам запчастей и оставьте контактные данные.

В течение рабочего дня мы выполним расчёт по вашей заявке и направим вам коммерческое предложение.

Только один файл.
Ограничение 128 МБ.
Допустимые типы: txt, rtf, pdf, doc, docx, odt, ppt, pptx, odp, xls, xlsx, ods.
пример: 89511234567 или +79511324567
Отправляя форму вы подтверждаете согласие с политикой обработки персональных данных.