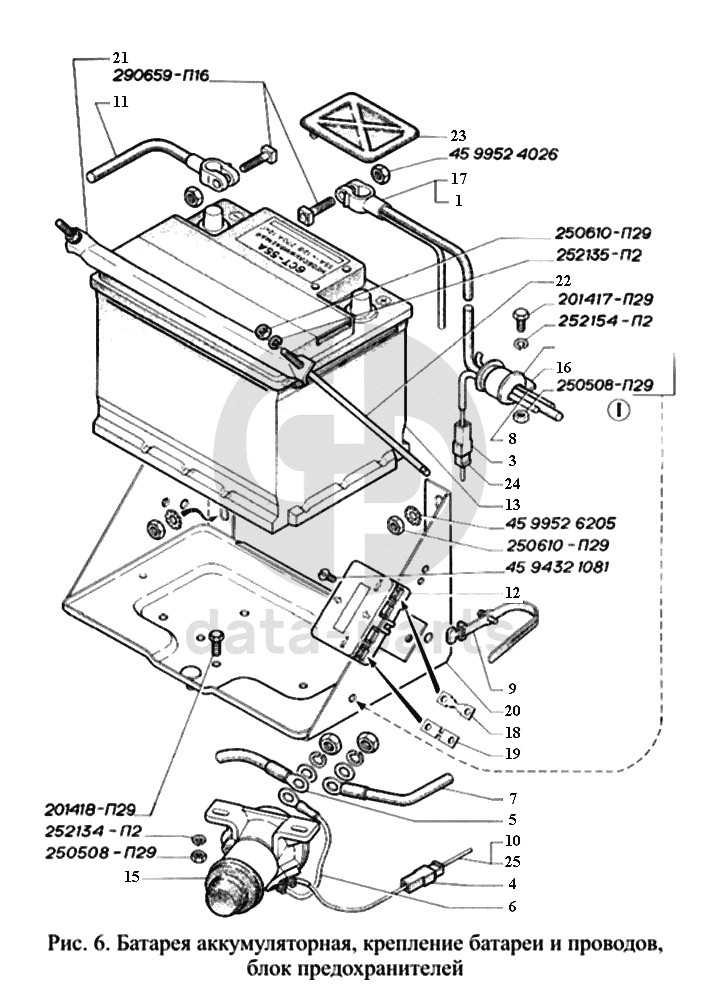
Батарея аккумуляторная, крепление батареи и проводов, блок предохранителей ГАЗ-3221

1
33021-3724050
Провод
Кол-во
0
?
2
33021-3724073
Скоба
Кол-во
0
?
3
2217-3724107
Провод
Кол-во
0
?
4
3302-3724110
Провод выключателя батареи
Кол-во
0
?
5
2217-3724150
Провод
Кол-во
0
?
6
3302-3724343
Провод выключателя батареи
Кол-во
0
?
7
2217-3724376
Провод
Кол-во
0
?
8
2217-3724377
Провод на генератор
Кол-во
0
?
9
3105-3724528
Хомут
Кол-во
0
?
10
2217-3724015-10
Жгут 1
Кол-во
0
?
11
2217-3724150
Провод
Кол-во
0
?
12
БПР-4
Блок предохранителей
Кол-во
0
?
13
6СТ-55А
Батарея аккумуляторная (3110.3703011-04)
Кол-во
0
?
14
6СТ-55ПМА
Батарея аккумуляторная (НАКИ.563412.005)
Кол-во
0
?
15
1300.3737
Выключатель батареи
Кол-во
0
?
16
А-14552
Втулка
Кол-во
0
?
17
3302-3724050
Провод 50 от АБ к стартеру
Кол-во
0
?
18
Ф57.710.001
Плавкая вставка
Кол-во
0
?
19
Ф57.710.002
Плавкая вставка
Кол-во
0
?
20
3302-3703025-01
Основание аккумуляторной батареи
Кол-во
0
?
21
330242-3703036
Планка крепления аккумуляторной батареи
Кол-во
0
?
22
53А-3703038
Стяжка крепления аккумуляторной батареи
Кол-во
0
?
23
31029-3703077
Козырек защитный аккумуляторной батареи
Кол-во
0
?
24
2217-3724015-10
Жгут 1
Кол-во
0
?
25
33021-3724015-21
Жгут 1
Кол-во
0
?
None
252135-П2
Шайба 8Т ОСТ 37.001.115-75
Кол-во
0
?
В наличии
4 ₽
None
201418-П29
Болт М6-6gх16 ОСТ 37.001.123-96
Кол-во
0
?
None
252154-П2
Шайба 6Л ОСТ 37.001.115-75
Кол-во
0
?
None
250508-П29
Гайка М6-6Н ОСТ 37.001.124-93
Кол-во
0
?
None
290659-П16
Болт М8-6gх30
Кол-во
0
?
None
45 9432 1081
Винт М5-6gх14
Кол-во
0
?
None
45 9952 4026
Гайка М8
Кол-во
0
?
None
250610-П29
Гайка М8-6Н ОСТ 37.001.124-93
Кол-во
0
?
None
45 9952 6205
Шайба 8
Кол-во
0
?
None
201417-П29
Болт М6-6gх14 ОСТ 37.001.123-96
Кол-во
0
?
None
252134-П2
Шайба 6Т ОСТ 37.001.115-75
Кол-во
0
?
Есть готовая заявка? Отправьте ее нам!
Если у вас уже есть список необходимых запчастей, загрузите файл с ним или укажите артикулы и названия запчастей в поле Комментарий, а также оставьте свои контактные данные. В течение рабочего дня мы оценим вашу заявку и отправим вам коммерческое предложение.
Отдел продаж

Если у вас уже есть готовая заявка на запасные части, то просто прикрепите файл с ней либо в поле «Комментарии» напишите артикулы и названия необходимых вам запчастей и оставьте контактные данные.

В течение рабочего дня мы выполним расчёт по вашей заявке и направим вам коммерческое предложение.

Только один файл.
Ограничение 128 МБ.
Допустимые типы: txt, rtf, pdf, doc, docx, odt, ppt, pptx, odp, xls, xlsx, ods.
пример: 89511234567 или +79511324567
Отправляя форму вы подтверждаете согласие с политикой обработки персональных данных.