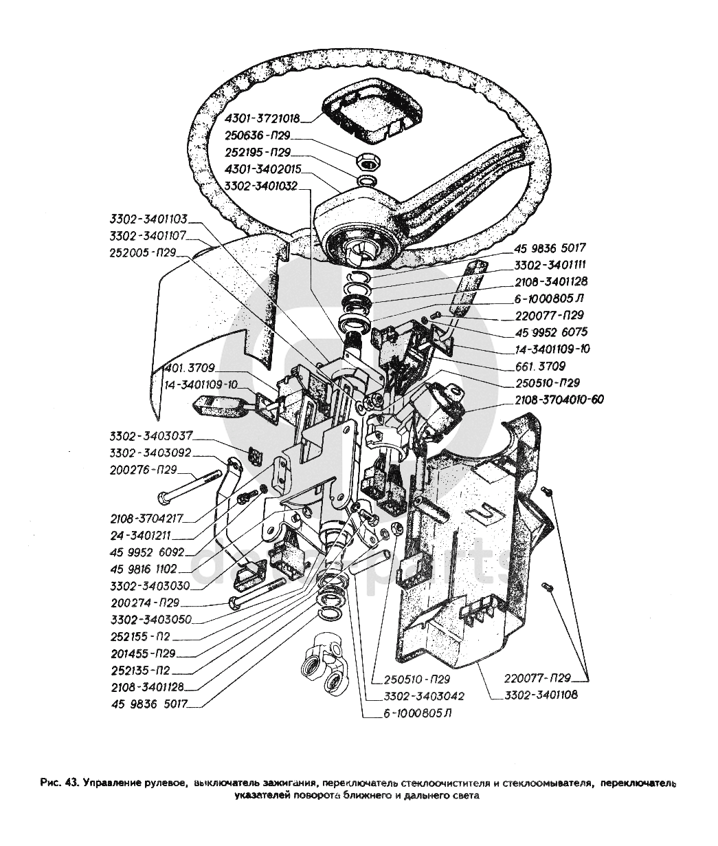
Управление рулевое, выключатель зажигания, переключатель стеклоочистителя и стеклоомывателя, переключатель указателей поворота ближнего и дальнего света ГАЗ-3302 (ГАЗель)

None
3302-3403030
Кронштейн рулевой колонки с секторами
Кол-во
0
?
None
6-1000805-Л
Подшипник
Кол-во
0
?
None
200274-П29
Болт М8-6gх75
Кол-во
0
?
None
24-3401211
Болт специальный
Кол-во
0
?
None
45 9952 6075
Шайба 5,2
Кол-во
0
?
None
2108-3704217
Скоба
Кол-во
0
?
None
220077-П29
Винт М5-6gх10 ОСТ 37.001.127-81
Кол-во
0
?
В наличии
4 ₽
None
14-3401109-10
Уплотнитель кожуха
Кол-во
0
?
None
661.3709
Переключатель указателей поворота ближнего и даль него света
Кол-во
0
?
None
3302-3401108
Кожух колонки нижний
Кол-во
0
?
None
3302-3401107
Кожух колонки верхний
Кол-во
0
?
None
252135-П2
Шайба 8Т ОСТ 37.001.115-75
Кол-во
0
?
В наличии
4 ₽
None
252155-П2
Шайба 8Л ОСТ 37.001.115-75
Кол-во
0
?
None
252005-П29
Шайба 8 ОСТ 37.001.144-96
Кол-во
0
?
None
252195-П29
Шайба 16 ОСТ 37.001.146-75
Кол-во
0
?
None
201455-П29
Болт М8-6gх18 ОСТ 37.001.123-96
Кол-во
0
?
None
250636-П29
Гайка М16х1,5-6Н ОСТ 37.001.124-93
Кол-во
0
?
None
200276-П29
Болт М8-6gх85
Кол-во
0
?
None
3302-3403092
Рукоятка в сборе
Кол-во
0
?
None
3302-3401111
Шайба
Кол-во
0
?
None
3302-3403037
Шайба упорная
Кол-во
0
?
None
3302-3403042
Втулка распорная
Кол-во
0
?
None
401.3709
Переключатель стеклоочистителя и стеклоомывателя
Кол-во
0
?
None
4301-3721018
Накладка
Кол-во
0
?
None
4301-3402015
Колесо рулевого управления
Кол-во
0
?
None
45 9952 6092
Шайба 6
Кол-во
0
?
None
2108-3704010-60
Выключатель зажигания
Кол-во
0
?
None
45 9836 5017
Кольцо А22
Кол-во
0
?
None
3302-3403050
Рычаг
Кол-во
0
?
None
3302-3401103
Труба колонки рулевого управления с кронштейном
Кол-во
0
?
None
3302-3401032
Вал рулевого управления с втулкой в сборе
Кол-во
0
?
None
45 9816 1102
Шайба 8,8
Кол-во
0
?
None
2108-3401128
Втулка подшипника вала
Кол-во
0
?
None
250510-П29
Гайка М8-6Н ОСТ 37.001.124-93
Кол-во
0
?
Есть готовая заявка? Отправьте ее нам!
Если у вас уже есть список необходимых запчастей, загрузите файл с ним или укажите артикулы и названия запчастей в поле Комментарий, а также оставьте свои контактные данные. В течение рабочего дня мы оценим вашу заявку и отправим вам коммерческое предложение.
Отдел продаж

Если у вас уже есть готовая заявка на запасные части, то просто прикрепите файл с ней либо в поле «Комментарии» напишите артикулы и названия необходимых вам запчастей и оставьте контактные данные.

В течение рабочего дня мы выполним расчёт по вашей заявке и направим вам коммерческое предложение.

Только один файл.
Ограничение 128 МБ.
Допустимые типы: txt, rtf, pdf, doc, docx, odt, ppt, pptx, odp, xls, xlsx, ods.
пример: 89511234567 или +79511324567
Отправляя форму вы подтверждаете согласие с политикой обработки персональных данных.