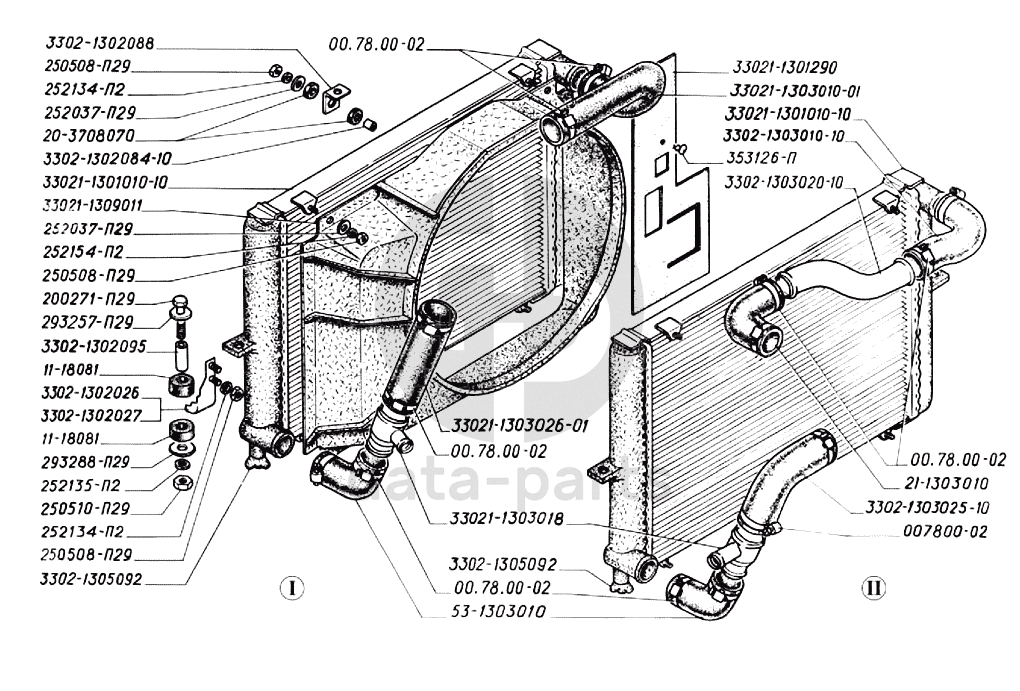
Радиатор, трубопроводы и шланги (для автомобилей выпуска до 1998 г.) ГАЗ-3302

None
3302-1305092
Пробка сливная радиатора
Кол-во
0
?
None
293257-П29
Шайба 8
Кол-во
0
?
None
11-18081
Подушка стойки стабилизатора нижняя
Кол-во
0
?
None
293288-П29
Шайба 8,5
Кол-во
0
?
None
353126-П
Пистон
Кол-во
0
?
None
3302-1303020-10
Труба радиатора подводящая
Кол-во
0
?
None
3302-1302095
Втулка
Кол-во
0
?
None
3302-1302088
Кронштейн крепления радиатора верхний
Кол-во
0
?
None
3302-1302027
Кронштейн левый
Кол-во
0
?
None
3302-1302026
Кронштейн правый
Кол-во
0
?
None
33021-1301290
Уплотнитель радиатора
Кол-во
0
?
None
33021-1301010-10
Радиатор
Кол-во
0
?
None
252135-П2
Шайба 8Т ОСТ 37.001.115-75
Кол-во
0
?
В наличии
4 ₽
None
252134-П2
Шайба 6Т ОСТ 37.001.115-75
Кол-во
0
?
None
252154-П2
Шайба 6Л ОСТ 37.001.115-75
Кол-во
0
?
None
250508-П29
Гайка М6-6Н ОСТ 37.001.124-93
Кол-во
0
?
None
33021-1303018
Труба радиатора отводящая
Кол-во
0
?
None
252037-П29
Шайба 6 ОСТ 37.001.144-96
Кол-во
0
?
None
21-1303010
Шланг
Кол-во
0
?
None
20-3708070
Шайба
Кол-во
0
?
None
33021-1309011
Кожух вентилятора
Кол-во
0
?
None
33021-1303026-01
Шланг радиатора отводящий
Кол-во
0
?
None
3302-1303010-10
Шланг радиатора подводящий верхний
Кол-во
0
?
None
33021-1303010-01
Шланг радиатора подводящий
Кол-во
0
?
под заказ
цена по запросу
None
53-1303010
Шланг радиатора отводящий нижний
Кол-во
0
?
None
3302-1302084-10
Втулка
Кол-во
0
?
None
00.78.00-02
Хомут 44-56 ТУ 4599-001-21511064-94
Кол-во
0
?
None
200271-П29
Болт М8-6gх60 ОСТ 37.001.122-96
Кол-во
0
?
None
250510-П29
Гайка М8-6Н ОСТ 37.001.124-93
Кол-во
0
?
Есть готовая заявка? Отправьте ее нам!
Если у вас уже есть список необходимых запчастей, загрузите файл с ним или укажите артикулы и названия запчастей в поле Комментарий, а также оставьте свои контактные данные. В течение рабочего дня мы оценим вашу заявку и отправим вам коммерческое предложение.
Отдел продаж

Если у вас уже есть готовая заявка на запасные части, то просто прикрепите файл с ней либо в поле «Комментарии» напишите артикулы и названия необходимых вам запчастей и оставьте контактные данные.

В течение рабочего дня мы выполним расчёт по вашей заявке и направим вам коммерческое предложение.

Только один файл.
Ограничение 128 МБ.
Допустимые типы: txt, rtf, pdf, doc, docx, odt, ppt, pptx, odp, xls, xlsx, ods.
пример: 89511234567 или +79511324567
Отправляя форму вы подтверждаете согласие с политикой обработки персональных данных.