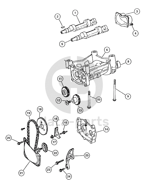
Уравновешивающее устройство ГАЗ-31105 (дополнение)

%
1
4621517
Ведущий уравновешивающий вал
Кол-во
1
?
2
6500150
Шпонка шестерни
Кол-во
2
?
3
4323043
Крышка опоры
Кол-во
1
?
4
6101452
Винт с шестигранной головкой М8х1,25х20 и шайба
Кол-во
4
?
5
4621518
Ведомый уравновешивающий вал
Кол-во
1
?
6
4621519АЕ
Опора валов
Кол-во
1
?
7
5203466
Установочный штифт
Кол-во
2
?
8
Подшипник
Подшипник валов
Кол-во
4
?
9
6504878АА
Болт
Кол-во
2
?
10
6503389
Болт с фланцевой головкой М10х1,5х108
Кол-во
2
?
11
4621952
Шестерня ведущего уравновешивающего вала
Кол-во
1
?
12
6501404
Винт с шестигранной головкой М8х1,25х25 и шайба
Кол-во
2
?
13
4621951
Шестерня ведомого уравновешивающего вала
Кол-во
1
?
14
4323039
Крышка шестерен
Кол-во
1
?
15
6505188АА
Шпилька М6х1х40
Кол-во
1
?
16
4884472АА
Направляющая цепи
Кол-во
1
?
17
6100047
Гайка и шестигранная шайба с конусом на гайку
Кол-во
1
?
18
4621541
Шестерня коленчатого вала
Кол-во
1
?
19
4621996
Цепь привода уравновешивающих валов
Кол-во
1
?
под заказ
цена по запросу
20
6100271
Болт М6х45х12,5
Кол-во
2
?
21
4323041АD
Желоб крыши опоры
Кол-во
1
?
22
4483485
Шестерня уравновешивающего устройства
Кол-во
1
?
23
6100279
Винт с шестигранной головкой М6х1х35 и шайба
Кол-во
1
?
24
6508008АА
Винт с шестигранной фланцевой головкой
Кол-во
1
?
25
4884473АА
Натяжное устройство цепи
Кол-во
1
?
Есть готовая заявка? Отправьте ее нам!
Если у вас уже есть список необходимых запчастей, загрузите файл с ним или укажите артикулы и названия запчастей в поле Комментарий, а также оставьте свои контактные данные. В течение рабочего дня мы оценим вашу заявку и отправим вам коммерческое предложение.
Отдел продаж

Если у вас уже есть готовая заявка на запасные части, то просто прикрепите файл с ней либо в поле «Комментарии» напишите артикулы и названия необходимых вам запчастей и оставьте контактные данные.

В течение рабочего дня мы выполним расчёт по вашей заявке и направим вам коммерческое предложение.

Только один файл.
Ограничение 128 МБ.
Допустимые типы: txt, rtf, pdf, doc, docx, odt, ppt, pptx, odp, xls, xlsx, ods.
пример: 89511234567 или +79511324567
Отправляя форму вы подтверждаете согласие с политикой обработки персональных данных.