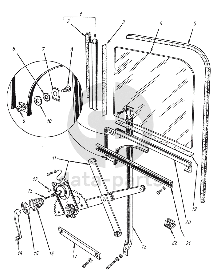
Стеклоподъемник передней двери М20 Победа

%
1
30-6103234
Стойка опускного стекла передней двери правая с уплотнителем в сборе
Кол-во
1
?
2
30-6103150
Уплотнитель поворотного стекла передней двери на стойке правый
Кол-во
1
?
3
30-6103230
Прокладка опускного стекла передней двери боковая толстая
Кол-во
2
?
3
30-6103230-Б
Прокладка опускного стекла передней двери боковая тонкая
Кол-во
2
?
4
30-6103214-А
Стекло опускное передней двери
Кол-во
2
?
5
30-6103254
Желобок опускного стекла передней двери
Кол-во
2
?
6
81-6103253
Шайба диам 11,5 кожаная
Кол-во
4
?
7
81-6103246
Пластина опорная направляющего ролика опускного стекла передней двери
Кол-во
4
?
8
81-6103244
Ролик направляющий опускного стекла передней двери
Кол-во
4
?
9
250510-П8
Гайка М8х1,25
Кол-во
4
?
10
81-6103252
Шайба диам 11,5 кожаная
Кол-во
4
?
11
30-6104012
Стеклоподъемник
Кол-во
1
?
12
11-405664
Чека крепления ручки
Кол-во
2
?
13
11-405662
Пружина
Кол-во
2
?
14
30-6104064
Ручка стеклоподъемника передней двери в сборе
Кол-во
2
?
15
30-6105186
Розетка ручки в сборе
Кол-во
2
?
16
М-48284
Пружина натяжная
Кол-во
2
?
17
30-6104114
Кулиса ролика стеклоподъемника двери нижняя в сборе
Кол-во
2
?
18
30-6103240
Стойка направляющая опускного стекла передней двери в сборе
Кол-во
2
?
19
30-6103218
Прокладка опускного стекла передней двери в обойме толстая
Кол-во
2
?
19
30-6103218-Б
Прокладка опускного стекла передней двери в обойме тонкая
Кол-во
2
?
20
30-6103220
Обойма опускного стекла передней двери правая в сборе
Кол-во
1
?
21
30-6104110
Кулиса ролика стеклоподъемника передней двери верхняя
Кол-во
2
?
22
А-46570
Упор опускного стекла двери
Кол-во
2
?
Есть готовая заявка? Отправьте ее нам!
Если у вас уже есть список необходимых запчастей, загрузите файл с ним или укажите артикулы и названия запчастей в поле Комментарий, а также оставьте свои контактные данные. В течение рабочего дня мы оценим вашу заявку и отправим вам коммерческое предложение.
Отдел продаж

Если у вас уже есть готовая заявка на запасные части, то просто прикрепите файл с ней либо в поле «Комментарии» напишите артикулы и названия необходимых вам запчастей и оставьте контактные данные.

В течение рабочего дня мы выполним расчёт по вашей заявке и направим вам коммерческое предложение.

Только один файл.
Ограничение 128 МБ.
Допустимые типы: txt, rtf, pdf, doc, docx, odt, ppt, pptx, odp, xls, xlsx, ods.
пример: 89511234567 или +79511324567
Отправляя форму вы подтверждаете согласие с политикой обработки персональных данных.