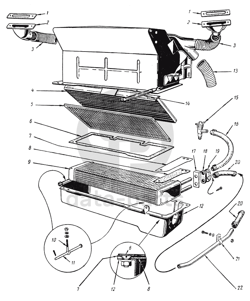
Отопление М20 Победа

1
1
2
2
3
3
4
5
6
6
7
7
8
8
9
10
11
12
12
13
14
15
16
17
18
19
20
20
21
22
%
1
30-8102050
Прокладка патрубка трубопровода вентилятора
Кол-во
2
?
2
30-8102040
Патрубок трубопровода вентилятора обдува ветрового стекла в сборе
Кол-во
2
?
3
30-8102060
Шланг трубопровода вентилятора длинный
Кол-во
2
?
4
30-5304150
Рамка фильтра вентиляции передка в сборе
Кол-во
1
?
5
30-5304140
Фильтр вентиляции передка в сборе
Кол-во
1
?
6
30-8101114
Прокладка кожуха радиатора отопителя верхняя
Кол-во
1
?
7
30-8101116-А
Прокладка кожуха радиатора отопителя средняя
Кол-во
1
?
8
30-8101118-А
Прокладка кожуха радиатора отопителя нижняя
Кол-во
1
?
9
30-8101060
Радиатор отопителя в сборе
Кол-во
1
?
10
30-8101016
Тяга крепления отопителя
Кол-во
2
?
11
295808-П8
Палец 8х145 тяги крепления отопителя
Кол-во
2
?
12
30-8101100
Кожух радиатора отопителя
Кол-во
1
?
13
30-8102062
Шланг трубопровода вентилятора короткий
Кол-во
1
?
14
30-5301142
Распорка панели приборов правая
Кол-во
1
?
15
30-8101020
Краник запорный отопителя в сборе
Кол-во
1
?
16
30-8101036
Шланг соединительный
Кол-во
1
?
17
30-8101120
Заслонка кожуха радиатора отопителя
Кол-во
1
?
18
30-8101170
Уплотнитель трубок радиатора отопителя
Кол-во
1
?
19
30-8101174
Обойма уплотнителя трубок радиатора отопителя
Кол-во
1
?
20
30-8101038
Шланг впускной трубы отопителя - длинный
Кол-во
2
?
21
297507-П8
Скоба крепления выпускной трубы отопителя
Кол-во
1
?
22
30-8101032
Труба впускная отопителя
Кол-во
1
?
Есть готовая заявка? Отправьте ее нам!
Если у вас уже есть список необходимых запчастей, загрузите файл с ним или укажите артикулы и названия запчастей в поле Комментарий, а также оставьте свои контактные данные. В течение рабочего дня мы оценим вашу заявку и отправим вам коммерческое предложение.
Отдел продаж

Если у вас уже есть готовая заявка на запасные части, то просто прикрепите файл с ней либо в поле «Комментарии» напишите артикулы и названия необходимых вам запчастей и оставьте контактные данные.

В течение рабочего дня мы выполним расчёт по вашей заявке и направим вам коммерческое предложение.

Только один файл.
Ограничение 128 МБ.
Допустимые типы: txt, rtf, pdf, doc, docx, odt, ppt, pptx, odp, xls, xlsx, ods.
пример: 89511234567 или +79511324567
Отправляя форму вы подтверждаете согласие с политикой обработки персональных данных.