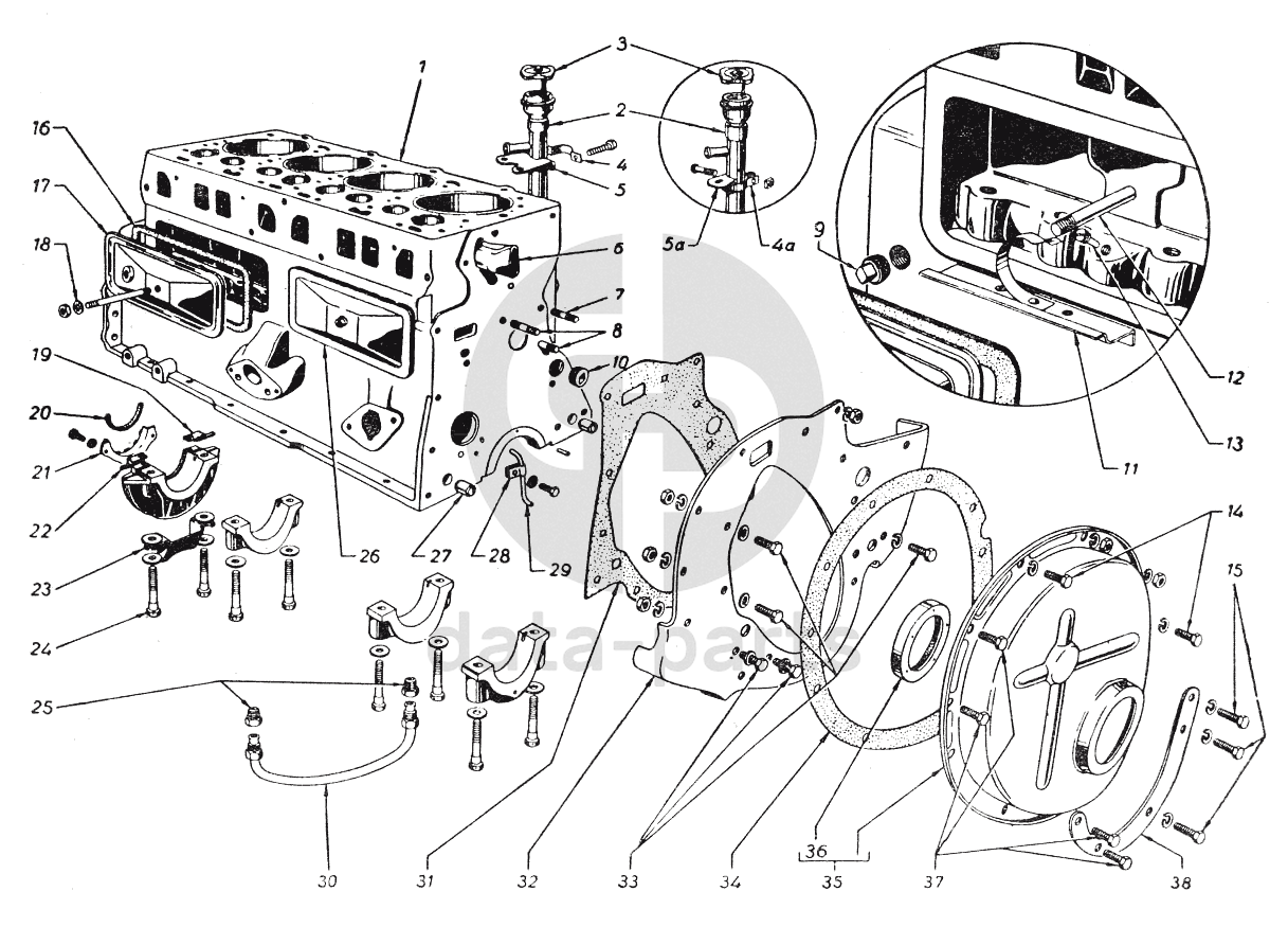
Блок цилиндров М20 Победа

1
20-1002010
Блок цилиндров в сборе
Кол-во
1
?
2
20-1002130-Б
Патрубок маслоналивной и крышка в сборе
Кол-во
1
?
3
20-1002145-А2
Крышка маслоналивного патрубка с цепочкой в сборе
Кол-во
1
?
4
51-1002162
Накладка кронштейна маслоналивного патрубка
Кол-во
1
?
4
51-1002165
Хомут крепления маслоналивного патрубка {а}
Кол-во
1
?
5
20-1002160
Кронштейн маслоналивного патрубка в сборе
Кол-во
1
?
5
51-1002161-В
Кронштейн маслоналивного патрубка {а}
Кол-во
1
?
6
20-1002032-А3
Труба водораспределительная блока цилиндров
Кол-во
1
?
7
216232-П
Шпилька М8х1х16
Кол-во
1
?
8
216234-П
Шпилька М8х1х20
Кол-во
2
?
9
262512-П8
Пробка КГ 1/2"
Кол-во
1
?
10
262518-П
Пробка КГ 3/8"
Кол-во
2
?
11
20-1002118-Б1
Маслоотражатель клапанной коробки в сборе
Кол-во
2
?
12
216332-П
Шпилька М8х75
Кол-во
2
?
13
20-1002128
Пробка 1/8"-27 наклонных масляных каналов
Кол-во
2
?
14
201456-П8
Болт М8х1,25х20
Кол-во
2
?
15
201458-П8
Болт М8х1,25х25
Кол-во
3
?
16
20-1002116
Прокладка крышки клапанной коробки
Кол-во
2
?
17
20-1002111-Б
Крышка клапанной коробки задняя в сборе
Кол-во
1
?
18
293264-П
Шайба 8
Кол-во
2
?
19
11-6336-Б
Прокладка уплотнительная крышки заднего подшипника коленчатого вала левая
Кол-во
1
?
20
20Е-1005154
Набивка сальника
Кол-во
2
?
20
11-6702-А2
Набивка сальника
Кол-во
2
?
21
11-6699
Держатель сальника заднего подшипника коленчатого вала
Кол-во
2
?
22
11-6335-Б
Прокладка уплотнительная крышки заднего подшипника коленчатого вала правая
Кол-во
1
?
23
11-6340
Пластина запорная болтов заднего подшипника коленчатого вала в сборе
Кол-во
0
?
24
291058-П
Болт М14х2х75
Кол-во
8
?
25
11-6653
Штуцер нагнетательной трубки масляного насоса
Кол-во
2
?
26
20-1002110
Крышка клапанной коробки передняя в сборе
Кол-во
1
?
27
295124-П
Штифт установочный 13х18
Кол-во
2
?
28
11-6095
Скоба крепления привода замка капота
Кол-во
1
?
29
11-6094
Трубка смазки распределительных шестерен
Кол-во
1
?
30
20-1011082
Трубка нагнетательная масляного насоса в сборе
Кол-во
1
?
31
20-1002050
Прокладка пластины крышки распределительных шестерен к блоку
Кол-во
1
?
32
20-1002045
Пластина крышки распределительных шестерен
Кол-во
1
?
33
201456-П8
Болт М8х1,25х20
Кол-во
0
?
34
20-1002064
Прокладка крышки распределительных шестерен
Кол-во
1
?
35
20-1002058-А
Крышка распределительных шестерен в сборе
Кол-во
1
?
36
51-1005034-А
Сальник передний коленчатого вала в сборе
Кол-во
1
?
37
201476-П8
Болт М8х1х20
Кол-во
4
?
38
20-1002061
Усилитель крышки распределительных шестерен
Кол-во
1
?
Есть готовая заявка? Отправьте ее нам!
Если у вас уже есть список необходимых запчастей, загрузите файл с ним или укажите артикулы и названия запчастей в поле Комментарий, а также оставьте свои контактные данные. В течение рабочего дня мы оценим вашу заявку и отправим вам коммерческое предложение.
Отдел продаж

Если у вас уже есть готовая заявка на запасные части, то просто прикрепите файл с ней либо в поле «Комментарии» напишите артикулы и названия необходимых вам запчастей и оставьте контактные данные.

В течение рабочего дня мы выполним расчёт по вашей заявке и направим вам коммерческое предложение.

Только один файл.
Ограничение 128 МБ.
Допустимые типы: txt, rtf, pdf, doc, docx, odt, ppt, pptx, odp, xls, xlsx, ods.
пример: 89511234567 или +79511324567
Отправляя форму вы подтверждаете согласие с политикой обработки персональных данных.