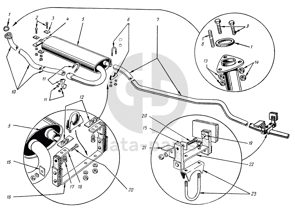
Глушитель. Трубы и подвеска глушителя М20 Победа

%
1
11-5270
Прокладка фланца приемной трубы глушителя в сборе
Кол-во
1
?
2
201519-П8
Болт 1М10х1х28
Кол-во
2
?
3
20-1203035-Б
Накладка ремня задней подвески глушителя
Кол-во
3
?
4
20-1203047-Б
Ремень задней подвески глушителя
Кол-во
1
?
5
20Б-1200012
Глушитель с промежуточной приемной трубой и скобой подвески в сборе
Кол-во
1
?
6
20-1203078-Р
Хомут в сборе
Кол-во
1
?
7
20-1203050-Е
Труба выпускная глушителя
Кол-во
1
?
8
291796-П
Шпилька (1М0х1 и М10х1,5)х46 крепления приемной трубы глушителя к газопроводу двигателя
Кол-во
1
?
9
200319-П
Болт М10х1,5х50
Кол-во
2
?
10
20Б-1203010
Труба приемная глушителя в сборе
Кол-во
1
?
11
11-5241-Р
Хомут в сборе
Кол-во
1
?
12
20-1203095-Б
Пластина крепления передней подвески глушителя в сборе
Кол-во
2
?
13
292782-П
Гайка М10х1
Кол-во
2
?
14
250536-П
Гайка М10х1,5 латунная
Кол-во
4
?
15
20-1203049-Б
Накладка ремня
Кол-во
2
?
16
20-1203055-В
Кронштейн передней подвески глушителя в сборе
Кол-во
1
?
17
201457-П8
Болт М8-6gх22
Кол-во
4
?
18
20-1203092
Угольник крепления ремня передней подвески глушителя к полу кузова
Кол-во
2
?
19
201482-П8
Болт М8х1-6gх35
Кол-во
1
?
20
201478-П8
Болт 1М8х1х25
Кол-во
1
?
21
20Б-1203092
Угольник крепления ремня задней подвески выпускной трубы к полу кузова
Кол-во
1
?
22
20-1203110-В
Кронштейн задней подвески выпускной трубы глушителя в сборе
Кол-во
1
?
23
20-1203078-Р
Хомут в сборе
Кол-во
0
?
Есть готовая заявка? Отправьте ее нам!
Если у вас уже есть список необходимых запчастей, загрузите файл с ним или укажите артикулы и названия запчастей в поле Комментарий, а также оставьте свои контактные данные. В течение рабочего дня мы оценим вашу заявку и отправим вам коммерческое предложение.
Отдел продаж

Если у вас уже есть готовая заявка на запасные части, то просто прикрепите файл с ней либо в поле «Комментарии» напишите артикулы и названия необходимых вам запчастей и оставьте контактные данные.

В течение рабочего дня мы выполним расчёт по вашей заявке и направим вам коммерческое предложение.

Только один файл.
Ограничение 128 МБ.
Допустимые типы: txt, rtf, pdf, doc, docx, odt, ppt, pptx, odp, xls, xlsx, ods.
пример: 89511234567 или +79511324567
Отправляя форму вы подтверждаете согласие с политикой обработки персональных данных.