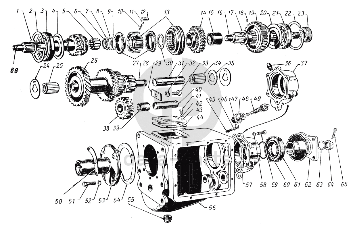
Коробка передач М20 Победа

1
20-1701036
Кольцо упорное
Кол-во
1
?
2
20-1701034
Кольцо стопорное подшипника
Кол-во
1
?
3
20-1701032
Подшипник шариковый первичного вала коробки передач задний (ГПЗ-50208У)
Кол-во
1
?
4
М-7040
Маслоотражатель подшипника первичного вала коробки передач
Кол-во
1
?
5
20-1701182
Ролик переднего подшипника вторичного вала коробки передач
Кол-во
14
?
В наличии
5 ₽
под заказ
цена по запросу
В наличии
85 ₽
6
20-1701183
Кольцо стопорное роликового подшипника вторичного вала коробки передач
Кол-во
1
?
7
20-1701159
Кольцо стопорное толщиной 2,0 мм
Кол-во
1
?
8
М-7112
Прокладка регулировочная вторичного вала толстая
Кол-во
2
?
9
М-7114
Прокладка регулировочная вторичного вала тонкая
Кол-во
2
?
10
20-1701170
Пружина синхронизатора коробки передач
Кол-во
3
?
11
508605
Шарик диаметром 1/4" блокировочного сухаря синхронизатора коробки передач
Кол-во
3
?
12
20-1701171
Сухарь блокировочный второй и третьей передач синхронизатора коробки передач
Кол-во
3
?
13
20-1701116-Б
Муфта скользящая переключения второй и третьей передач со ступицей - комплект
Кол-во
1
?
14
20-1701126-Б
Шестерня второй передачи коробки передач с втулкой в сборе
Кол-во
1
?
15
20-1701130-Б
Втулка шестерни второй передачи коробки передач
Кол-во
1
?
16
20-1701105-В
Вал вторичный коробки передач
Кол-во
1
?
17
20-1701132
Шайба упорная шестерни второй передачи коробки передач
Кол-во
1
?
18
258611-П18
Штифт 4х10
Кол-во
1
?
под заказ
цена по запросу
19
20-1701112-В
Шестерня скользящая первой передачи и заднего хода коробки передач
Кол-во
1
?
20
М-7080-А1
Маслоотражатель подшипника вторичного вала коробки передач
Кол-во
1
?
21
20-1701190
Подшипник 50 306КШ раздаточной коробки (ГПЗ-50306)
Кол-во
1
?
22
20-1701192
Кольцо стопорное
Кол-во
1
?
В наличии
65 ₽
23
20-3802033-В
Шестерня привода к спидометру ведущая
Кол-во
1
?
24
М-7119
Шайба упорная блока шестерен промежуточного вала коробки передач - неподвижная
Кол-во
2
?
25
М-7118
Подшипник роликовый блока шестерен промежуточного вала коробки передач-короткий (ГПЗ-64903)
Кол-во
1
?
26
20-1701050-В
Блок шестерен промежуточного вала коробки передач
Кол-во
1
?
27
20-1701164
Кольцо блокирующее второй и третьей передач синхронизатора коробки передач
Кол-во
2
?
28
11-7111
Ось блока шестерен промежуточного вала коробки передач
Кол-во
1
?
29
11-7155
Стопор осей блока шестерен промежуточного вала и промежуточной шестерни коробки передач
Кол-во
1
?
30
20-1701158
Шайба между ступицей скользящей муфты и шестерней второй передачи коробки передач
Кол-во
1
?
31
М-7115
Втулка распорная роликовых подшипников блока шестерен промежуточного вала коробки передач
Кол-во
1
?
32
252136-П2
Шайба 10 ОТ ОСТ 37.001.115-75
Кол-во
1
?
33
201493-П8
Болт М10-6gх16
Кол-во
1
?
34
М-7121
Подшипник роликовый блока шестерен промежуточного вала коробки передач длинный (ГПЗ-64904)
Кол-во
1
?
35
20-1701062
Шайба упорная блока шестерен промежуточного вала коробки передач плавающая
Кол-во
1
?
36
298429-П
Сапун в сборе К1/8"
Кол-во
1
?
В наличии
120 ₽
37
20-1701205-Г
Крышка заднего подшипника вторичного вала
Кол-во
1
?
38
20-1701080-Б
Шестерня промежуточная заднего хода коробки передач с втулкой в сборе
Кол-во
1
?
39
А-7143-В
Втулка промежуточной шестерни заднего хода коробки передач
Кол-во
1
?
40
11-7140
Ось промежуточной шестерни заднего хода коробки передач
Кол-во
1
?
41
201417-П8
Болт М6х1х14
Кол-во
4
?
42
252134-П2
Шайба 6Т ОСТ 37.001.115-75
Кол-во
4
?
43
20-1701020
Крышка смотрового люка картера коробки передач
Кол-во
1
?
44
20-1701021
Прокладка крышки смотрового люка картера коробки передач
Кол-во
1
?
45
290490-П8
Болт М6-6gх12
Кол-во
1
?
46
252154-П2
Шайба 6Л ОСТ 37.001.115-75
Кол-во
1
?
47
51-3802031
Стопор
Кол-во
1
?
48
51-3802030
Штуцер гибкого вала
Кол-во
1
?
49
20-3802034-В
Шестерня привода к спидометру ведомая
Кол-во
1
?
50
51-1601190
Скоба оттяжной пружины муфты подшипника выключения сцепления
Кол-во
1
?
51
201458-П8
Болт М8х1,25х25
Кол-во
4
?
52
252135-П2
Шайба 8Т ОСТ 37.001.115-75
Кол-во
4
?
В наличии
4 ₽
53
20-1701040-Б
Крышка подшипника первичного вала коробки передач
Кол-во
1
?
54
11-7051-Б
Прокладка крышки подшипника первичного вала коробки передач
Кол-во
1
?
55
262513-П
Пробка КГ 3/4"
Кол-во
2
?
56
20-1701015-Б3
Картер коробки передач
Кол-во
1
?
57
20-1701203-Б
Прокладка крышки заднего подшипника вторичного вала коробки передач
Кол-во
1
?
58
252135-П2
Шайба 8Т ОСТ 37.001.115-75
Кол-во
0
?
В наличии
4 ₽
59
201458-П8
Болт М8х1,25х25
Кол-во
0
?
60
20-1701220
Пружина сальника крышки заднего подшипника вторичного вала
Кол-во
1
?
61
20-1701210
Сальник
Кол-во
1
?
62
20-1701238-Б
Фланец вторичного вала коробки передач в сборе
Кол-во
1
?
63
20-2402064-Б
Шайба 21
Кол-во
1
?
В наличии
180 ₽
64
292917-П2
Гайка 1М20х1,5
Кол-во
1
?
65
258054-П
Шплинт 4х30
Кол-во
1
?
66
20-1701030-Б
Вал первичный коробки передач
Кол-во
1
?
Есть готовая заявка? Отправьте ее нам!
Если у вас уже есть список необходимых запчастей, загрузите файл с ним или укажите артикулы и названия запчастей в поле Комментарий, а также оставьте свои контактные данные. В течение рабочего дня мы оценим вашу заявку и отправим вам коммерческое предложение.
Отдел продаж

Если у вас уже есть готовая заявка на запасные части, то просто прикрепите файл с ней либо в поле «Комментарии» напишите артикулы и названия необходимых вам запчастей и оставьте контактные данные.

В течение рабочего дня мы выполним расчёт по вашей заявке и направим вам коммерческое предложение.

Только один файл.
Ограничение 128 МБ.
Допустимые типы: txt, rtf, pdf, doc, docx, odt, ppt, pptx, odp, xls, xlsx, ods.
пример: 89511234567 или +79511324567
Отправляя форму вы подтверждаете согласие с политикой обработки персональных данных.