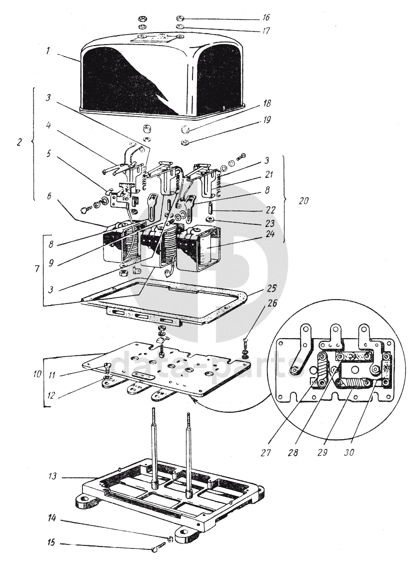
Реле-регулятор М20 Победа

%
1
РР12-3702003
Крышка реле-регулятора в сборе
Кол-во
1
?
2
РР12-3702200
Реле обратного тока в сборе
Кол-во
1
?
3
РР11-3702418
Пружина якоря регулятора напряжения ограничителя тока и реле обратного тока
Кол-во
3
?
4
РР11-3702205
Якорь реле в сборе
Кол-во
1
?
5
РР11-3702217
Держатель контактов в сборе
Кол-во
1
?
6
РР15-3702201
Катушка реле в сборе
Кол-во
0
?
7
РР12-3702300
Ограничитель тока в сборе
Кол-во
1
?
8
РР11-3702319
Ограничитель хода контактов регулятора напряжения и ограничителя тока в сборе
Кол-во
2
?
9
РР11-3702305
Якорь ограничителя тока в сборе
Кол-во
1
?
10
РР12-3702510
Панель с клеммами в сборе
Кол-во
1
?
11
МХ-0098
Винт контактный
Кол-во
3
?
12
МХ-0246
Шайба 8 пружинная
Кол-во
3
?
13
РР15-3702100
Основание реле-регулятора в сборе
Кол-во
1
?
14
Х-4001
Шайба 5Т пружинная
Кол-во
7
?
15
7Х-1548
Винт крепления провода «на массу»
Кол-во
1
?
16
8Х-1533
Гайка М6-6Н
Кол-во
1
?
17
Х-1482
Шайба 6Т пружинная
Кол-во
2
?
18
РР11-3702006
Втулка шпильки крышки
Кол-во
2
?
19
МХ-0094
Шайба плоская
Кол-во
2
?
20
РР12-3702400
Регулятор напряжения в сборе
Кол-во
1
?
21
РР12-3702420-А
Якорь регулятора напряжения в сборе
Кол-во
1
?
22
РР11-3702215
Штифт регулировочный для натяжения пружины якоря
Кол-во
3
?
23
РР11-3702214
Гайка фасонная специальная
Кол-во
3
?
24
РР12-3702401
Катушка магнитная регулятора напряжения в сборе
Кол-во
1
?
25
РР15-3702008
Прокладка крышки реле-регулятора
Кол-во
1
?
26
МХ-0097
Винт М5-8gх12
Кол-во
6
?
27
РР12-3702547
Сопротивление 15 ом
Кол-во
1
?
28
РР12-3702541
Сопротивление 30 ом
Кол-во
1
?
29
РР12-3702550
Сопротивление 1 ом
Кол-во
1
?
30
РР12-3702542
Сопротивление 80 ом
Кол-во
1
?
Есть готовая заявка? Отправьте ее нам!
Если у вас уже есть список необходимых запчастей, загрузите файл с ним или укажите артикулы и названия запчастей в поле Комментарий, а также оставьте свои контактные данные. В течение рабочего дня мы оценим вашу заявку и отправим вам коммерческое предложение.
Отдел продаж

Если у вас уже есть готовая заявка на запасные части, то просто прикрепите файл с ней либо в поле «Комментарии» напишите артикулы и названия необходимых вам запчастей и оставьте контактные данные.

В течение рабочего дня мы выполним расчёт по вашей заявке и направим вам коммерческое предложение.

Только один файл.
Ограничение 128 МБ.
Допустимые типы: txt, rtf, pdf, doc, docx, odt, ppt, pptx, odp, xls, xlsx, ods.
пример: 89511234567 или +79511324567
Отправляя форму вы подтверждаете согласие с политикой обработки персональных данных.