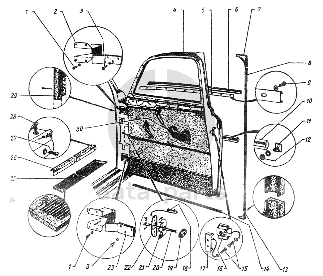
Передняя дверь ГАЗ-12 (ЗИМ)

1
221691-П8
Винт 1М8х18
Кол-во
12
?
2
32-6106010
Петля передней двери верхняя правая с кронштейном в сборе
Кол-во
1
?
3
290754-П8
Болт М10х1-6gх28
Кол-во
6
?
4
32-6107028-Б
Уплотнитель фланца передней двери передний
Кол-во
2
?
5
32-6101484
Держатель верхней декоративной накладки передней двери
Кол-во
2
?
6
32-6101480
Накладка передней двери декоративная верхняя правая
Кол-во
1
?
7
32-6107078
Уплотнитель фланца передней двери верхний угловой
Кол-во
2
?
8
32-6107029
Уплотнитель фланца передней двери задний
Кол-во
2
?
9
240817-П8
Винт 4х10
Кол-во
20
?
10
32-6101488
Накладка передней двери декоративная нижняя
Кол-во
2
?
11
32-8403120
Держатель нижней декоративной накладки передней двери в сборе
Кол-во
12
?
12
250763-П8
Гайка М5х0,8
Кол-во
12
?
13
32-6107080
Уплотнитель фланца передней двери угловой правый
Кол-во
2
?
14
32-6107020
Уплотнитель фланца передней двери нижний
Кол-во
2
?
15
233124-П13
Винт М8х1,25х20 крепления шипа
Кол-во
0
?
16
32-6106100
Фиксатор передней двери в сборе
Кол-во
2
?
17
32-6106114
Шип фиксатора передней двери
Кол-во
2
?
18
224624-П8
Винт М6-6gх14
Кол-во
4
?
19
30-6106086
Буфер ограничителя двери
Кол-во
2
?
20
32-6106090
Рычаг ограничителя передней двери
Кол-во
2
?
21
32-6106180
Стопор ограничителя передней двери в сборе
Кол-во
2
?
22
32-6106192
Облицовка ограничителя передней двери
Кол-во
2
?
23
32-6106026
Петля передней двери нижняя правая с кронштейном в сборе
Кол-во
1
?
24
241820-П4
Винт М4х18 крепления накладки порога передней двери
Кол-во
20
?
25
32-6101553
Накладка порога передней двери левая
Кол-во
1
?
26
32-6101561
Облицовка порога передней двери левая
Кол-во
1
?
27
241820-П13
Винт М4х8
Кол-во
6
?
28
241821-П13
Винт 4х22
Кол-во
16
?
29
32-6107048
Кант проема передней двери в сборе
Кол-во
2
?
30
32-6906010
Подлокотник в сборе
Кол-во
2
?
Есть готовая заявка? Отправьте ее нам!
Если у вас уже есть список необходимых запчастей, загрузите файл с ним или укажите артикулы и названия запчастей в поле Комментарий, а также оставьте свои контактные данные. В течение рабочего дня мы оценим вашу заявку и отправим вам коммерческое предложение.
Отдел продаж

Если у вас уже есть готовая заявка на запасные части, то просто прикрепите файл с ней либо в поле «Комментарии» напишите артикулы и названия необходимых вам запчастей и оставьте контактные данные.

В течение рабочего дня мы выполним расчёт по вашей заявке и направим вам коммерческое предложение.

Только один файл.
Ограничение 128 МБ.
Допустимые типы: txt, rtf, pdf, doc, docx, odt, ppt, pptx, odp, xls, xlsx, ods.
пример: 89511234567 или +79511324567
Отправляя форму вы подтверждаете согласие с политикой обработки персональных данных.