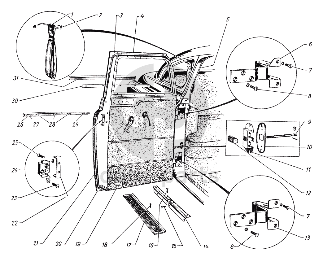
Задняя дверь ГАЗ-12 (ЗИМ)

1
32-8202250
Держатель боковой в сборе
Кол-во
2
?
2
32-8202258
Скоба бокового держателя правая
Кол-во
1
?
3
32-6107078
Уплотнитель фланца передней двери верхний угловой
Кол-во
2
?
4
32-6207029
Уплотнитель фланца задней двери задний
Кол-во
2
?
5
32-6107048
Кант проема передней двери в сборе
Кол-во
2
?
6
32-6206010
Петля задней двери верхняя правая с кронштейном в сборе
Кол-во
1
?
7
221691-П8
Винт 1М8х18
Кол-во
8
?
8
221747-П8
Винт 1М10х22
Кол-во
6
?
9
32-6206090
Рычаг ограничителя задней двери
Кол-во
2
?
10
32-6106192
Облицовка ограничителя передней двери
Кол-во
2
?
11
32-6106180
Стопор ограничителя передней двери в сборе
Кол-во
2
?
12
30-6106086
Буфер ограничителя двери
Кол-во
2
?
13
32-6206026
Петля задней двери нижняя правая с кронштейном в сборе
Кол-во
1
?
14
32-6201560
Облицовка порога задней двери правая
Кол-во
1
?
15
241820-П13
Винт М4х8
Кол-во
6
?
16
241821-П13
Винт 4х22
Кол-во
14
?
17
32-6201552
Накладка порога задней двери правая
Кол-во
1
?
18
241820-П4
Винт М4х18 крепления накладки порога передней двери
Кол-во
20
?
19
32-6207020
Уплотнитель фланца задней двери нижний
Кол-во
2
?
20
32-6107080
Уплотнитель фланца передней двери угловой правый
Кол-во
2
?
21
32-6107029
Уплотнитель фланца передней двери задний
Кол-во
2
?
22
32-6106114
Шип фиксатора передней двери
Кол-во
2
?
23
233126-П13
Винт М8х1,25х25 крепления фиксатора
Кол-во
4
?
24
32-6106100
Фиксатор передней двери в сборе
Кол-во
2
?
25
233124-П13
Винт М8х1,25х20 крепления шипа
Кол-во
4
?
26
32-6201488
Накладка задней двери декоративная нижняя в сборе
Кол-во
2
?
27
32-8403120
Держатель нижней декоративной накладки передней двери в сборе
Кол-во
2
?
28
32-6201496
Держатель нижней декоративной накладки задней двери средний в сборе
Кол-во
6
?
29
32-6201580
Держатель нижней декоративной накладки задней двери задний в сборе
Кол-во
2
?
30
32-6201484
Держатель верхней декоративной накладки задней двери
Кол-во
2
?
31
32-6201480
Накладка задней двери декоративная верхняя правая
Кол-во
1
?
Есть готовая заявка? Отправьте ее нам!
Если у вас уже есть список необходимых запчастей, загрузите файл с ним или укажите артикулы и названия запчастей в поле Комментарий, а также оставьте свои контактные данные. В течение рабочего дня мы оценим вашу заявку и отправим вам коммерческое предложение.
Отдел продаж

Если у вас уже есть готовая заявка на запасные части, то просто прикрепите файл с ней либо в поле «Комментарии» напишите артикулы и названия необходимых вам запчастей и оставьте контактные данные.

В течение рабочего дня мы выполним расчёт по вашей заявке и направим вам коммерческое предложение.

Только один файл.
Ограничение 128 МБ.
Допустимые типы: txt, rtf, pdf, doc, docx, odt, ppt, pptx, odp, xls, xlsx, ods.
пример: 89511234567 или +79511324567
Отправляя форму вы подтверждаете согласие с политикой обработки персональных данных.