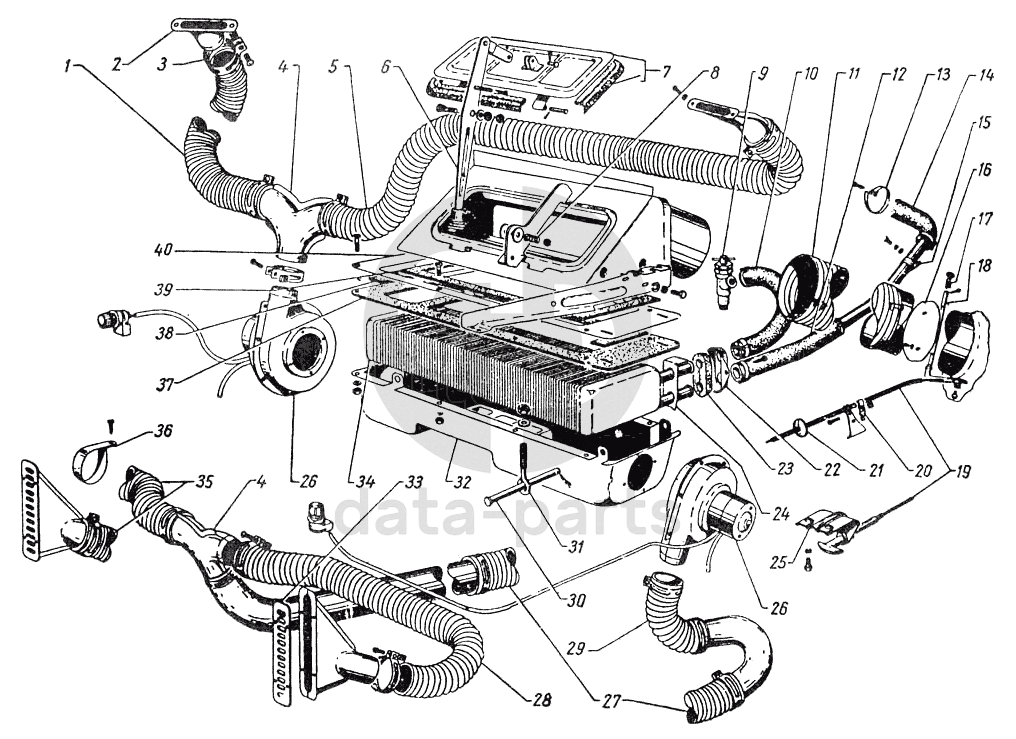
Отопитель кузова ГАЗ-12 (ЗИМ)

1
30-8102060
Шланг трубопровода вентилятора длинный
Кол-во
1
?
2
32-8102040
Патрубок трубопровода вентилятора обдува ветрового окна в сборе
Кол-во
2
?
3
288014-П8
Хомутик диаметром 48 шланга радиатора
Кол-во
0
?
4
32-8101430
Тройник трубопровода вентилятора обдува ветрового окна в сборе
Кол-во
1
?
5
32-8101438
Шланг трубопровода вентилятора обдува ветрового окна
Кол-во
1
?
6
32-8104182
Рычаг привода вентиляции кузова в сборе
Кол-во
1
?
7
32-8104196
Крышка вентиляции кузова с уплотнителем в сборе
Кол-во
1
?
8
81-6103086
Зажим оси поворотного стекла передней двери
Кол-во
1
?
9
30-8101020
Краник запорный отопителя в сборе
Кол-во
1
?
10
69-1014075
Шланг соединительный вентиляции картера
Кол-во
1
?
11
32-8104174
Шланг воздухопровода вентиляции кузова
Кол-во
1
?
12
30-8101038
Шланг впускной трубы отопителя - длинный
Кол-во
2
?
13
297584-П8
Лента 10х235
Кол-во
0
?
14
32-8101032
Труба отопителя выпускная
Кол-во
1
?
15
297507-П8
Скоба крепления выпускной трубы отопителя
Кол-во
1
?
16
32-8104146
Заслонка воздухопровода вентиляции кузова
Кол-во
1
?
17
АА-2233
Пружина оси заслонки воздухопровода вентиляции кузова
Кол-во
1
?
18
32-8104150
Ось заслонки воздухопровода вентиляции кузова в сборе
Кол-во
1
?
19
32-8104156
Привод заслонки воздухопровода вентиляции кузова в сборе
Кол-во
1
?
20
М-9706-А
Зажим
Кол-во
1
?
21
70-143183
Втулка привода заслонки воздухопровода вентиляции кузова
Кол-во
1
?
22
30-8101174
Обойма уплотнителя трубок радиатора отопителя
Кол-во
1
?
23
30-8101170
Уплотнитель трубок радиатора отопителя
Кол-во
1
?
24
32-8101120
Заслонка кожуха радиатора отопителя
Кол-во
1
?
25
20-1310229
Кронштейн крепления тяги управления жалюзи радиатора в сборе
Кол-во
1
?
26
32-8102010
Вентилятор обдува ветрового окна в сборе
Кол-во
1
?
27
30-8102060
Шланг трубопровода вентилятора длинный
Кол-во
0
?
28
32-8101438
Шланг трубопровода вентилятора обдува ветрового окна
Кол-во
0
?
29
30-8102062
Шланг трубопровода вентилятора короткий
Кол-во
1
?
30
295808-П8
Палец 8х145 тяги крепления отопителя
Кол-во
2
?
31
30-8101016
Тяга крепления отопителя
Кол-во
2
?
32
32-8101098
Кожух радиатора отопителя
Кол-во
1
?
33
32-8101454
Облицовка патрубка трубопровода отопителя
Кол-во
2
?
34
32-8101060
Радиатор отопителя в сборе
Кол-во
1
?
35
32-8101436
Шланг обдува ветрового стекла
Кол-во
1
?
36
32-8101442
Скоба
Кол-во
2
?
37
32-8101118
Прокладка кожуха радиатора отопителя нижняя
Кол-во
1
?
38
32-8101160
Прокладка радиатора отопителя
Кол-во
2
?
39
32-8101114
Прокладка кожуха радиатора отопителя верхняя
Кол-во
1
?
40
32-8101116
Прокладка кожуха радиатора отопителя средняя
Кол-во
1
?
Есть готовая заявка? Отправьте ее нам!
Если у вас уже есть список необходимых запчастей, загрузите файл с ним или укажите артикулы и названия запчастей в поле Комментарий, а также оставьте свои контактные данные. В течение рабочего дня мы оценим вашу заявку и отправим вам коммерческое предложение.
Отдел продаж

Если у вас уже есть готовая заявка на запасные части, то просто прикрепите файл с ней либо в поле «Комментарии» напишите артикулы и названия необходимых вам запчастей и оставьте контактные данные.

В течение рабочего дня мы выполним расчёт по вашей заявке и направим вам коммерческое предложение.

Только один файл.
Ограничение 128 МБ.
Допустимые типы: txt, rtf, pdf, doc, docx, odt, ppt, pptx, odp, xls, xlsx, ods.
пример: 89511234567 или +79511324567
Отправляя форму вы подтверждаете согласие с политикой обработки персональных данных.