Газопровод ГАЗ-12 (ЗИМ)

%
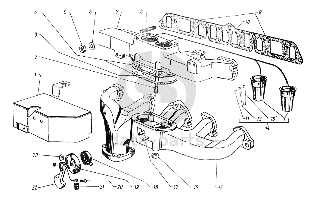
1
12-1008090-Г
Кожух газопровода в сборе
Кол-во
1
?
2
291814-П
Шпилька М10х1х82
Кол-во
4
?
3
12-1008020-Б
Пластина подогрева смеси
Кол-во
1
?
4
12-1008019-В
Прокладка между впускной трубой и выпускным трубопроводом
Кол-во
2
?
5
292782-П
Гайка М10х1
Кол-во
11
?
6
293318-П
Шайба 10
Кол-во
11
?
7
12-1008015-Ж
Труба впускная
Кол-во
1
?
8
291798-П
Шпилька М10х1х30
Кол-во
11
?
9
12-1008084
Прокладка газопровода крайняя
Кол-во
2
?
10
12-1008080
Прокладка газопровода средняя
Кол-во
1
?
11
290120-П
Винт М3х0,5х5
Кол-во
16
?
12
12-1008125
Накладка пластины направляющего насадка
Кол-во
16
?
13
12-1008120
Пластина направляющего насадка
Кол-во
16
?
14
12-1008110-Б
Насадок впускной трубы направляющий в сборе
Кол-во
2
?
15
12-1008024-Ж
Трубопровод выпускной в сборе
Кол-во
1
?
16
292782-П
Гайка М10х1
Кол-во
0
?
17
258952-П
Штифт 5х40 цилиндрический
Кол-во
1
?
18
12-1008044-Б
Термостат заслонки подогрева смеси
Кол-во
1
?
19
12-1008082
Кожух термостата заслонки подогрева смеси
Кол-во
1
?
20
290410-П8
Болт М5х0,8х18
Кол-во
1
?
21
12-1008074
Ограничитель поворота заслонки подогрева смеси в сборе
Кол-во
1
?
22
12-1008052
Противовес заслонки подогрева смеси
Кол-во
1
?
23
12-1008072
Фиксатор противовеса оси заслонки подогрева смеси
Кол-во
1
?
Есть готовая заявка? Отправьте ее нам!
Если у вас уже есть список необходимых запчастей, загрузите файл с ним или укажите артикулы и названия запчастей в поле Комментарий, а также оставьте свои контактные данные. В течение рабочего дня мы оценим вашу заявку и отправим вам коммерческое предложение.
Отдел продаж

Если у вас уже есть готовая заявка на запасные части, то просто прикрепите файл с ней либо в поле «Комментарии» напишите артикулы и названия необходимых вам запчастей и оставьте контактные данные.

В течение рабочего дня мы выполним расчёт по вашей заявке и направим вам коммерческое предложение.

Только один файл.
Ограничение 128 МБ.
Допустимые типы: txt, rtf, pdf, doc, docx, odt, ppt, pptx, odp, xls, xlsx, ods.
пример: 89511234567 или +79511324567
Отправляя форму вы подтверждаете согласие с политикой обработки персональных данных.